电脑桌面
添加小米粒文库到电脑桌面
安装后可以在桌面快捷访问

中隔墙预留钢筋接头处理措施VIP免费

中隔墙预留钢筋接头处理措施_第1页
1/5
中隔墙预留钢筋接头处理措施_第2页
2/5
中隔墙预留钢筋接头处理措施_第3页
3/5
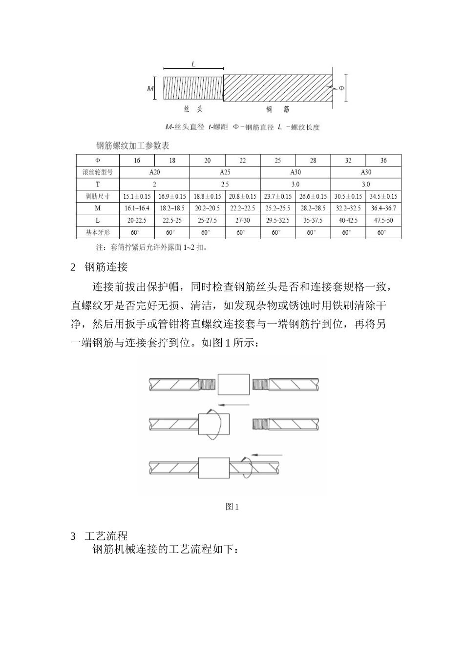
中隔墙预留钢筋接头处理方案一、编制依据1、《大连地铁工程隧道工程施工质量验收标准(暂行)》DLDT-004-2010。2、《钢筋机械连接通用技术规程》JGJ107。3、《混凝土结构工程施工质量验收规范》GB50204-2002。4、《钢筋焊接及验收规程》JGJ18。5、《红旗西路站至南松路站区间正线结构图纸》。二、工程概况红南区间1#竖井前期施工三连拱中隔墙时,部分区段预留的二衬钢筋接头位于同一断面,为了保证工程质量,按规范要求进行作业,对预留存在问题的区段,在后期二衬作业时钢筋连接时将采取相应的措施进行整改完善。本方案为总体二衬方案的补充,具体说明处理办法及后期施工中应注意的问题。三、处理办法为满足纵向受力钢筋接口处理中的规范和要求,对于已经预留于同一断面的钢筋接头采用机械连接和焊接交错设置的方法进行钢筋连接施工。1、机械连接1直螺纹丝头加工在套丝之前对于钢筋头进行切割处理,使用手持式砂轮切割机进行打磨和切割处理,切口面应与钢筋轴线垂直,不许有马蹄形活翘曲,严禁用剪断机剪断或用气割切割。对于切口面符合规范要求的即可进行套丝,此过程使用手持式电动套丝机,螺纹牙纵向覆盖长度见表。另外,对于丝头外观的要求:目测牙形要饱满,牙顶宽超过0.75mm,秃牙部分累计长度不超过1/2螺纹周长。对于不符合要求的要进行重新切割加工。对加工好的钢筋丝头使用保护帽进行保护,防止丝头锈蚀或被破坏。2钢筋连接连接前拔出保护帽,同时检查钢筋丝头是否和连接套规格一致,直螺纹牙是否完好无损、清洁,如发现杂物或锈蚀时用铁刷清除干净,然后用扳手或管钳将直螺纹连接套与一端钢筋拧到位,再将另一端钢筋与连接套拧到位。如图1所示:图13工艺流程钢筋机械连接的工艺流程如下:钢筋机械连接流程图2、焊接在进行焊接前,应对接头钢筋进行除锈,对于局部弯曲的应进行调直,确保后期焊接质量达到行业要求。焊接采用单面焊进行处理,焊缝长度≥10d,容易施工的部位尽量采用双面焊,焊缝长度≥5d。要求焊缝高度≥0.3d且不得小于4mm,焊缝宽度≥0.7d且不得小于8mm。焊缝要饱满,表面平整,无较大的凹陷、焊瘤,接口处无裂纹。具体工艺流程如下:钢筋头切割打磨套丝检验安装套筒,加盖保护帽钢筋连接接头验收不合格合格焊接工艺流程四、注意事项1、在后期的二衬施工中,钢筋接茬的预留要充分考虑设计规范要求,施工缝处预留钢筋接头要梅花形错开设置。2、当受力钢筋采用机械连接接头或焊接接头时,设置在同一构件内的接头宜相互错开。纵向受力钢筋机械连接接头及焊接接头连接区段的长度为35d(纵向受力钢筋较大直径)且不小于500mm,凡接头中点位于该连接区段长度内的接头均属于同一连接区段。同一连接区段内,纵向受力钢筋机械连接接头及焊接接头面积百分率为该区段内有接头的受力钢筋截面面积与全部纵向受力钢筋截面面积的比值。3、钢筋采用机械连接时,被连接的钢筋端面要顶紧,并处于连接套的中间位置,偏差不得大于一道螺距,连接套要保证套内丝扣赶紧、无损。4、在施工当中,应做好各种机械设备的接地保护,确保人身安全。5、各流程图中验收分两步进行,首先施工单位专业质检员进行验收,合格后方可报监理进行验收。6、施工人员应持证上岗;对焊接设备和机具、焊条、钢筋等按规定进行检验和试验,合格后方可施工。7、钢筋接驳器应提供产品合格证、形式检验报告、机械连接力学实验报告等相关证明文件。8、施工人员安全护具佩戴齐全,确保人员安全作业。对预留钢筋接口进行除锈除锈调直焊接验收不合格中煤三建项目部2012-8-9

1、当您付费下载文档后,您只拥有了使用权限,并不意味着购买了版权,文档只能用于自身使用,不得用于其他商业用途(如 [转卖]进行直接盈利或[编辑后售卖]进行间接盈利)。
2、本站所有内容均由合作方或网友上传,本站不对文档的完整性、权威性及其观点立场正确性做任何保证或承诺!文档内容仅供研究参考,付费前请自行鉴别。
3、如文档内容存在违规,或者侵犯商业秘密、侵犯著作权等,请点击“违规举报”。

碎片内容

中隔墙预留钢筋接头处理措施

您可能关注的文档

确认删除?
VIP
微信客服
  • 扫码咨询
会员Q群
  • 会员专属群点击这里加入QQ群
客服邮箱
回到顶部