电脑桌面
添加小米粒文库到电脑桌面
安装后可以在桌面快捷访问

屋面技术质量规范docVIP免费

屋面技术质量规范doc_第1页
1/9
屋面技术质量规范doc_第2页
2/9
屋面技术质量规范doc_第3页
3/9
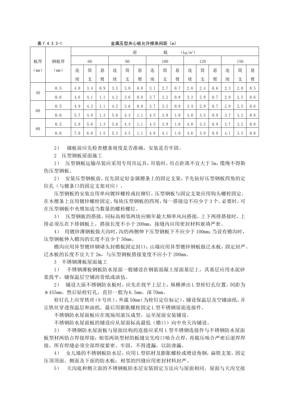
7.4金属板材屋面本节适用于防水等级为Ⅰ~Ⅲ级的屋面。7.4.1施工准备7.4.1.1技术准备参见本标准3.0.3相关内容。7.4.1.2材料准备1金属板材的种类很多,有锌版、镀铝锌板、铝合金板、铝镁合金板、钛合金板、铜板、不锈钢板、金属压型夹心板等,厚度一般为0.4~1.5mm,板的表面一般进行涂装处理。2金属板材连接件。3密封材料。7.4.1.3机具准备1机械设备拉铆机、手提式点焊机、手推式辊压机、手推式切割机、不锈钢片成型机、冲击钻。2主要工具卷尺、粉线袋、木锤、铁锤、鸭嘴钳、大力钳、木梯、防滑带、安全带。7.4.1.4作业条件参照本标准7.2.1.4相关内容。7.4.2材料质量控制7.4.2.1根据设计要求选用边缘整齐,表明光滑,色泽均匀,外形规则,不得有扭翘、脱膜和锈蚀等缺陷。7.4.2.2金属压型夹心板堆放地点宜选择在安装现场附近,堆放场地应平坦、坚实,且便于排除地面水。堆放时应分层,并宜每3~5m加放垫木。7.4.2.3金属板材的规格、性能应符合附录M.3的要求,并有出厂合格证。7.4.2.4连接件及密封材料应符合有关材料要求。7.4.2.5不锈钢薄板不应先加工成型送到现场,应为卷状库存,使用时现场边滚压、成型,边施工安装。滚压、成型的不锈钢型材,应边缘整齐,尺寸规格精确,两肋宽窄一致,完整无损,不得有扭翘、变型、孔洞等缺陷。堆放不宜过高,防止损坏型材。7.4.3施工工艺7.4.3.1工艺流程1压型钢板屋面流程基层清理验收→镀锌薄钢板天沟制作安装(钢筋混凝土天沟做防水层)→檀条压型板屋面支架固定→压型钢板吊运铺设固定→压型钢板固定螺栓板缝填密封胶→泛水板固定嵌密封胶→淋水试验→检查验收2不锈钢板屋面施工流程基层验收清理→找平层弹纵横、螺栓固线—在纵横交叉处钻栓钉孔插定位铁丝→铺设泡沫保温板、聚乙烯泡沫板(定位铁丝穿透)→空铺沥青油纸→刮连接件固定→不锈钢钢板滚压加工→大面积不锈钢板防水铺设固定→女儿墙天沟等细部不锈钢板防水层铺设固定→嵌填接缝固定螺栓密封胶→淋水试验→检查验收7.4.3.2施工要点1檩条施工1)檩条的规格和间距应根据结构计算确定,每块屋面板端除应设置檩条支承外,中间还应设置1根或1根以上檩条。檩条间距可参考表7.4.3.2-1。2)铺板前应先检查檩条坡度是否准确,安装是否牢固。2压型钢板屋面施工1)压型钢板运输吊装应采用专用吊运具,吊装时,吊点距离不宜大于5m,缆绳不得勒伤压型钢板。2)安装压型钢板前,宜先固定好金属檩条上的固定支架,予先钻好压型钢板四角的定位孔(与檩条口的固定支架对应)。压型钢板的安装宜用单向镀锌螺栓或拉铆钉,压型钢板与固定支架应用钩头螺栓固定。在木檀条上宜用镀锌螺栓固定,每块压型钢板的四周,每一搭接边不应少于3个。必要时,可在压型钢板中央增加适当数量的螺栓螺钉。3)压型钢板的搭接,同标高相邻两块应顺年最大频率风向搭接,上下两排搭接时,上排必须压在下排钢板上,搭接长度不小于200mm,接缝内应用密封材料嵌填严密。4)用镀锌薄钢板做天沟时,沟的两侧伸下压型钢板下不应少于100mm;当设有檐沟时,压型钢板伸入檐沟的长度不宜少于50mm。檐沟应用异型镀锌钢堵头封檐板固定封口;山墙应用异型镀锌钢板做泛水板,固定封严。泛水板的长度不宜大于2m,与压型钢板搭接宽度不应小于200mm。3不锈钢薄板屋面施工1)不锈钢薄板钢板防水屋面一般铺设在钢筋混凝土屋面基层上,其基层应用水泥砂浆找平,铺保温层空铺沥青纸或油毡。2)铺设大面不锈钢防水板时,应先在找平上层上,纵横弹出L型栓钉孔位置,间距为φ455mm,然后钻栓钉孔,直径一般为6.5mm,深70mm。栓钉孔上应穿铁丝(8号丝),外露50mm(为栓钉定位标记),铺设保温层及空铺油纸,并让铁丝穿透保温层和油纸,最后用膨胀螺栓固定L型不锈钢屋面连接件。不锈钢防水屋面板应在现场用滚压成型,运至屋面安装铺设。不锈钢防水屋面板的铺设应从屋面标高最低(檐口)向中央天沟铺设。3)不锈钢防水屋面板与屋面结构的连接应采用L型不锈钢连接件与不锈钢防水屋面板型材两肋点焊接焊接;相邻两块型材的板缝宜先咬口啮合点焊,再辊压啮合严密后滚焊焊接,所有焊缝必须全部焊接紧密、牢固,不得遗漏,以防渗漏。4)女儿墙的不锈钢板...

1、当您付费下载文档后,您只拥有了使用权限,并不意味着购买了版权,文档只能用于自身使用,不得用于其他商业用途(如 [转卖]进行直接盈利或[编辑后售卖]进行间接盈利)。
2、本站所有内容均由合作方或网友上传,本站不对文档的完整性、权威性及其观点立场正确性做任何保证或承诺!文档内容仅供研究参考,付费前请自行鉴别。
3、如文档内容存在违规,或者侵犯商业秘密、侵犯著作权等,请点击“违规举报”。

碎片内容

屋面技术质量规范doc

您可能关注的文档

书海行舟+ 关注
实名认证
内容提供者

热爱教学事业,对互联网知识分享很感兴趣

确认删除?
VIP
微信客服
  • 扫码咨询
会员Q群
  • 会员专属群点击这里加入QQ群
客服邮箱
回到顶部