电脑桌面
添加小米粒文库到电脑桌面
安装后可以在桌面快捷访问

工字钢尺寸规格表VIP免费

工字钢尺寸规格表_第1页
1/4
工字钢尺寸规格表_第2页
2/4
工字钢尺寸规格表_第3页
3/4
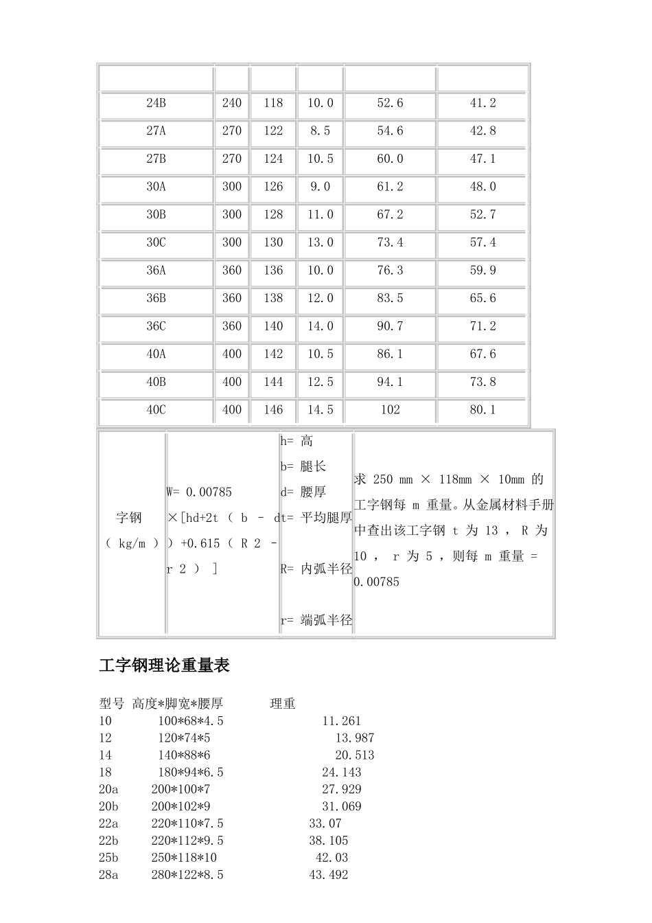
工字钢规格表及工字钢理论重量表工字钢也称钢梁,是截面为工字形的长条钢材。其规格以腰高(h)*腿宽(b)*腰厚(d)的毫数表示,如“工160*88*6”,即表示腰高为160毫米,腿宽为88毫米,腰厚为6毫米的工字钢。工字钢的规格也可用型号表示,型号表示腰高的厘米数,如工16#。腰高相同的工字钢,如有几种不同的腿宽和腰厚,需在型号右边加abc予以区别,如32a#32b#32c#等。工字钢分普通工字钢和轻型工字钢,热轧普通工字钢的规格为10-63#。经供需双方协议供应的热轧普通工字钢规格为12-55#。工字钢广泛用于各种建筑结构、桥梁、车辆、支架、机械等。品名型号明细规格理论重量工字钢10#100*63*4.511.261工字钢12#120*74*5.013.987工字钢14#140*80*5.516.89工字钢16#160*88*6.020.513工字钢18#180*94*6.524.143工字钢20#A200*100*7.027.929工字钢20#B200*102*9.031.069工字钢22#A220*110*7.533.07工字钢22#B220*112*9.536.542工字钢25#A250*116*8.038.105工字钢25#B250*118*10.042.03工字钢28#A280*122*8.543.492工字钢28#B280*124*10.547.888工字钢30#A300*126*9.048.084工字钢30#B300*128*11.052.794工字钢30#C300*130*1357.504工字钢32#A320*130*9.552.717工字钢32#B320*132*11.557.741工字钢32#C320*134*13.562.765工字钢36#A360*136*10.060.037工字钢36#B360*138*12.065.689工字钢36#C360*140*1471.341工字钢40#A400*142*10.567.598工字钢40#B400*144*12.573.878工字钢40#C400*146*14.580.158工字钢45#A450*150*11.580.42工字钢45#B450*152*13.587.485工字钢45#C450*154*15.594.55工字钢56#A560*166*12.5106.316工字钢56#B560*168*14.5115.108工字钢56#C560*170*16.5123.9工字钢63#A630*176*13121.407工字钢63#B630*178*15131.298工字钢63#C630*180*17141.189工字钢尺寸规格表工字钢型号尺寸(mm)截面面积(cm2)重量(kg/m)高腿宽腹厚10100684.514.311.212120745.017.814.014140805.521.516.916160886.026.120.518180946.530.624.120A2001007.035.527.920B2001029.039.531.122A2201107.542.033.022B2201129.546.436.424A2401168.047.737.424B24011810.052.641.227A2701228.554.642.827B27012410.560.047.130A3001269.061.248.030B30012811.067.252.730C30013013.073.457.436A36013610.076.359.936B36013812.083.565.636C36014014.090.771.240A40014210.586.167.640B40014412.594.173.840C40014614.510280.1字钢(kg/m)W=0.00785×[hd+2t(b–d)+0.615(R2–r2)]h=高b=腿长d=腰厚t=平均腿厚R=内弧半径r=端弧半径求250mm×118mm×10mm的工字钢每m重量。从金属材料手册中查出该工字钢t为13,R为10,r为5,则每m重量=0.00785工字钢理论重量表型号高度*脚宽*腰厚理重10100*68*4.511.26112120*74*513.98714140*88*620.51318180*94*6.524.14320a200*100*727.92920b200*102*931.06922a220*110*7.533.0722b220*112*9.538.10525b250*118*1042.0328a280*122*8.543.49228b280*124*10.547.88830a300*126*948.08430b300*128*1152.79430c300*130*1352.71732b320*132*11.557.74132c320*134*13.562.76536a360*136*1060.03736b360*138*1265.68936c360*140*1471.34140a400*142*10.567.59840b400*144*12.573.87840c400*146*14.580.15845a450*150*11.580.4245b450*152*13.587.48545c450*154*15.594.5556a560*166*12.5106.31656b560*168*14.5115.10856c560*170*16.5123.963a630*176*13121.40763b630*178*15131.29863c630*180*17141.189

1、当您付费下载文档后,您只拥有了使用权限,并不意味着购买了版权,文档只能用于自身使用,不得用于其他商业用途(如 [转卖]进行直接盈利或[编辑后售卖]进行间接盈利)。
2、本站所有内容均由合作方或网友上传,本站不对文档的完整性、权威性及其观点立场正确性做任何保证或承诺!文档内容仅供研究参考,付费前请自行鉴别。
3、如文档内容存在违规,或者侵犯商业秘密、侵犯著作权等,请点击“违规举报”。

碎片内容

工字钢尺寸规格表

您可能关注的文档

确认删除?
VIP
微信客服
  • 扫码咨询
会员Q群
  • 会员专属群点击这里加入QQ群
客服邮箱
回到顶部