电脑桌面
添加小米粒文库到电脑桌面
安装后可以在桌面快捷访问

台阶零件车削教案VIP免费

台阶零件车削教案_第1页
1/3
台阶零件车削教案_第2页
2/3
台阶零件车削教案_第3页
3/3
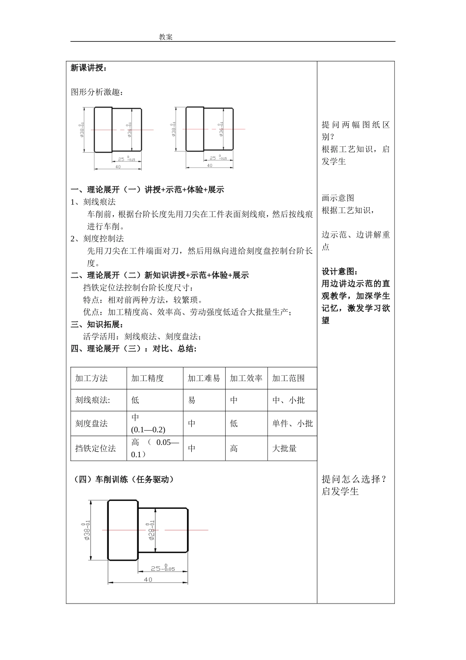
教案授课教师公佩波授课班级12级数控班授课章节第三章第3节授课题目台阶的车削方法教学地点实训室授课方式(请打√)理论课□讨论课□实训课□其他□课时安排1授课时间2012年11月教学分析教材分析:《车工工艺学》是机械工业出版社,中等职业教育机电类专业“十一五”规划教材主编杜俊伟学情分析:通过本课题的练习,使学生在前面课题的基础上,掌握车削台阶时控制长度的有效方法,做到方法得当,综合灵活应用;要求学生养成先对工件进行工艺分析,然后选择合适加工方法的习惯;教学目标认知目标:(知识)1.熟悉车削台阶的基本知识;2.掌握车削台阶时控制长度常用方法及其优点;3.手动车削。能力目标:(专业能力、方法能力、社会能力)1.尺寸控制能力2.合理安排阶台加工路线能力。3.培养学生分析问题、解决问题的能力。素质目标:1.提升学习成就感。2.培养良好的工作作风。3.扮演职工角色培养团队合作精神。教学重点:台阶长度控制方法;教学难点台阶长度控制方法综合、灵活应用;教学设计复习导入,新课讲授应用任务驱动法组织教学,在学生明确教学任务的基础上,教师进行实例分析、操作演示教学,进一步落实教学目标。学法设计积极参与课堂教学中,通过分析加工工件、观察教师操作演示、课堂技能训练等学习方法,掌握本节课教学目标。教学准备环境:数控车实训区设备工具:CA6140机床量具、刀具材料:铝棒教学内容(任务)及过程设计教学组织、教学方法或采取的措施与手段和时间分配复习导入:1、车削外圆时如何保证精度?2、刀具选择?提问并提示由学生回答两个问题教案新课讲授:图形分析激趣:一、理论展开(一)讲授+示范+体验+展示1、刻线痕法车削前,根据台阶长度先用刀尖在工件表面刻线痕,然后按线痕进行车削。2、刻度控制法先用刀尖在工件端面对刀,然后用纵向进给刻度盘控制台阶长度。二、理论展开(二)新知识讲授+示范+体验+展示挡铁定位法控制台阶长度尺寸:特点:相对前两种方法,较繁琐。优点:加工精度高、效率高、劳动强度低适合大批量生产;三、知识拓展:活学活用:刻线痕法、刻度盘法;四、理论展开(三):对比、总结:加工方法加工精度加工难易加工效率加工范围刻线痕法:低易中中、小批刻度盘法中(0.1—0.2)中低单件、小批挡铁定位法高(0.05—0.1)中高大批量(四)车削训练(任务驱动)提问两幅图纸区别?根据工艺知识,启发学生画示意图根据工艺知识,边示范、边讲解重点设计意图:用边讲边示范的直观教学,加深学生记忆,激发学习欲望提问怎么选择?启发学生教案课堂小结:1、台阶长度控制方法及特点;2、重申安全文明实习的重要性;3、指出实习操作中的的普遍问题及解决措施。课后作业及预习:1、理论基础知识方面:P55页4、5;2、思考与拓展:分析图形并写出加工方案;板书设计(教学反思)教后记本课题应用了问题驱动、演示教学等方法。通过简单轴的加工,分析了台阶长度的控制方法,及其特点,包括加工工艺分析、切削用量的合理选择,通过教师的示范演示,和在演示过程中的互动交流,同学们基本掌握了加工的一般过程和思路,通过分组练习和考核说明来实现教学目标;

1、当您付费下载文档后,您只拥有了使用权限,并不意味着购买了版权,文档只能用于自身使用,不得用于其他商业用途(如 [转卖]进行直接盈利或[编辑后售卖]进行间接盈利)。
2、本站所有内容均由合作方或网友上传,本站不对文档的完整性、权威性及其观点立场正确性做任何保证或承诺!文档内容仅供研究参考,付费前请自行鉴别。
3、如文档内容存在违规,或者侵犯商业秘密、侵犯著作权等,请点击“违规举报”。

碎片内容

台阶零件车削教案

确认删除?
VIP
微信客服
  • 扫码咨询
会员Q群
  • 会员专属群点击这里加入QQ群
客服邮箱
回到顶部