电脑桌面
添加小米粒文库到电脑桌面
安装后可以在桌面快捷访问

蜗杆传动教案VIP免费

蜗杆传动教案_第1页
1/4
蜗杆传动教案_第2页
2/4
蜗杆传动教案_第3页
3/4
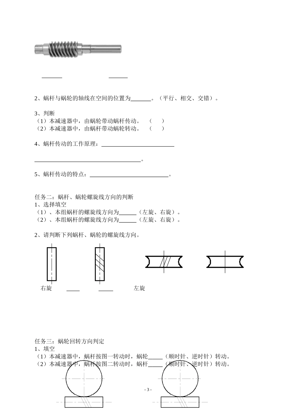
公开课教案授课章节名称模块四蜗杆传动任务一分析蜗轮减速器的运动授课教师钱志芳开课范围市级授课时间2011.12.8授课地点多媒体室授课类型任务驱动课时1教学目标知识目标:1、了解蜗杆传动的原理;2、了解蜗杆传动的组成;3、了解蜗杆的特点;4、掌握蜗杆传动中蜗杆、蜗轮螺旋线方向的判断及蜗轮回转方向的判定。能力目标:发挥学生的动手实践能力,培养学生分析问题、解决问题的能力。情感目标:养成认真细致的学习习惯和刻苦钻研的精神,培养团队协作精神。教学重点1、蜗杆、蜗轮螺旋线方向的判断;2、蜗轮回转方向的判定。教学难点1、蜗杆、蜗轮螺旋线方向的判断;2、蜗轮回转方向的判定。教学环节教学内容教师活动学生活动复习导入复习内容:齿轮传动的类型有哪些?导入新课:减速器传动机构中,平行轴间的传动用圆柱齿轮传动,相交轴间的传动用圆锥齿轮传动,那空间两交错轴间的运动是用什么来传递运动的呢?课件演示教师引导学生回答教学环节教学内容教师活动学生活动-1-任务引领学习任务一:认识蜗杆传动1、组成:蜗杆和蜗轮组成。2、原理:主要用于传递空间交错两轴间的运动和动力,通常两轴夹角是90°,蜗杆为主动件,蜗轮为从动件。。3、特点:传动比大,结构紧凑;传动平稳,噪声小;有自锁性,可防止负载反转。学习任务二:判断蜗轮和蜗杆的螺旋线方向蜗杆蜗轮有左旋和右旋,一般为右旋,并且一对啮合的蜗杆、蜗轮旋向相同。右手法则:手心对着自己,四个手指顺着蜗杆或蜗轮轴线方向摆正,若齿向与右手拇指指向一致,则该蜗杆或蜗轮为右旋,反之为左旋。学习任务三:蜗轮回转方向的判断左、右手法则:当蜗杆是左旋(或右旋)时,伸出右手(或左手)半握拳,使四指顺着蜗杆的回转方向,蜗轮在啮合处的回转方向与大拇指指向相反。看拆开的减速器演示PPT模型演示演示PPT演示PPT双手演示学生观看听课、笔记听课、笔记听课,和老师一起演示任务实施任务一:在作业纸上完成填空题。任务二:在作业纸上画出相应的螺旋线方向,并判断蜗轮蜗杆的螺旋线方向。任务三:在作业纸上分析蜗轮蜗杆的运动情况,并判断蜗轮蜗杆的回转方向。课前准备好作业纸课上教师巡视教师评分小组分组练习完成工作纸小组评分小组代表上台演示。任务评价小结:认识蜗杆传动,蜗轮、蜗杆螺旋线的判断方法和蜗轮回转方向的判断方法。演示PPT说明评价要求小组代表总结完成自评和小组评分布置作业布置作业:完成作业纸。注:纸张规格要求:A4学生工作页任务一:认识蜗杆传动1、请填写下列零件名称。-2-2、蜗杆与蜗轮的轴线在空间的位置为。(平行、相交、交错)。3、判断(1)本减速器中,由蜗轮带动蜗杆传动。()(2)本减速器中,由蜗杆带动蜗轮转动。()4、蜗杆传动的工作原理:。5、蜗杆传动的特点:。任务二:蜗杆、蜗轮螺旋线方向的判断1、选择填空(1)、本组蜗杆的螺旋线方向为(左旋、右旋)。(2)、本组蜗杆的螺旋线方向为(左旋、右旋)。2、请判断下列蜗杆、蜗轮的螺旋线方向。右旋左旋任务三:蜗轮回转方向判定1、填空(1)本减速器中,蜗杆按图一转动时,蜗轮(顺时针、逆时针)转动。(2)本减速器中,蜗杆按图二转动时,蜗杆(顺时针、逆时针)转动。-3-图一图二2、请判断下列蜗轮的回转方向,在图上标出。(1)、(2)、(3)(4)序号姓名学生自评组长评分教师评分优秀良好合格不合格优秀良好合格不合格优秀良好合格不合格评价要求:1、答对21——19题为优秀。2、答对18——16题为良好。3、答对15——13题为合格。4、答对13题以下为不合格。-4-

1、当您付费下载文档后,您只拥有了使用权限,并不意味着购买了版权,文档只能用于自身使用,不得用于其他商业用途(如 [转卖]进行直接盈利或[编辑后售卖]进行间接盈利)。
2、本站所有内容均由合作方或网友上传,本站不对文档的完整性、权威性及其观点立场正确性做任何保证或承诺!文档内容仅供研究参考,付费前请自行鉴别。
3、如文档内容存在违规,或者侵犯商业秘密、侵犯著作权等,请点击“违规举报”。

碎片内容

蜗杆传动教案

确认删除?
VIP
微信客服
  • 扫码咨询
会员Q群
  • 会员专属群点击这里加入QQ群
客服邮箱
回到顶部