电脑桌面
添加小米粒文库到电脑桌面
安装后可以在桌面快捷访问

上海市旅馆、商务楼安全防范验收标准VIP免费

上海市旅馆、商务楼安全防范验收标准_第1页
1/7
上海市旅馆、商务楼安全防范验收标准_第2页
2/7
上海市旅馆、商务楼安全防范验收标准_第3页
3/7
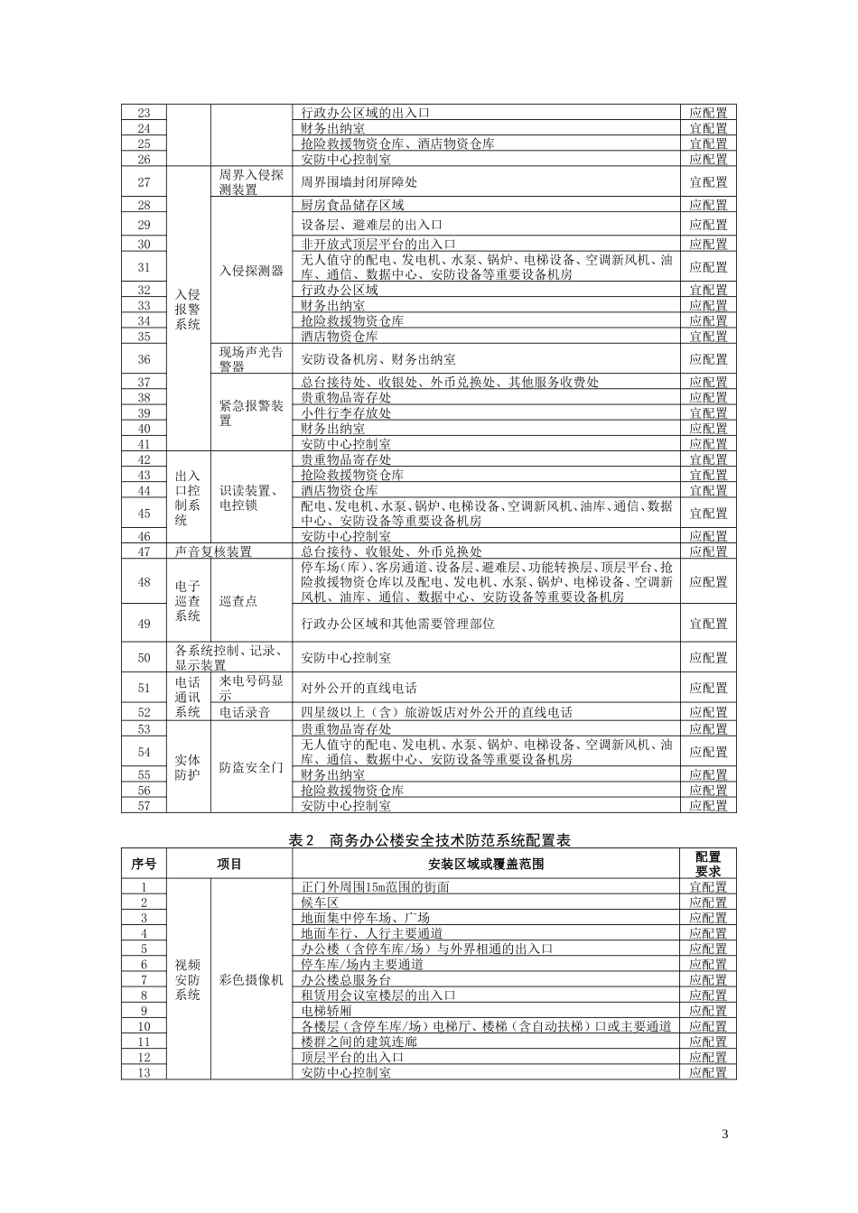
1重点单位重要部位安全技术防范系统要求第8部分:旅馆、商务办公楼1.范围本标准规定了本市旅馆、商务办公楼安全技术防范系统设计、评审、施工、检验、验收和维护的要求。本标准适用于本市设有30间(套)客房或50个床位以上的旅馆,以及500m2(含)以上商务办公楼的安全技术防范。旧房利用、房屋租赁改建或扩建的,安全技术防范系统应按本标准进行设计、施工。规模租赁房,度假村、培训中心、会员制俱乐部、休闲娱乐场所的住宿部分以及设有30间(套)客房或50个床位以下旅馆的安全技术防范系统参照本标准。2.规范性引用文件下列文件对于本标准的应用是必不可少的。凡是注日期的引用文件,仅注日期的版本适用于本标准。凡是不注日期的引用文件,其最新版本(包括所有的修改单)适用于本标准。GB12663防盗报警控制器通用技术条件GB12899手持式金属探测器技术要求GB15208微剂量X射线安全检查设备GB15210通过式金属探测门通用技术条件GB17565防盗安全门通用技术条件GB20815-2006视频安防监控数字录像设备GB50198-2011民用闭路监视电视系统工程技术规范GB50343建筑物电子信息系统防雷技术规范GB50348-2004安全防范工程技术规范GB50394入侵报警系统工程设计规范GB50395视频安防监控系统设计规范GB50396出入口控制系统设计规范GB/T14308旅游饭店星级的划分与评定GB/T15408安全防范系统供电技术要求GB/T28181安全防范视频监控联网系统信息传输、交换、控制技术要求GA308安全技术防范系统验收规则GA/T75安全防范工程程序与要求GA/T367视频安防监控系统技术要求GA/T368入侵报警系统技术要求GA/T394出入口控制系统技术要求GA/T669.1城市监控报警系统技术标准第1部分:通用技术要求GA/T751视频图像文字标注规范DG/T08-2054-2013J11399-2013涉外建设项目视频安防监控系统设计规范3.术语和定义下列术语与定义适用于本标准3.1旅馆利用专门住宿设施,主要以日为计费单位,提供住宿服务的经营场所。3.2商务办公楼整体由统一的物业管理,以商务为主,有一定的物管配套措施,由一种或数种单元办公平面组成的自购或租赁的办公建筑。3.3规模租赁房2由独栋(或相对独立的楼层)闲置建筑改建的,房间在50间(含)以上,居住总面积在1000m2(含)以上,面向不特定人群集中居住的房屋。3.4公寓式酒店按公寓式(单元式)分隔出租的酒店。3.5候车区旅馆、商务办公楼人员(包括旅馆的团队旅客)上下车辆的专属区域。3.6人员身份数据采集传输控制系统设置在商务办公楼人员进入办公区域的出入口用以采集识别人员身份并进行加解密、汇总、分发等功能的专用操作管理系统。4.系统设计和施工要求4.1总体要求4.1.1安全技术防范系统的建设,应纳入工程建设的总体规划,并综合设计、同步施工、独立验收、同时交付使用。4.1.2安全技术防范系统的建设程序应符合GA/T75的规定。4.1.3安全技术防范系统的设计原则应符合GB50348的规定,安全技术防范系统的供电设计应符合GB15408的规定。4.1.4安全技术防范系统中使用的设备应符合国家法规和现行相关技术标准与规范性要求,并经生产登记批准或型式检验、认证合格。4.1.5安全技术防范系统的设计宜同本市监控报警联网系统的建设相协调、配套,作为社会监控报警接入资源时,其网络接口、性能要求应符合GB/T28181、GA/T669.1等相关标准要求。4.1.6旅馆重要部位应根据表1的要求设置安全技术防范系统,商务办公楼重要部位应根据表2的要求设置安全技术防范系统。涉外旅馆、商务办公楼安全技术防范系统配置除满足本标准外,还应符合DG/TJ08-2054-2013的相关规定。旅馆、商务办公楼内的其他涉及重点单位重要部位管理的,应按照相关标准要求设置安全技术防范系统。4.1.7安全技术防范系统工程的建设,除执行本标准外,还应符合国家现行工程建设标准及有关技术标准、规范和规定。表1旅馆安全技术防范系统配置表序号项目安装区域或覆盖范围配置要求1视频安防监控系统彩色摄像机正门外周围15m范围的街面宜配置2候车区应配置3地面集中停车场、广场应配置4地面人(车)行主要通道、现金押运通道应配置5旅馆(含停车库/场)与外界相通的出入口应配置6停车库/场内主要通道应配置7体育、康乐场所的出入口...

1、当您付费下载文档后,您只拥有了使用权限,并不意味着购买了版权,文档只能用于自身使用,不得用于其他商业用途(如 [转卖]进行直接盈利或[编辑后售卖]进行间接盈利)。
2、本站所有内容均由合作方或网友上传,本站不对文档的完整性、权威性及其观点立场正确性做任何保证或承诺!文档内容仅供研究参考,付费前请自行鉴别。
3、如文档内容存在违规,或者侵犯商业秘密、侵犯著作权等,请点击“违规举报”。

碎片内容

上海市旅馆、商务楼安全防范验收标准

您可能关注的文档

确认删除?
VIP
微信客服
  • 扫码咨询
会员Q群
  • 会员专属群点击这里加入QQ群
客服邮箱
回到顶部