电脑桌面
添加小米粒文库到电脑桌面
安装后可以在桌面快捷访问

水上吊装作业安全交底VIP免费

水上吊装作业安全交底_第1页
1/19
水上吊装作业安全交底_第2页
2/19
水上吊装作业安全交底_第3页
3/19
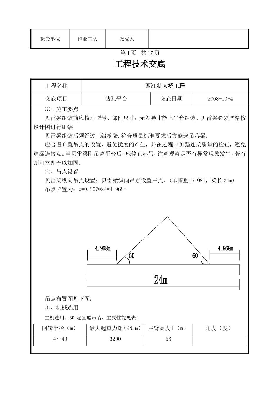
广州至珠海新建铁路复工工程SG-3标段技术交底(水上吊装作业)K72+713.11中铁二十二局集团有限公司广珠铁路三标段工程指挥部中国广东·鹤山工程技术交底工程名称西江特大桥工程交底项目钻孔平台交底日期2008-10-4一、计划交底工程数量:138#~144#钻孔平台及栈桥钢管桩、钢护筒及贝雷梁吊装作业。计划工期:2008-10-4~2008-11-30。二、施工交底㈠、贝雷梁吊装1、概述本方案主要考虑24m长一联贝雷梁的吊装。一联24m贝雷梁按6.98t进行计算。计算依据:《起重吊装常用数据手册》《建筑施工计算手册》《钢结构设计规范》(GB50017-2003)2、吊装施工方案本工程贝雷梁采取一次性吊装施工方案,即理论计算满足要求和吊装方案满足安全施工要求。根据上述特点和以往施工经验,采取抬吊二点吊装、整体落梁的吊装方案。吊装设备选用50t起重船吊装。⑴、贝雷梁吊装方法贝雷梁吊放采用50t起重船吊装。起吊时必须使吊钩中心与贝雷梁重心相重合,保证起吊平衡。贝雷梁吊放具体分六步走:第一步:指挥转移到起吊位置,起重工分别安装吊点的卸扣。第二步:检查二吊点钢丝绳的安装情况及受力重心后,开始同时平吊。第三步:贝雷梁吊至离地面0.3m~0.5m后,应检查贝雷梁是否平稳后主钩起钩。第四步:贝雷梁吊起后,主钩匀速起钩。第五步:指挥吊机吊笼入孔、定位,吊机走行应平稳,贝雷梁上应拉牵引绳。下放时不得强行落梁。第六步:指挥起重工卸除贝雷梁上的吊环。交底单位中铁二十二局集团有限公司广珠铁路三标段工程指挥部二项目部交底人接受单位作业二队接受人第1页共17页工程技术交底工程名称西江特大桥工程交底项目钻孔平台交底日期2008-10-4⑵、施工要点贝雷梁组装前应核对型号、部件尺寸,无差异才能上平台组装。贝雷梁必须严格按设计图进行组装。贝雷梁组装后须经过三级检验,符合质量标准要求后方能起吊落梁。应合理布置吊点的设置,避免扰度的产生,并在过程中加强连接质量的检查,避免遗漏连接点。当贝雷梁刚吊离平台后,应停止起吊,注意观察是否有异常现象发生,若有则可立即予以加固。⑶、吊点设置贝雷梁纵向吊点设置:贝雷梁纵向吊点设置三点。(单幅重:6.98T,梁长24m)吊点位置为:x=0.207*24=4.968m吊点布置图见下图:⑷、机械选用主机选用:50t起重船吊装,主要性能见表:回转半径(m)最大起重力矩(KN.m)主臂高度H(m)角度(度)4~40320056交底单位中铁二十二局集团有限公司广珠铁路三标段工程指挥部二项目部交底人接受单位作业二队接受人第2页共17页工程技术交底工程名称西江特大桥工程交底项目钻孔平台交底日期2008-10-4⑸、吊点吊环验算主吊点钢筋取φ20。主吊点,全荷载吊环钢筋验算Ag=K×G/(n×2×Rg)×sinαAg吊点钢筋(cm2)K取1.5G重量(kg)=5200kgα=90度n吊点系数取2Rg钢筋取1250kg/cm2Ag=2.42cm2D=2.77cm,取3cm,3cm>2.77cm,符合要求,主副吊点吊钩相同均设30mm圆钢。⑹、钢丝绳强度验算钢丝绳采用6×19+1,公称强度为1700MPa,安全系数K取5。钢丝绳验算S=Q/n*1/sinα=69800/2*1/sin60=40299kN吊重:Q1=Q+G吊=2*4.03t+1t=9.06t钢丝绳直径:12.5mm,[T]=9.73t钢丝绳:T=Q1=9.06t<[T]满足要求㈡、钢护筒吊装1、概述本方案按1根12m长最重钢护筒φ3.1m壁厚16mm重14.6t进行计算。计算依据:《起重吊装常用数据手册》《建筑施工计算手册》《钢结构设计规范》(GB50017-2003)2、吊装施工方案交底单位中铁二十二局集团有限公司广珠铁路三标段工程指挥部二项目部交底人接受单位作业二队接受人第3页共17页工程技术交底工程名称西江特大桥工程交底项目钻孔平台交底日期2008-10-4本工程钢护筒采取一次性吊装施工方案,即理论计算满足要求和吊装方案满足安全施工要求。根据上述特点和以往施工经验,采取抬吊一点吊装方案。吊装设备选用50t起重船吊装。⑴、钢护筒吊装方法钢护筒吊放采用50t起重船吊装。起吊时必须使吊钩中心与钢护筒重心相重合,保证起吊平衡。钢护筒吊放具体分六步走:第一步:指挥转移到起吊位置,起重工分别安装吊点的卸扣。第二步:检查吊点钢丝绳的安装情况及受力重心后,开始同时平吊。第三步:钢护筒吊至离地面0.3m~0.5m后,应检查钢护筒是否平稳...

1、当您付费下载文档后,您只拥有了使用权限,并不意味着购买了版权,文档只能用于自身使用,不得用于其他商业用途(如 [转卖]进行直接盈利或[编辑后售卖]进行间接盈利)。
2、本站所有内容均由合作方或网友上传,本站不对文档的完整性、权威性及其观点立场正确性做任何保证或承诺!文档内容仅供研究参考,付费前请自行鉴别。
3、如文档内容存在违规,或者侵犯商业秘密、侵犯著作权等,请点击“违规举报”。

碎片内容

水上吊装作业安全交底

书海行舟+ 关注
实名认证
内容提供者

热爱教学事业,对互联网知识分享很感兴趣

确认删除?
VIP
微信客服
  • 扫码咨询
会员Q群
  • 会员专属群点击这里加入QQ群
客服邮箱
回到顶部