电脑桌面
添加小米粒文库到电脑桌面
安装后可以在桌面快捷访问

梯形螺纹车削VIP免费

梯形螺纹车削_第1页
1/6
梯形螺纹车削_第2页
2/6
梯形螺纹车削_第3页
3/6
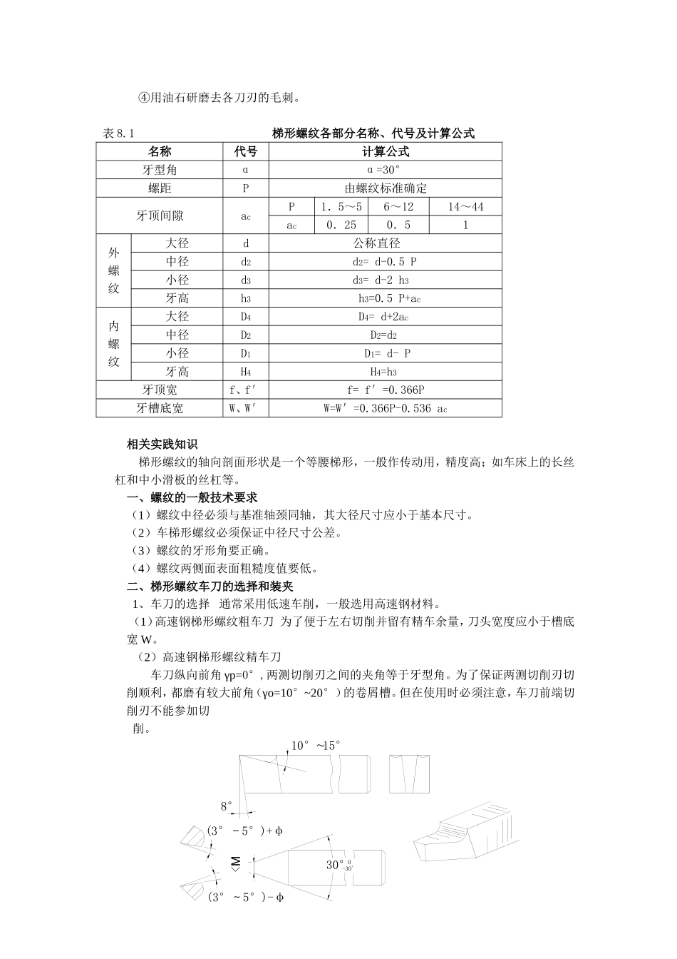
模块一:车削加工梯形螺纹相关理论知识一、梯形螺纹的尺寸计算国家标准规定梯形螺纹的牙型角为30°。下面就介绍30°牙型角的梯形螺纹。30°梯形螺纹(以下简称梯形螺纹)的代号用字母“Tr”及公称直径×螺距表示,单位均为mm。左旋螺纹需在尺寸规格之后加注“LH”,右旋则不注出。例如Tr36×6等。图8.1梯形螺纹的牙型二、梯形螺纹车刀车刀分粗车刀和精车刀两种。⑴.梯形螺纹车刀的角度。①.两刃夹角粗车刀应小于牙型角,精车刀应等于牙形角。②.刀尖宽度粗车刀的刀尖宽度应为1/3螺距宽。精车刀的刀尖宽应等于牙底宽减0.05㎜。③纵向前角粗车刀一般为15左右,精车刀为了保证牙型角正确,前角应等于0,但实际生产时取5°~10°。④纵向后角一般为6°~8°。⑤两侧刀刃后角a1=(3°~5°)+φa2=(3°~5°)-φ⑵梯形螺纹的刃磨要求。①用样板校对刃磨两刀刃夹角。图示8.2图8.2样板②有纵向前角的两刃夹角应进行修正。③车刀刃口要光滑、平直、无虚刃,两侧副刀刃必须对称刀头不能歪斜。外螺纹内螺纹dd2d3Zh3R1R130°PR2acH4D1D2、d2D4梯形螺纹牙型④用油石研磨去各刀刃的毛刺。表8.1梯形螺纹各部分名称、代号及计算公式名称代号计算公式牙型角αα=30°螺距P由螺纹标准确定牙顶间隙acP1.5~56~1214~44ac0.250.51外螺纹大径d公称直径中径d2d2=d-0.5P小径d3d3=d-2h3牙高h3h3=0.5P+ac内螺纹大径D4D4=d+2ac中径D2D2=d2小径D1D1=d-P牙高H4H4=h3牙顶宽f、f′f=f′=0.366P牙槽底宽W、W′W=W′=0.366P-0.536ac相关实践知识梯形螺纹的轴向剖面形状是一个等腰梯形,一般作传动用,精度高;如车床上的长丝杠和中小滑板的丝杠等。一、螺纹的一般技术要求(1)螺纹中径必须与基准轴颈同轴,其大径尺寸应小于基本尺寸。(2)车梯形螺纹必须保证中径尺寸公差。(3)螺纹的牙形角要正确。(4)螺纹两侧面表面粗糙度值要低。二、梯形螺纹车刀的选择和装夹1、车刀的选择通常采用低速车削,一般选用高速钢材料。(1)高速钢梯形螺纹粗车刀为了便于左右切削并留有精车余量,刀头宽度应小于槽底宽W。(2)高速钢梯形螺纹精车刀车刀纵向前角γp=0°,两测切削刃之间的夹角等于牙型角。为了保证两测切削刃切削顺利,都磨有较大前角(γo=10°~20°)的卷屑槽。但在使用时必须注意,车刀前端切削刃不能参加切削。10°15°8°

1、当您付费下载文档后,您只拥有了使用权限,并不意味着购买了版权,文档只能用于自身使用,不得用于其他商业用途(如 [转卖]进行直接盈利或[编辑后售卖]进行间接盈利)。
2、本站所有内容均由合作方或网友上传,本站不对文档的完整性、权威性及其观点立场正确性做任何保证或承诺!文档内容仅供研究参考,付费前请自行鉴别。
3、如文档内容存在违规,或者侵犯商业秘密、侵犯著作权等,请点击“违规举报”。

碎片内容

梯形螺纹车削

您可能关注的文档

确认删除?
微信客服
  • 扫码咨询
会员Q群
  • 会员专属群点击这里加入QQ群