电脑桌面
添加小米粒文库到电脑桌面
安装后可以在桌面快捷访问

翻车机系统说明书VIP免费

翻车机系统说明书_第1页
1/8
翻车机系统说明书_第2页
2/8
翻车机系统说明书_第3页
3/8
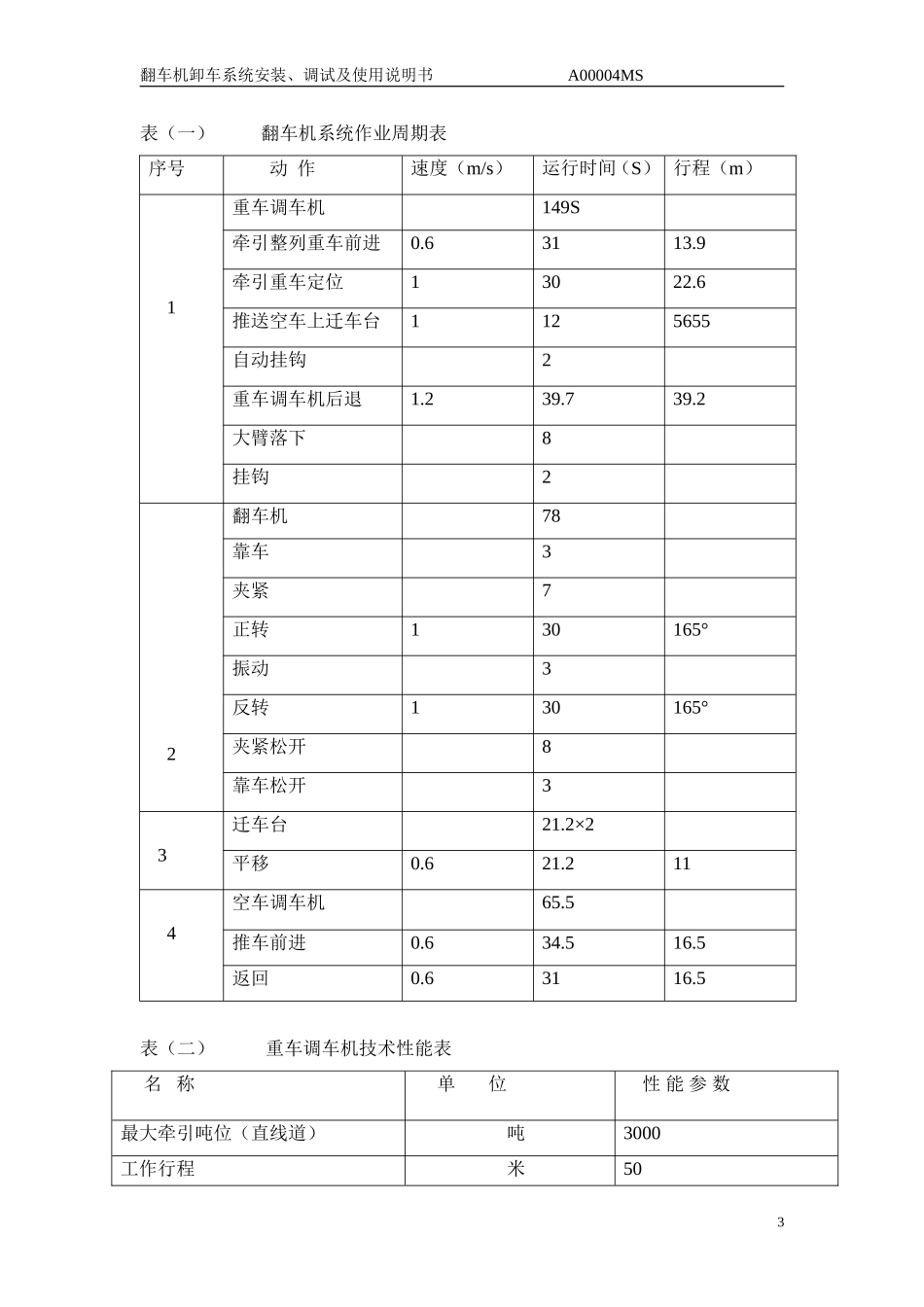
翻车机卸车系统安装、调试及使用说明书A00004MS目录1概述2系统组成3调车及翻车机作业程序4技术规范5常见故障处理1概述翻车机卸车系统是用于电厂、港口、冶金、煤炭、焦化等企业的大型自动卸1翻车机卸车系统安装、调试及使用说明书A00004MS车系统,可翻卸50t~70t铁路敞车所装载的散粒物料。该系统卸车作业能力大约为每小时24节重车。卸车系统为单机自动运行,也可就地操作,如需要可调整为全线自动运行。2系统组成该系统由翻车机、重调机及轨道装置、空调机及轨道装置、迁车台、夹轮器、洒水除尘装置、安全止挡器组成。见系统平面布置图。3调车及翻车作业程序3.1一个工作循环过程为了方便叙述翻车机及调车设备的一个工作循环的操作顺序,将前一个工作循环中停放在翻车内的空车编号为1#车,即将翻卸的为2#车,与2#车联挂的为3#车。操作过程如下:3.1.1重车调车机牵引整列车慢速前进,使2#、3#号车之间的车钩经过夹轮器中心并距夹轮器中心2370mm处停止。3.1.2夹轮器夹紧,人工将2#、3#车联挂车钩打开。3.1.3重车调车机牵引2#车前进,与1#车联接。3.1.4重车调车机牵引2#车在翻车机内定位。3.1.5重车调车机与2#车自动摘钩。3.1.6重车调车机推送1#车在迁车台内定位。3.1.7同时,翻车机进行翻车,然后回原位。3.1.8重车调车机与1#车自动摘钩。3.1.9重车调车机后退一段距离。3.1.10迁车台向空车线前进,并与空车线对位。3.1.11同时重车调车机大臂抬起。3.1.12空车调车机将空车推出迁车台,在空车线集结成列,迁车台返回重车线。3.1.13重车调车机大臂下降,然后后退与下一节车辆联挂。至此一个工作循环完毕进入下一个工作循环,如此循环作业,直至整列煤车卸完,每节车卸车周期大约149S。4技术规范4.1翻车机系统作业周期见表(一)4.2技术性能见表(二)5常见故障处理见表(三)2翻车机卸车系统安装、调试及使用说明书A00004MS表(一)翻车机系统作业周期表序号动作速度(m/s)运行时间(S)行程(m)1重车调车机149S牵引整列重车前进0.63113.9牵引重车定位13022.6推送空车上迁车台1125655自动挂钩2重车调车机后退1.239.739.2大臂落下8挂钩22翻车机78靠车3夹紧7正转130165°振动3反转130165°夹紧松开8靠车松开33迁车台21.2×2平移0.621.2114空车调车机65.5推车前进0.634.516.5返回0.63116.5表(二)重车调车机技术性能表名称单位性能参数最大牵引吨位(直线道)吨3000工作行程米503翻车机卸车系统安装、调试及使用说明书A00004MS牵引重车行走速度米/秒0.6空载返回速度米/秒1.2大臂起升时间秒8大臂落下时间秒8自动摘钩时间秒2表(二)翻车机技术性能表名称单位性能参数最大载重量吨110回转速度转/分1回转角度正常度165最大度175适用车型长毫米11938~13976宽毫米3180~3243高毫米2970~3600设备总重吨136表(二)空车调车机技术性能表名称单位性能参数最大牵引吨位(直线道)吨1200行走速度米/秒0.6走行距离米60外型尺寸(长×宽×高)毫米8185×4870×3240表(二)迁车台技术性能表名称单位性能参数4翻车机卸车系统安装、调试及使用说明书A00004MS载重正常工作时吨30事故工作时吨100运行速度米/秒0.6往返行程米11外型尺寸(长×宽×高)毫米14500×3220表(三)常见故障处理表故障现象产生原因处理方法翻车机不翻转联锁条件不具备,如:无靠车信号;无夹紧信号;油温过高或过低;光电管不导通;重车调车机大臂在翻车机内根据情况,检修调整一项;检测元件或与其对应的装置。翻车机靠板不动作1靠板原位信号丢失2油缸不动作或推力不够1检修或调整限位开关2检修液压系统翻车机夹紧架不动作1夹紧架原位信号丢失2油缸不动作或拉力不够1检修或调整限位开关2检修液压系统翻车机在165°不返回翻车机0位信号提前发出检修主令控制器电机停止转动,电压电流至零1总电源开关跳闸2过流保护动作检查开关无异常,设备无损坏时,送电源恢复过流保护继电器电机电流过高,温度升高或冒烟电机嗡嗡响不转1电机定子,转子相碰2线圈故障3散热不好4电源故障1解体检修2停止运作,更换线圈3加强通风4检查电源消除异常减速器振动大,温度高,声音异常1地脚螺栓松动2齿轮啮合不好3油位过高或过低1紧固螺栓2检修齿轮3调整油...

1、当您付费下载文档后,您只拥有了使用权限,并不意味着购买了版权,文档只能用于自身使用,不得用于其他商业用途(如 [转卖]进行直接盈利或[编辑后售卖]进行间接盈利)。
2、本站所有内容均由合作方或网友上传,本站不对文档的完整性、权威性及其观点立场正确性做任何保证或承诺!文档内容仅供研究参考,付费前请自行鉴别。
3、如文档内容存在违规,或者侵犯商业秘密、侵犯著作权等,请点击“违规举报”。

碎片内容

翻车机系统说明书

书海行舟+ 关注
实名认证
内容提供者

热爱教学事业,对互联网知识分享很感兴趣

确认删除?
VIP
微信客服
  • 扫码咨询
会员Q群
  • 会员专属群点击这里加入QQ群
客服邮箱
回到顶部