电脑桌面
添加小米粒文库到电脑桌面
安装后可以在桌面快捷访问

门槽安装流程图VIP免费

门槽安装流程图_第1页
1/13
门槽安装流程图_第2页
2/13
门槽安装流程图_第3页
3/13
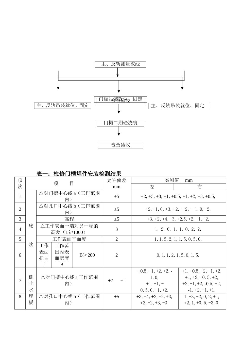
二枯金属结构安装一:金属结构安装工程概述、1.1泄洪闸门槽安装44.409t,主要用于泄洪及生态流量1.2进水口工作闸门安装76.173t,主要用于机组检修1.3进水口启闭机安装22.878t,主要用于工作闸门的启闭1.4坝顶门机安装76.595t,主要用于泄洪闸、冲砂闸、检修门的起闭及工作门油缸的检修二:门槽安装、2.1底坎安装:根据设计图纸由测量放的孔口中心线,门槽中心线和底的高程确定底坎安装位置和安装高程。孔口中心线和门槽中心线用尼龙线拉一条十字线控制板的安装位置,用水准仪放出架子的高程点(架子的高程点=安装高程点-底板厚度),架子的高程点放完毕后。首先用∠75×75的角钢焊一个架子,焊接必须牢固可靠。然后把底坎焊在架子上,再根据十字线调整位子,用水准仪测高程。高程的调整采用调整螺栓和5t千斤顶,调整完毕检查合格后进行加固,加固用φ24钢筋。待底坎完全加固合格后,双面焊接保证焊缝长度5cm,单面焊接保证焊缝长度10cm.由施工单位完成内部“三检”质量控制,经监理工程师验收合格后,通知土建回填二期砼,二期砼回填后48小时,在进行下一步工序门槽主、反轨的安装。2.2门槽主、反轨安装:主、反轨位置根据门槽中心线和孔口中心线确定,几何尺寸主要由钢尺控制。位置确定后,用调整螺栓及5t千斤顶对主、反轨垂直度进行调整,拉2条垂线制垂直度和扭曲,安装按同一高程的4根轨道同时进行调整安装,检查和验收。2.3安装主要控制指标:门槽工作面至孔口及门槽中心线的距离。止水座板对孔口中心线±3mm,对门槽中心线+2-1mm;反轨对孔口中心线±3mm,对门槽中心线+3-1mm,垂直度控制在±1mm,接头处的错位情况0.5工作表面平面度2mm。2.4侧轨安装:侧轨安装主要控制工作面到孔口中心距,垂直度,局部平面度、曲率半径。侧轨就位后,用全站仪测放出侧轨垂直度控制线和孔口跨度控制线,用尼龙线在控制线上、上下滑动,监测俩侧轨的跨距及同一高程俩侧轨工作面与门槽中心线的平行度,控制门槽垂直度和扭曲。2.5安装主要控制指标:侧轨安装主要控制好垂度和对孔口中心线,垂直度在±1mm,对孔口中心线控制在±4mm,接头处的错位情况0.5mm,工作表面平面度2mm。2.6根据设计图纸:水利水电工程闸门制造、安装及验收规范,对金属结构埋件安装进行全过程的跟踪检查质量控制。经施工单位进行内部“三检”质量控制,监理工程师验收。2.7安装流程图如下:埋件清点检查底坎吊装就位底坎吊装就位、固定底坎二期砼浇筑表一:检修门槽埋件安装检测结果项次项目允许偏差mm实测值mm左右1底坎△对门槽中心线a(工作范围内)±5+2,+3,+3,+1,+0.5,+1,+2,+3,+0.5,2△对孔口中心线b(工作范围内)±5+2,+1,0,+3,+2,-2,-1,0,-2,3高程±5+3,+2,+4,-3,+2.5,+2,+1,-2,4△工作表面一端对另一端的高差(L≥1000)31,2,0,1,1,0,2,2,5工作表面平面度21,1.5,2,1,1.5,0.5,0,6工作表面扭曲f工作范围内表面宽度BB>20020,1,1,2,1.5,0,1.5,7侧止水座板△对门槽中心线a工作范围内)+2-1+0.5,-1,+2,+2,-1,0,+1,+1,-0.5,0,+1,+2,+1,+0.5,+2,-1,+2,+1,+2,+0.5,+2,+2,-1,+2,-0.5,+2,-1,+2,-1,+1,8△对孔口中心线b(工作范围内)±5+3,-4,+2,-2,+3,+2,-2,+3,-3,1,+3,-2,0,2,+1,+2,1,+0.5,-3,0,检查验收门楣二期砼浇筑检查验收主、反轨测量放线门楣吊装就位、固定主、反轨吊装就位、固定主、反轨吊装就位、固定2,+1,+2,1,-3,+2,-0.5,-4,1,+1,2,-4,2.5,9△工作表面平面度(工作范围内)22,1.5,1,0.5,1.5,0,2,0.5,1,2,1.5,1,10△工作表面组合(工作范围内)0.50,0.5,0.5,0,0,0,0,0,0.5,0,0.5,0,11工作表面扭曲f工作范围内表面宽度BB>20010.5,1,0,1,0.5,0.5,0,1,1,0.5,0,0,12反轨△对门槽中心线a(工作范围内)+3-1+2,+1.5,-1,+3,+1,-1,-3,+2,+1.5,-1,0,+1,13△对孔口中心线b(工作范围内)±3+1,+2,-3,+2,-2,0,-2,+3,+2,-1.5+2.5,+2.5,+1,+3,+1,14△工作表面组合处的错位(工作范围内)11,0,0.5,1,0.5,0,1,1,0,1,0.5,0,1,0,1,15工作表面扭曲f工作范围内表面宽度BB>20032,0,1,1,0,2,1,2,0.5,1,1.5,2,16主轨△对门槽中心线a(工作范围内)+2-1+1,+0.5,+2,-1,+2,+1,+2,+0.5,+2,+2,-1,+2,-0.5,+2,-1,+2,-1,+1,+...

1、当您付费下载文档后,您只拥有了使用权限,并不意味着购买了版权,文档只能用于自身使用,不得用于其他商业用途(如 [转卖]进行直接盈利或[编辑后售卖]进行间接盈利)。
2、本站所有内容均由合作方或网友上传,本站不对文档的完整性、权威性及其观点立场正确性做任何保证或承诺!文档内容仅供研究参考,付费前请自行鉴别。
3、如文档内容存在违规,或者侵犯商业秘密、侵犯著作权等,请点击“违规举报”。

碎片内容

门槽安装流程图

确认删除?
VIP
微信客服
  • 扫码咨询
会员Q群
  • 会员专属群点击这里加入QQ群
客服邮箱
回到顶部