电脑桌面
添加小米粒文库到电脑桌面
安装后可以在桌面快捷访问

红外探测器使用说明VIP免费

红外探测器使用说明_第1页
1/6
红外探测器使用说明_第2页
2/6
红外探测器使用说明_第3页
3/6
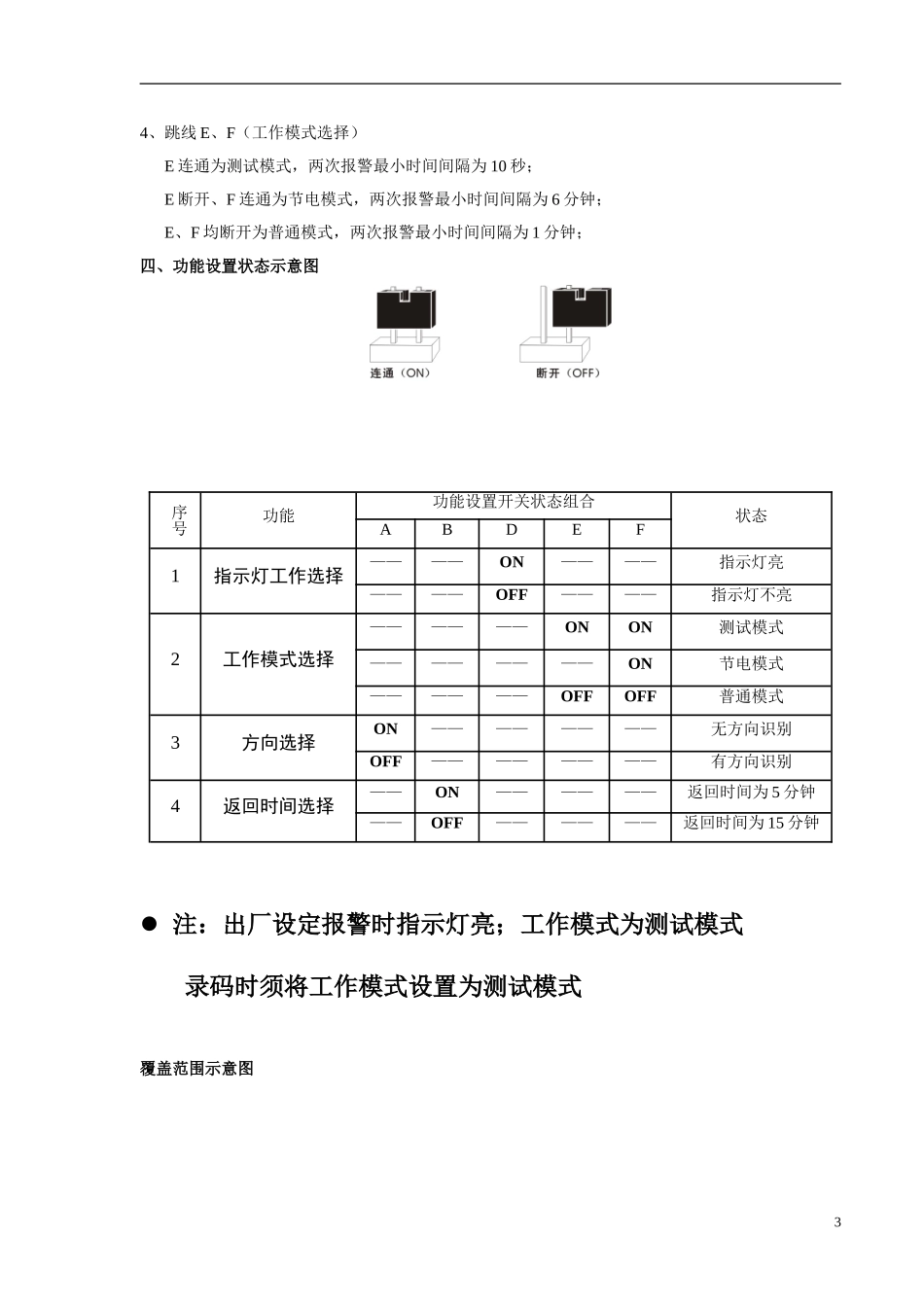
无线高智能红外探测器安装使用说明书一、概述:HC-PS301是一种采用了光谱分析,光量子探测等技术的高智能方向红外探测器。通过HST尖端技术对人本发出的远红外光谱进行智能分析,量化计算,准确地对人体移动作出报警,采用HST尖端技术使探测器更加稳定,更加省电。1、具更强的抗干扰能力;2、精细的全范围温度补偿;3、含微处理,CPU控制,防小动物;4、真正实现无线(纯内电供电、无线发射信号)安装方便;5、超微功耗设计(整机正常工作电流≤70uA,节电模式下纯内电可连续工作六个月以上);6、多工作模式:1)节电模式(两次报警最小时间间隔为6分钟)2)测试模式(两次报警最小时间间隔为10秒)3)普通模式(两次报警最小时间间隔为60秒)7、低电压提示:当电池电压不足时,探测器向主机发出低电压信号,并每隔30分钟黄色指示灯连闪5次,主机收到低电压信号每隔一小时发出“嘀”一声短响,并且该防区指示灯闪烁,进行故障提示;探测器的工作原理:在自然界,任何高于绝对温度(-273)的物体都将产生红外光谱,在红外探测器地警戒范围内,当无物体移动时,热释电红外传感器感应到的只是背景温度,当有物体进入警戒区内,通过菲涅尔透镜,热释电红外传感器感应到的是移动物体温度与背景温度的差异,将红外信号变化转化为电信号后发出的报警信号二、技术规格工作电压:DC6V(2节CR123A高能量电池)工作电流:正常探测电流≤70uA,静态≤30uA,报警电流≤14mA发射频率:315MHz发射距离:≥150米(无障碍、无干扰)探测角度:上下110°、左右10°覆盖范围:覆盖范围示意图探测距离:三级可调:8M、10M、13M1感应器:特制低噪双元结构抗电磁干扰:≥30V/m抗白光干扰:≥6500LUX自检:上电自检(上电有60秒钟自检时间)定时自检(每隔12小时自检一次,并发射自检码)工作环境:工作温度-10℃~60℃、相对湿度5%~95%无霜保存温度:-20℃~70℃外形尺寸:126×64×41mm探测器的录码设置■全面设防有效地录码设置◆进入系统,输入录码代码【311+6#】,主机面板全面设防指示灯亮,此时让需录入的配件发射一次信号,主机回响“嘀”一声,完成后按【#】结束,全面设防指示灯灭,以此类推,可录入12个探测配件。部分防区有效地录码设置◆进入系统,输入录码代码【321+#】,主机面板部分防区指示灯亮,此时让需录入的配件发射一次信号,主机回响“嘀”一声,完成后按【#】结束,部分防区指示灯灭,以此类推,可录入12个探测配件。注:如录入探测器时,主机回响“嘀嘀”两声,表示该探测器以录入或防区已录满。※如果条件可以的话,尽量采用离安装地点400M以上的地方进行异地录码,然后到是有现场安装录码时,必须将主机的天线收回,切勿拉出。■删除配件录码◆删除探测器:进入系统,输入探测器删除代码【351+#】,主机回响“嘀”一长声,此时探测器全部删除。◆删除故障探测器;进入系统,输入故障探测器删除代码【355+#】,主机回响“嘀”一长声,此时故障探测器全部删除。三、工作状态设定1、跳线A(方向选择)A连通为无方向识别,A断开为有方向识别2、跳线B(返回时间选择)B连通返回时间为5分钟;B断开返回时间为15分钟3、跳线D(指示灯选择)D连通,指示灯亮;D断开,指示灯不亮两种状态均可发射报警信号24、跳线E、F(工作模式选择)E连通为测试模式,两次报警最小时间间隔为10秒;E断开、F连通为节电模式,两次报警最小时间间隔为6分钟;E、F均断开为普通模式,两次报警最小时间间隔为1分钟;四、功能设置状态示意图注:出厂设定报警时指示灯亮;工作模式为测试模式录码时须将工作模式设置为测试模式覆盖范围示意图序号功能功能设置开关状态组合状态ABDEF1指示灯工作选择————ON————指示灯亮————OFF————指示灯不亮2工作模式选择——————ONON测试模式————————ON节电模式——————OFFOFF普通模式3方向选择ON————————无方向识别OFF————————有方向识别4返回时间选择——ON——————返回时间为5分钟——OFF——————返回时间为15分钟3五、安装1....

1、当您付费下载文档后,您只拥有了使用权限,并不意味着购买了版权,文档只能用于自身使用,不得用于其他商业用途(如 [转卖]进行直接盈利或[编辑后售卖]进行间接盈利)。
2、本站所有内容均由合作方或网友上传,本站不对文档的完整性、权威性及其观点立场正确性做任何保证或承诺!文档内容仅供研究参考,付费前请自行鉴别。
3、如文档内容存在违规,或者侵犯商业秘密、侵犯著作权等,请点击“违规举报”。

碎片内容

红外探测器使用说明

确认删除?
VIP
微信客服
  • 扫码咨询
会员Q群
  • 会员专属群点击这里加入QQ群
客服邮箱
回到顶部