电脑桌面
添加小米粒文库到电脑桌面
安装后可以在桌面快捷访问

极限与配合习题库VIP免费

极限与配合习题库_第1页
1/6
极限与配合习题库_第2页
2/6
极限与配合习题库_第3页
3/6
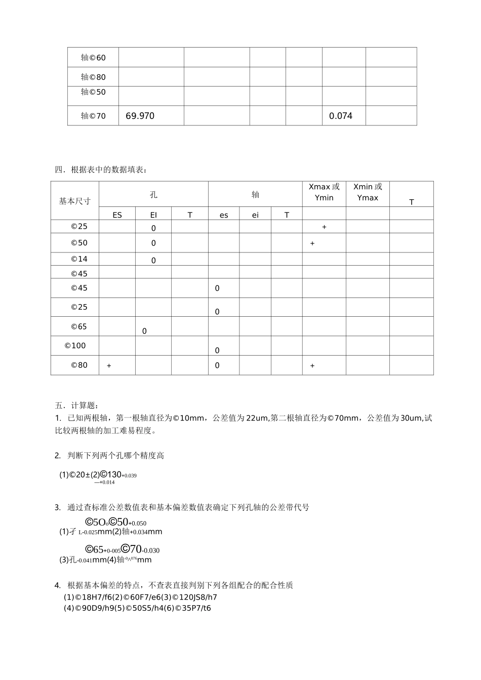
。第二章极限与配合习题库一.判断下列说法是否正确(以“厂或“X”填入括号内):1.凡内表面皆为孔,凡外表面皆为轴。()2.基本尺寸是设计给定的尺寸,因此零件的实际尺寸越接近基本尺寸,则其精度越高。()3.基本尺寸一定是理想尺寸。()4.尺寸公差是零件尺寸允许的最大偏差。()5.公差通常为正,在个别情况下也会为负。()6.尺寸公差也可以说是零件尺寸允许的最大偏差。()7.孔的最大实体尺寸即为孔的最大极限尺寸。()8.轴的最大实体尺寸即为轴的最大极限尺寸。()9.最大实体尺寸是孔、轴最大极限尺寸的统称。()10.某尺寸的上偏差一定大于下偏差。()11.实际尺寸就是被测尺寸的真值。()12.实际尺寸越接近其基本尺寸,则其精度也越高。()13.零件加工后的实际尺寸等于基本尺寸,但不一定合格。()14..因为实际尺寸与基本尺寸之差是尺寸偏差,故尺寸偏差越小,尺寸精度越高。()15.基本尺寸一定时,尺寸公差越大,则尺寸精度越低。()16.基本尺寸相同,公差等级一样的孔和轴的标准公差数值相等。()17.孔和轴的加工精度越高,则其配合精度也越高。()18.配合公差总是大于孔或轴的尺寸公差。()19.零件的加工难易程度取决于公差等级的高低,与基本偏差无关。()20.公差带在零件上方,则基本偏差为上偏差。()21.过渡配合可能有间隙,也可能有过盈,因此,过渡配合可以算间隙配合,也可以算过盈配合。()22.某一对孔轴结合的实际间隙为+0.003mm,则此孔轴组成的配合一定是间隙配合。()23.©30H8/s7是过渡配合。()24.G30H8和©30F8的尺寸精度是相同的。()25.从制造角度讲,基孔制的特点就是先加工孔,基轴制的特点就是先加工轴。()26.优先采用基孔制的原因主要是孔比轴难加工。()27.有相对运动的配合应选间隙配合,无相对运动的配合均选用过盈配合或过渡配合。()28.配合公差大于或等于孔公差与轴公差之和。()29.配合性质取决于孔轴公差带的大小和位置。()30.图样上未标注公差的尺寸为自由尺寸,其公差不作任何要求。()31.以被测零件的极限尺寸作为验收极限,可能产生误收,也可能产生误废。()二.选择正确答案,将其序号太浓如空白处:1.比较两尺寸精度高低的依据是()。A基本偏差B公差数值C公差等级2.国家标准规定的尺寸公差等级为()。A1〜12共12级B1〜18共18级C1〜20共20级D01〜18共20级3.基本偏差为s的轴的公差带与基准孔H形成()。A间隙配合B过盈配合C过渡配合D过渡或过盈配合4.下列配合中()的配合最紧,()的配合最松AH7/g6BJS7/h6CDH7/s65.零件尺寸的极限偏差是()。A测量得到的B设计给定的C加工后形成的6.选择基准制时应优先选用(),其理由是()A基轴制B基孔制C非基准制D孔比轴难加工E为了减少定尺寸刀具、量具的规格数量F为了保证使用精度7.当轴的基本偏差为()时与H基准孔形成间隙配合。Aa〜hBj〜nCp〜zc8.下列配合中配合性质相同的是()和()。A©30H7/g6和©30G7/h6B©30H7/r6和©30R7/h7C©30H8/f8和©30F8/h8D©30K6/h6和©30H6/k6三.根据表中已知的数据填表:基本尺寸最大极限尺寸最小极限尺寸上偏差下偏差公差尺寸标注孔©1212.05012.032孔©3029.9590.021孔©30孔©500.039孔©40©40+轴©60+0.019轴©60轴©80轴©50轴©7069.9700.074四.根据表中的数据填表:基本尺寸孔轴Xmax或YminXmin或YmaxTESEITeseiT©250+©500+©140©45©450©250©650©1000©80+0+五.计算题:1.已知两根轴,第一根轴直径为©10mm,公差值为22um,第二根轴直径为©70mm,公差值为30um,试比较两根轴的加工难易程度。2.判断下列两个孔哪个精度高(1)©20±(2)©130+0.039—+0.0143.通过查标准公差数值表和基本偏差数值表确定下列孔轴的公差带代号©5Oo©50+0.050(1)孑L-0.025mm(2)轴+0.034mm©65+0-005©70-0.030(3)孔-0.041mm(4)轴-0^076mm4.根据基本偏差的特点,不查表直接判别下列各组配合的配合性质(1)©18H7/f6(2)©60F7/e6(3)©120JS8/h7(4)©90D9/h9(5)©50S5/h4(6)©35P7/t6计算极限偏差或过盈、配合公差和配合类别,画1)©20H8/f7(2)©14H7/r65)©20H7/f6(6)©60P7/h67)©50H7/g6(8)...

1、当您付费下载文档后,您只拥有了使用权限,并不意味着购买了版权,文档只能用于自身使用,不得用于其他商业用途(如 [转卖]进行直接盈利或[编辑后售卖]进行间接盈利)。
2、本站所有内容均由合作方或网友上传,本站不对文档的完整性、权威性及其观点立场正确性做任何保证或承诺!文档内容仅供研究参考,付费前请自行鉴别。
3、如文档内容存在违规,或者侵犯商业秘密、侵犯著作权等,请点击“违规举报”。

碎片内容

极限与配合习题库

您可能关注的文档

确认删除?
VIP
微信客服
  • 扫码咨询
会员Q群
  • 会员专属群点击这里加入QQ群
客服邮箱
回到顶部