电脑桌面
添加小米粒文库到电脑桌面
安装后可以在桌面快捷访问

医院改造工程报验资料74VIP免费

医院改造工程报验资料74_第1页
1/50
医院改造工程报验资料74_第2页
2/50
医院改造工程报验资料74_第3页
3/50
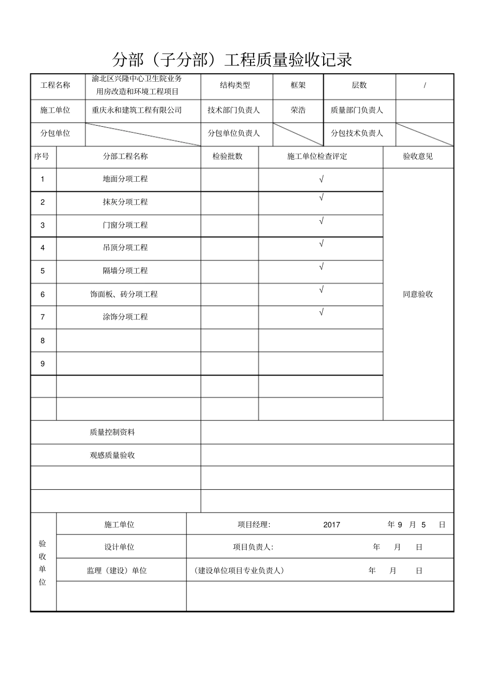
砌体分项工程质量验收记录工程名称渝北区兴隆中心卫生院业务用房改造和环境工程项目结构类型框架检验批次1次施工单位重庆永和建筑工程有限公司项目经理尹绍海项目技术负责人分包单位分包单位负责人分包项目经理序号检验批部位、区段施工单位检查评定结果监理(建设)单位验收结论1二层砌体工程√2345678910111213141516检查结论施工单位负责人:2017年7月15日验收结论建设单位项目负责人:年月日砌体工程检验批质量验收记录表GB50203-2002工程名称渝北区兴隆中心卫生院业务用房改造和环境工程项目分部(子分部)工程名称砌体工程验收部位一层新建墙体施工单位重庆永和建筑工程有限公司项目经理尹绍海分包单位分包项目经理施工执行标准名称及编号《砌体工程施工质量验收规范》GB50203-2002施工质量验收规范的规定施工单位检查评定记录监理(建设)单位验收记录主控项目1加砌块强度等级必须符合设计要求。MU符合规范要求2砂浆的强度等级必须符合设计要求。M符合规范要求3砌体的转角处和交接处应同时砌筑,严禁无可靠措施的内外墙分砌施工。对不能同时砌筑而又必须留置的临时间断处应砌成斜槎,斜槎水平投影长度不应小于高度的2/3。符合要求4非抗震设防及抗震设防为6度、7度地区的临时间断处,当不能留斜槎时,除转角处外,可留直槎必须做成凸槎,并应加设拉结筋,拉结筋数量及埋入长度符合相关规定,末端有90℃弯钩。符合抗震规范要求项目允许偏差(mm)实测值123456789105水平灰缝砂浆饱满度≥80%8090909090851008589906轴线偏移≤1056846266897垂直度(每层)≤54530414111一般项目1水平灰缝厚度10mm8-1275346758912基础顶面、楼面标高±15-4895-252-48-43表面平整度(混水)845100244584门窗洞口高度宽±5011-2-32-32135外墙上、下窗口位移201421453559496水平灰缝平直度(混水)1078201353437组砌方法上、下错缝,内外搭砌,砖柱不得采用包心砌法无施工单位检查评定结果专业工长(施工员)施工班组长主控项目合格,一般项目符合规范设计要求。项目专业质量检查员:2017年7月16日监理(建设)单位验收结论建设单位项目负责人:年月日分部(子分部)工程质量验收记录工程名称渝北区兴隆中心卫生院业务用房改造和环境工程项目结构类型框架层数/施工单位重庆永和建筑工程有限公司技术部门负责人荣浩质量部门负责人分包单位分包单位负责人分包技术负责人序号分部工程名称检验批数施工单位检查评定验收意见1地面分项工程√同意验收2抹灰分项工程√3门窗分项工程√4吊顶分项工程√5隔墙分项工程√6饰面板、砖分项工程√7涂饰分项工程√89质量控制资料观感质量验收验收单位施工单位项目经理:2017年9月5日设计单位项目负责人:年月日监理(建设)单位(建设单位项目专业负责人)年月日地面分项工程质量验收记录工程名称渝北区兴隆中心卫生院业务用房改造和环境工程项目结构类型框架检验批次3批施工单位重庆永和建筑工程有限公司项目经理尹绍海项目技术负责人分包单位分包单位负责人分包项目经理序号检验批部位、区段施工单位检查评定结果监理(建设)单位验收结论1一层地砖√2负一层地砖√3456789101112141516检查结论施工项目专业技术负责人:2017年8月25日验收结论建设单位项目负责人:年月日表A.0.6砖面层粘贴报验申请表工程名称:渝北区兴隆中心卫生院业务用房改造和环境工程项目编号:01致:渝北区兴隆中心卫生院(建设单位)我单位已完成了一层地砖粘贴工程,现报上该工程报验申请表,请予以审查和验收。附件:砖面层分项工程检验批质量验收记录承包单位(章):项目经理:日期:2017年8月22日审查意见:建设单位:建设单位项目负责人:日期:砖面层分项工程检验批质量验收记录GB50203-2002工程名称渝北区兴隆中心卫生院业务用房改造和环境工程项目分项工程名称地面面层施工单位重庆永和建筑工程有限公司验收部位一层地面施工执行标准名称及编号《建筑装饰装修工程质量验收规范》GB50203-2002项目经理尹绍海专业工长主控项目质量验收规范的规定施工单位检查评定记录建设单位验收记录1材料质量6.2.7条合格2牢固、空鼓6.2.8条合格一般项目1表面质量6.2.9条合格2镶边6.2.10条——3踢...

1、当您付费下载文档后,您只拥有了使用权限,并不意味着购买了版权,文档只能用于自身使用,不得用于其他商业用途(如 [转卖]进行直接盈利或[编辑后售卖]进行间接盈利)。
2、本站所有内容均由合作方或网友上传,本站不对文档的完整性、权威性及其观点立场正确性做任何保证或承诺!文档内容仅供研究参考,付费前请自行鉴别。
3、如文档内容存在违规,或者侵犯商业秘密、侵犯著作权等,请点击“违规举报”。

碎片内容

医院改造工程报验资料74

文库当当响+ 关注
实名认证
内容提供者

该用户很懒,什么也没介绍

确认删除?
VIP
微信客服
  • 扫码咨询
会员Q群
  • 会员专属群点击这里加入QQ群
客服邮箱
回到顶部