电脑桌面
添加小米粒文库到电脑桌面
安装后可以在桌面快捷访问

公路工程监理旁站工序部位一览表VIP免费

公路工程监理旁站工序部位一览表_第1页
1/3
公路工程监理旁站工序部位一览表_第2页
2/3
公路工程监理旁站工序部位一览表_第3页
3/3
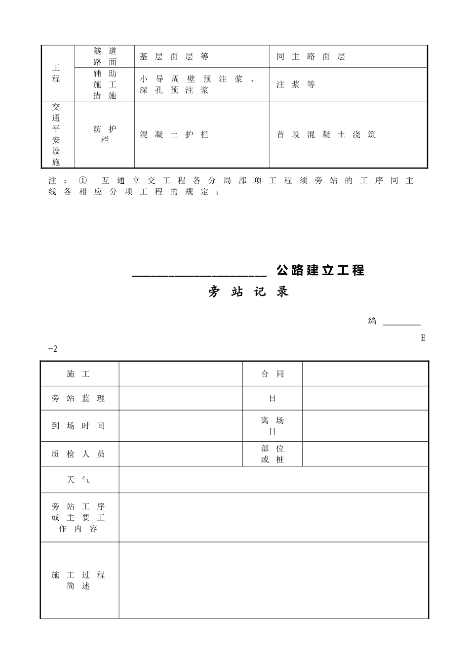
公路工程监理旁站工序/部位一览表E-1工程分部工程分项工程旁站工序或部位路基工程土石方工程软土地基粉喷桩喷粉试验工程、土工合成材料处治层试验工程小桥根底及下部构造钢筋笼安放、混凝土浇筑大型挡土墙*根底、墙身、面板混凝土浇筑路面工程路面工程底基层、基层、垫层、联结层混凝土浇筑、试验工程沥青面层、试验工程、面层施工全过程水泥混凝土面层试验工程、摊铺桥梁工程根底及下部构造桩基试桩、钢筋笼安放、混凝土灌筑地下连续墙混凝土浇筑沉井灌注顶板混凝土定位、下沉、灌注封底混凝土、桩的制作、墩台帽、组合桥台、预应力张拉、压浆上部构造预制和安装预应力筋的加工和张拉预应力张拉、压浆转体施工拱桥体预制、接头混凝土浇筑吊杆制作和安装穿吊杆、预应力束张拉、压浆上部构造现场浇筑预应力筋的加工和张拉预应力张拉压浆主要构件浇筑、悬臂浇筑主梁段混凝土浇筑、压浆劲性骨架砼拱桥、钢混凝土拱、混凝土浇筑、总体、桥面系和附属工程桥面铺装试验工程钢桥面板上沥青混凝土面层面层铺筑伸缩缝安装大型伸缩缝安装首件安装隧道洞身衬砌砼衬砌混凝土浇筑工程隧道路面基层面层等同主路面层辅助施工措施小导周壁预注浆、深孔预注浆注浆等交通平安设施防护栏混凝土护栏首段混凝土浇筑注:①互通立交工程各分局部项工程须旁站的工序同主线各相应分项工程的规定;______________________公路建立工程旁站记录编E-2施工合同旁站监理日到场时间离场日质检人员部位或桩天气旁站工序或主要工作内容施工过程简述监理工作简述主要数据记录发现问题及处理结果

1、当您付费下载文档后,您只拥有了使用权限,并不意味着购买了版权,文档只能用于自身使用,不得用于其他商业用途(如 [转卖]进行直接盈利或[编辑后售卖]进行间接盈利)。
2、本站所有内容均由合作方或网友上传,本站不对文档的完整性、权威性及其观点立场正确性做任何保证或承诺!文档内容仅供研究参考,付费前请自行鉴别。
3、如文档内容存在违规,或者侵犯商业秘密、侵犯著作权等,请点击“违规举报”。

碎片内容

公路工程监理旁站工序部位一览表

确认删除?
VIP
微信客服
  • 扫码咨询
会员Q群
  • 会员专属群点击这里加入QQ群
客服邮箱
回到顶部