电脑桌面
添加小米粒文库到电脑桌面
安装后可以在桌面快捷访问

机械制图(三视图)教案VIP免费

机械制图(三视图)教案_第1页
1/5
机械制图(三视图)教案_第2页
2/5
机械制图(三视图)教案_第3页
3/5
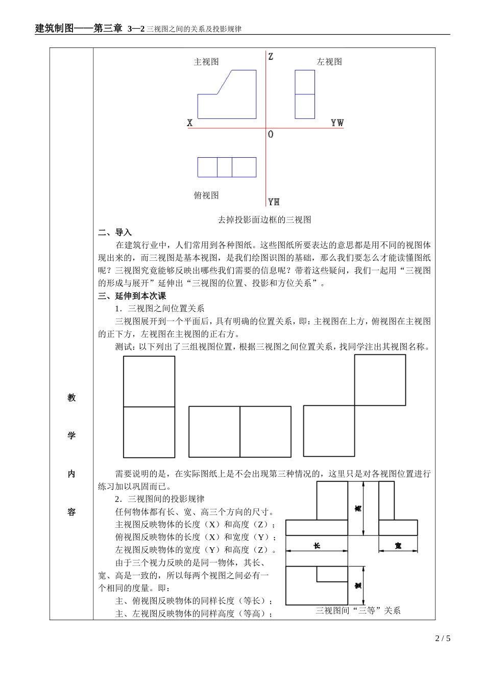
建筑制图——第三章3—2三视图之间的关系及投影规律课程名称建筑制图授课教师王浩教材普通高等教育“十五”国家级规划教材《建筑制图》(第五版)高等教育出版社课题三视图之间的关系及投影规律课型新授课教学时数45分钟教学目的要求掌握三视图的投影规律教学重点三视图之间的度量关系三视图之间的(六向)方位关系教学难点六向方位关系中的前后位置关系三视图的投影规律教学方法借助计算机展示3D模型,找同学演示相应动作,分析三视图之间的关系、投影规律,并进行总结和归纳,再加以练习强化和巩固教学用具圆规、三角板、计算机、模型、等。教学内容一、复习1.视图和三视图用正投影法绘制而成的物体的投影图,称为视图。(正投影在讲投影基础时已学习)三视图则可以理解为三个视图。2.三视图的形成和展开三视图的形成三视图的展开1/5左视方向主视方向俯视方向VHW建筑制图——第三章3—2三视图之间的关系及投影规律教学内容去掉投影面边框的三视图二、导入在建筑行业中,人们常用到各种图纸。这些图纸所要表达的意思都是用不同的视图体现出来的,而三视图是基本视图,是我们绘图识图的基础,那么我们要怎么才能读懂图纸呢?三视图究竟能够反映出哪些我们需要的信息呢?带着这些疑问,我们一起用“三视图的形成与展开”延伸出“三视图的位置、投影和方位关系”。三、延伸到本次课1.三视图之间位置关系三视图展开到一个平面后,具有明确的位置关系,即:主视图在上方,俯视图在主视图的正下方,左视图在主视图的正右方。测试:以下列出了三组视图位置,根据三视图之间位置关系,找同学注出其视图名称。需要说明的是,在实际图纸上是不会出现第三种情况的,这里只是对各视图位置进行练习加以巩固而已。2.三视图间的投影规律任何物体都有长、宽、高三个方向的尺寸。主视图反映物体的长度(X)和高度(Z);俯视图反映物体的长度(X)和宽度(Y);左视图反映物体的宽度(Y)和高度(Z)。由于三个视力反映的是同一物体,其长、宽、高是一致的,所以每两个视图之间必有一个相同的度量。即:主、俯视图反映物体的同样长度(等长);主、左视图反映物体的同样高度(等高);2/5三视图间“三等”关系主视图俯视图左视图建筑制图——第三章3—2三视图之间的关系及投影规律教学内俯、左视图反映物体的同样宽度(等宽)。以上所归纳的“三等”关系就是主、俯视图长对正,主、左视图高平齐,俯、左视图宽相等。对于任何一个物体,无论是整体还是局部,三个视图的对应关系都保持不变。“三等”关系反映了三个视图间的投影关系,是看图、画图和检查图样的重要依据。三视图方位分析(找同学演示)四、课堂测试1.当图纸中的画图空间不够时,物体三视图的相对位置能不能随意摆放,为什么?2.三个视图各自反映了物体哪些方向的形状和尺寸?3.在俯视图上,哪侧为物体的前;在左视图上,哪侧为物体的后?五、拓展练习3/5三视图间的方位关系3.三视图间的方位关系三视图不仅反映了物体的长、宽、高,同时也反映了物体的上、下、左、右、前、后六个方向的位置关系。主视图——上下、左右;俯视图——左右、前后;左视图——上下、前后。主视图左视图俯视图建筑制图——第三章3—2三视图之间的关系及投影规律容参照立体图在三视图处填空,圆括号内填长、宽、高,方括号内填方位。作业习题集11-13页(全)教学小结概念:视图、三视图(主视图、左视图、俯视图)三视图的位置关系三视图间的方位关系(上下、左右、前后)三视图的投影规律(长对正、高平齐、宽相等)板书设计§3-2三视图之间的关系及投影规律1.正投影图的形成:水平投影,简称H面正面投影,简称V面侧面投影,简称W面2.三投影面体系:H面—V面交线称OX轴H面—W面交线称OY轴V面—W面交线称OZ轴三轴线的交点O,称为坐标原点4/5建筑制图——第三章3—2三视图之间的关系及投影规律3.三视图的投影规律:主—俯视图长对正主—左视图高平齐俯—左视图宽相等5/5

1、当您付费下载文档后,您只拥有了使用权限,并不意味着购买了版权,文档只能用于自身使用,不得用于其他商业用途(如 [转卖]进行直接盈利或[编辑后售卖]进行间接盈利)。
2、本站所有内容均由合作方或网友上传,本站不对文档的完整性、权威性及其观点立场正确性做任何保证或承诺!文档内容仅供研究参考,付费前请自行鉴别。
3、如文档内容存在违规,或者侵犯商业秘密、侵犯著作权等,请点击“违规举报”。

碎片内容

机械制图(三视图)教案

起跑线书城+ 关注
实名认证
内容提供者

热爱教学事业,对互联网知识分享很感兴趣

确认删除?
VIP
微信客服
  • 扫码咨询
会员Q群
  • 会员专属群点击这里加入QQ群
客服邮箱
回到顶部