电脑桌面
添加小米粒文库到电脑桌面
安装后可以在桌面快捷访问

贴片功率电感的封装VIP免费

贴片功率电感的封装_第1页
1/4
贴片功率电感的封装_第2页
2/4
贴片功率电感的封装_第3页
3/4
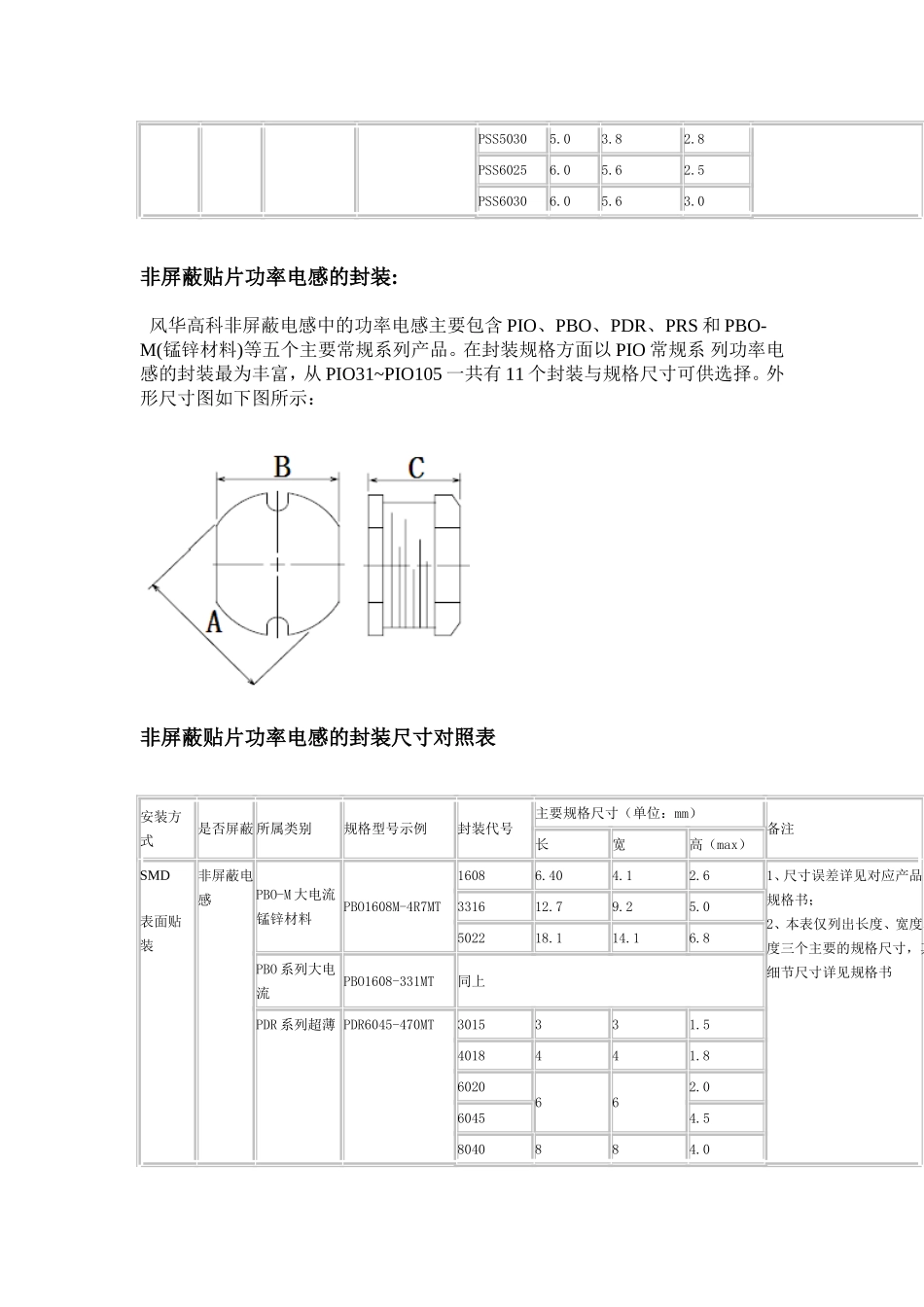
贴片功率电感的封装作品来源:新晨阳电容电感风华高科贴片功率电感器系列众多,相对于铁氧体叠层产品而言,外形尺寸较大形状更复杂。为了方便标准化命名,各种产品的封装尺寸未必如铁氧体叠层贴片电感那样具有完全统一一致的封装代号如0402、0603、0805等。与插件式一样,贴片功率电感器也包括开放式和屏蔽式两种:屏蔽贴片功率电感的封装:功率电感封装以骨架的尺寸做封装表示的依据,如果外形为椭圆型或椭柱型如图表示方法如下:5.8(5.2)×4就表示长径为5.8mm短径为5.2mm高为4mm的电感,插件用圆柱型表示方法如φ6×8就表示直径为6mm高为8mm的电感。只是它们的骨架一般要通用,除非是定制外形封装。以下将风华高科主要功率电感规格与封装尺寸制作成表格加以对比说明,希望能对您的产品选型工作有所帮助。如有疑问可点击下载对应产品的规格书查看详细说明或咨询新晨阳在线客服。屏蔽贴片功率电感封装尺寸对照表安装方式是否屏蔽所属类别规格型号示例封装代号主要规格尺寸(单位:mm)备注长宽高(max)SMD表面贴装屏蔽电感HA超薄贴片功率电感HA63R33MTHA637.06.53.01、尺寸误差详见对应产品系列规格书;2、本表仅列出长度、宽度和高度三个主要的规格尺寸,其他细节尺寸详见规格书;HA657.06.55.0HA12513.512.65.0HC超薄贴片功率电感HC125-1R5MTHC636.856.53.0HC656.856.55.0HC12513.212.66.5LBS超薄屏蔽贴片功率电感LBS6028-4R7MT60286.06.02.870307.07.03.070457.07.04.51014510.110.14.51257512.512.57.5MS大电流功率电感MS74-101MTMS625.96.22.7MS737.37.33.4MS747.37.34.2MS12412.212.24.5MS12512.212.25.7Ms12712.212.27.5MS104R1104.0PBS大电流贴片功率电感PBS1608-102MTPBS16086.44.12.8PBS331612.79.24.9PBS502218.114.16.8PIS超薄小尺寸大电流PIS74-680MTPIS635.806.203.20PIS747.007.804.50PIS1059.0010.05.0PS-D超薄屏蔽电感PS3D18-1R5NTPS2D113.0长宽相等1.1PS2D143.01.55PS2D183.01.8PS3D183.81.8PS3D283.82.8PS4D184.71.8PS4D284.72.8PS5D185.71.8PS5D285.72.8PS6D286.72.8PS6D386.73.88D288.02.88D388.03.88D438.04.3PSS超薄型贴片式功率电感PSS6025-8R2NTPSS40183.83.81.7PSS50205.03.82.0PSS50305.03.82.8PSS60256.05.62.5PSS60306.05.63.0非屏蔽贴片功率电感的封装:风华高科非屏蔽电感中的功率电感主要包含PIO、PBO、PDR、PRS和PBO-M(锰锌材料)等五个主要常规系列产品。在封装规格方面以PIO常规系列功率电感的封装最为丰富,从PIO31~PIO105一共有11个封装与规格尺寸可供选择。外形尺寸图如下图所示:非屏蔽贴片功率电感的封装尺寸对照表安装方式是否屏蔽所属类别规格型号示例封装代号主要规格尺寸(单位:mm)备注长宽高(max)SMD表面贴装非屏蔽电感PBO-M大电流锰锌材料PBO1608M-4R7MT16086.404.12.61、尺寸误差详见对应产品系列规格书;2、本表仅列出长度、宽度和高度三个主要的规格尺寸,其他细节尺寸详见规格书331612.79.25.0502218.114.16.8PBO系列大电流PBO1608-331MT同上PDR系列超薄PDR6045-470MT3015331.54018441.86020662.060454.58040884.0PIO系列常规品,可选封装丰富PIO73-100MTPIO313.53.01.6PIO322.1PIO424.54.02.15PIO433.2PIO525.85.22.1PIO533.0PIO545.85.24.5PIO737.87.03.5PIO755.0PIO1041094PIO1055.4PRS超薄频闭式结构PRS3015-330MTPRS3015331.5PRS4018441.8PRS6020662PRS60454.5PRS8040884PW321631.61.8PW322532.52PW45324.53.23PW57505.75.04.7

1、当您付费下载文档后,您只拥有了使用权限,并不意味着购买了版权,文档只能用于自身使用,不得用于其他商业用途(如 [转卖]进行直接盈利或[编辑后售卖]进行间接盈利)。
2、本站所有内容均由合作方或网友上传,本站不对文档的完整性、权威性及其观点立场正确性做任何保证或承诺!文档内容仅供研究参考,付费前请自行鉴别。
3、如文档内容存在违规,或者侵犯商业秘密、侵犯著作权等,请点击“违规举报”。

碎片内容

贴片功率电感的封装

起跑线书城+ 关注
实名认证
内容提供者

热爱教学事业,对互联网知识分享很感兴趣

相关文档

确认删除?
VIP
微信客服
  • 扫码咨询
会员Q群
  • 会员专属群点击这里加入QQ群
客服邮箱
回到顶部