电脑桌面
添加小米粒文库到电脑桌面
安装后可以在桌面快捷访问

高中化学 课时15 化学能转化为电能学案 苏教版必修2VIP免费

高中化学 课时15 化学能转化为电能学案 苏教版必修2_第1页
1/6
高中化学 课时15 化学能转化为电能学案 苏教版必修2_第2页
2/6
高中化学 课时15 化学能转化为电能学案 苏教版必修2_第3页
3/6
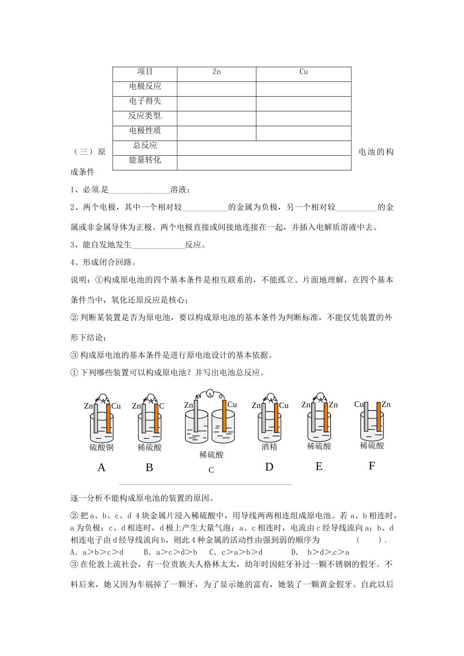
课时15化学能转化为电能班级_______学号_______姓名______________学习目标]1、初步认识原电池的原理和一般构成条件;2、培养学生的实验操作能力、观察能力、科学的学习方法和创造性思维和探究能力,以及提出问题、分析问题和解决问题的能力;3、应用辩证唯物主义的思维方法,抓住氧化还原反应是原电池工作原理的本质。通过实验不断体现出由实践—认识—再实践—再认识的认知过程。[课前准备]生活中常用到电池,电池怎样把化学能转化为电能呢?[学海导航]一、化学能转化为电能(一)原电池原理探究分组进行下列实验并完成表格实验1、将一块锌片和一块铜片分别插入装有稀硫酸溶液的烧杯中,观察实验现象。实验2、将一块锌片和一块铜片同时插入装有稀硫酸溶液的烧杯中,观察实验现象。实验3、用导线把锌片和铜片连接,再同时插入装有稀硫酸溶液的烧杯中,观察实验现象。实验4、在锌片和铜片之间连接一个电流计后,再同时插入装有稀硫酸溶液的烧杯中,观察实验现象。实验现象结论实验1锌片上。铜片上。化学方程式:,说明金属活动性性:ZnCu。实验2锌片上。铜片上。实验3铜片上。实验4电流计指针。产生了。1、原电池的定义:我们称__________________________的装置为原电池(二)原电池工作原理:以Zn、Cu原电池为例(三)原电池的构成条件1、必须是_______________溶液;2、两个电极,其中一个相对较___________的金属为负极,另一个相对较__________的金属或非金属导体为正极。两个电极直接或间接地连接在一起,并插入电解质溶液中去。3、能自发地发生_____________反应。4、形成闭合回路。说明:①构成原电池的四个基本条件是相互联系的,不能孤立、片面地理解,在四个基本条件当中,氧化还原反应是核心;②判断某装置是否为原电池,要以构成原电池的基本条件为判断标准,不能仅凭装置的外形下结论;③构成原电池的基本条件是进行原电池设计的基本依据。①下列哪些装置可以构成原电池?并写出电池总反应。__________________________________________逐一分析不能构成原电池的装置的原因。②把a、b、c、d4块金属片浸入稀硫酸中,用导线两两相连组成原电池。若a、b相连时,a为负极;c、d相连时,d极上产生大量气泡;a、c相连时,电流由c经导线流向a;b、d相连电子由d经导线流向b,则此4种金属的活动性由强到弱的顺序为()A.a>b>c>dB.a>c>d>bC.c>a>b>dD.b>d>c>a③在伦敦上流社会,有一位贵族夫人格林太太,幼年时因蛀牙补过一颗不锈钢的假牙。不料后来,她又因为车祸掉了一颗牙,为了显示她的富有,她装了一颗黄金假牙。自此以后项目ZnCu电极反应电子得失反应类型电极性质总反应能量转化硫酸铜AAZnCu稀硫酸BAZnC酒精DAZnCu稀硫酸EAZnZn稀硫酸CZnCuA稀硫酸FCuZn她就经常出现头痛、失眠、心情烦躁等症状。更奇怪的是,众多的医学专家为她检查后,都找不到病因。格林太太的病因到底是什么呢?你能用今天所学的知识帮她解决吗?(四)原电池原理的应用--金属的腐蚀及防护铁锈的形成:Fe(OH)2Fe(OH)3Fe2O3[学业测试]一、选择题1.下列说法正确的是()A.原电池是把电能转化为化学能的装置B.原电池中电子流出的一极是正极,发生氧化反应C.原电池中的阳离子向正极移动D.原电池两极均发生氧化还原反应2.下列反应,在理论上可设计成原电池的是()A.C(s)+H2O(g)==CO(g)+H2(g);△H>0B.Ba(OH)2·8H2O(s)+2NH4Cl(s)==BaCl2(aq)+2NH3·H2O(l)+8H2O(l);△H>0C.CaO(s)+H2O(l)==Ca(OH)2(aq);△H<0D.CH4(g)+2O2(g)==CO2(g)+2H2O(l);△H<03.关于铜—锌—稀硫酸构成的原电池的有关叙述错误的是()A.锌为负极,锌发生氧化反应B.铜为正极,铜不易失去电子而受到保护C.负极发生还原反应,正极发生氧化反应D.外电路电子流入的一极为正极,电子流出的一极为负极4.将锌片和铜片用导线连接平行插入同一稀硫酸溶液中,下列叙述正确的是()A.正极附近硫酸根离子的浓度逐渐增大B.负极附近硫酸根离子浓度逐渐增大C.正极、负极硫酸根离子的浓度基本不变D.正极附近硫酸根离子的浓度逐渐减小5.某原电池总反应是Zn+Cu2+=Zn2++Cu,该原电池组成及判断正确的是()ABCD正极ZnC...

1、当您付费下载文档后,您只拥有了使用权限,并不意味着购买了版权,文档只能用于自身使用,不得用于其他商业用途(如 [转卖]进行直接盈利或[编辑后售卖]进行间接盈利)。
2、本站所有内容均由合作方或网友上传,本站不对文档的完整性、权威性及其观点立场正确性做任何保证或承诺!文档内容仅供研究参考,付费前请自行鉴别。
3、如文档内容存在违规,或者侵犯商业秘密、侵犯著作权等,请点击“违规举报”。

碎片内容

高中化学 课时15 化学能转化为电能学案 苏教版必修2

您可能关注的文档

;绿洲书城+ 关注
实名认证
内容提供者

从事历史教学,热爱教育,高度负责。

确认删除?
VIP
微信客服
  • 扫码咨询
会员Q群
  • 会员专属群点击这里加入QQ群
客服邮箱
回到顶部