电脑桌面
添加小米粒文库到电脑桌面
安装后可以在桌面快捷访问

高中化学 2.3 硫酸工业学案2 苏教版选修2-苏教版高中选修2化学学案VIP免费

高中化学 2.3 硫酸工业学案2 苏教版选修2-苏教版高中选修2化学学案_第1页
1/8
高中化学 2.3 硫酸工业学案2 苏教版选修2-苏教版高中选修2化学学案_第2页
2/8
高中化学 2.3 硫酸工业学案2 苏教版选修2-苏教版高中选修2化学学案_第3页
3/8
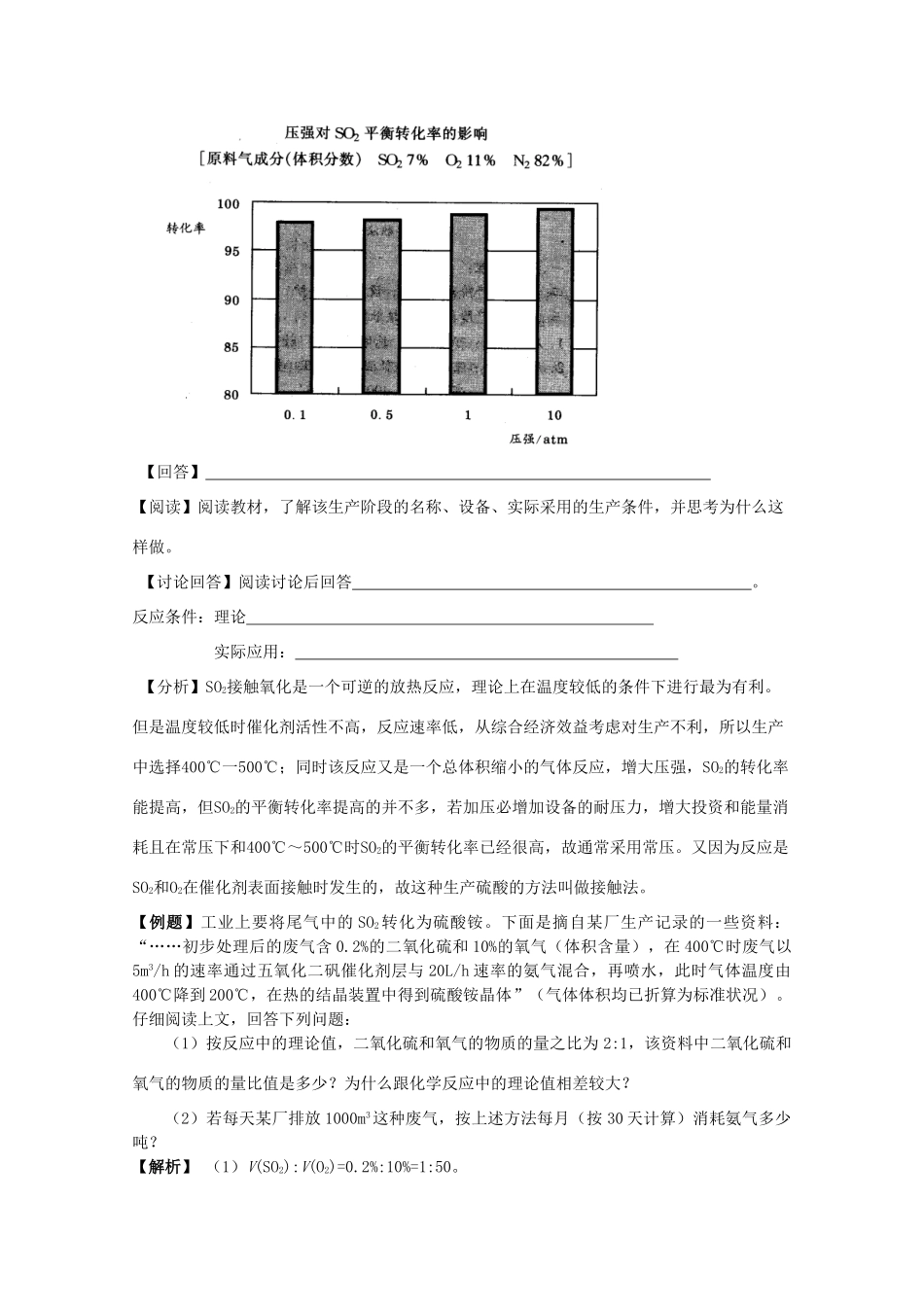
《硫酸工业》学习目标:1.掌握接触法制硫酸的化学反应原理,并了解生产过程和几个典型设备,以及生产中的一些重要操作。2.理解接触氧化反应条件的选择原理,加深对化学反应速率和化学平衡知识的理解。3.通过有关硫酸工业的计算,进一步巩固多步反应的化学原理。情感目标:通过对硫酸工业“三废”、能量的利用以及生产规模、厂址的选择等的讨论,认识环境保护的重要性,培养良好的环境保护意识。学习重点难点:接触法制硫酸的化学原理;SO2接触氧化的适宜条件的选择。学习过程:[自学探究]1.讨论:考虑原料和成本等因素,你认为工业合成硫酸的途径如何?2.请写出由S生成H2SO4的化学反应方程式。3.接触法制硫酸的过程和原理:(1)造气:(在中进行);(2)接触氧化:(在中进行);(3)SO3的吸收:(在中进行)。【问题】我们已经学习过硫酸的性质,了解了硫酸的有关知识,请同学们思考:硫酸在工农业生产中有哪些重要用途?【回答】【问题】根据所学的知识写出生产硫酸的化学反应方程式。一、反应原理【问题】生产硫酸的原料可以用硫磺,还可以用黄铁矿。根据我国的实际情况,应采用哪一种更适合?【投影】我国硫酸工业中原料的利用资料(下表)。【学生活动】回答问题。【问题】已知一定条件下24gFeS2固体燃烧生成SO2气体和Fe2O3固体,同时释放170.6kJ的热量,请写出该反应的热化学方程式。【问题】该反应是硫酸工业生产中第一阶段的反应,请同学们阅读教材并思考:①该阶段的名称是什么?②反应设备是什么?③如何使黄铁矿充分燃烧?④反应产物是什么?产物为什么要净化?【阅读】阅读教材,讨论、回答问题。第一阶段:造气设备:沸腾炉产物:炉气【投影】电脑模拟沸腾炉工作。【问题】该反应的特点是什么?【讨论】2SO2(g)+O2(g)2SO3(g);△H=196.6kJ/mol的反应特点。反应特点:1.反应2.总体积3.热4.催化剂【问题】根据平衡移动原理,反应在较高还是较低的温度下进行更有利?【投影】不同温度下SO2的平衡转化率(图中纵坐标表示转化率/%)[原料气成分(体积分数)SO27%O211%N282%压强0.1Mpa]【回答】【问题】根据平衡移动原理,反应在较高还是较低的压强下进行更有利?【回答】【投影】图二催化剂【回答】【阅读】阅读教材,了解该生产阶段的名称、设备、实际采用的生产条件,并思考为什么这样做。【讨论回答】阅读讨论后回答。反应条件:理论实际应用:【分析】SO2接触氧化是一个可逆的放热反应,理论上在温度较低的条件下进行最为有利。但是温度较低时催化剂活性不高,反应速率低,从综合经济效益考虑对生产不利,所以生产中选择400℃一500℃;同时该反应又是一个总体积缩小的气体反应,增大压强,SO2的转化率能提高,但SO2的平衡转化率提高的并不多,若加压必增加设备的耐压力,增大投资和能量消耗且在常压下和400℃~500℃时SO2的平衡转化率已经很高,故通常采用常压。又因为反应是SO2和O2在催化剂表面接触时发生的,故这种生产硫酸的方法叫做接触法。【例题】工业上要将尾气中的SO2转化为硫酸铵。下面是摘自某厂生产记录的一些资料:“……初步处理后的废气含0.2%的二氧化硫和10%的氧气(体积含量),在400℃时废气以5m3/h的速率通过五氧化二矾催化剂层与20L/h速率的氨气混合,再喷水,此时气体温度由400℃降到200℃,在热的结晶装置中得到硫酸铵晶体”(气体体积均已折算为标准状况)。仔细阅读上文,回答下列问题:(1)按反应中的理论值,二氧化硫和氧气的物质的量之比为2:1,该资料中二氧化硫和氧气的物质的量比值是多少?为什么跟化学反应中的理论值相差较大?(2)若每天某厂排放1000m3这种废气,按上述方法每月(按30天计算)消耗氨气多少吨?【解析】(1)V(SO2):V(O2)=0.2%:10%=1:50。根据化学平衡原理,增大氧气的量,可以促进化学平衡向正反应方面进行,从而提高二氧化硫转化为三氧化硫的转化率。(2)每月排入的废气中二氧化硫的体积为:1000m3×30×0.2%=600m3废气以5m3/h的速率通过五氧化二矾催化剂层与20L/h速率的氨气混合,相当于SO2跟NH3以1:2的体积比混合。即发生反应为:4NH3+2SO2+O2=2(NH4)2SO4所以,600m3的二氧化硫气体需氨气的体积为:60...

1、当您付费下载文档后,您只拥有了使用权限,并不意味着购买了版权,文档只能用于自身使用,不得用于其他商业用途(如 [转卖]进行直接盈利或[编辑后售卖]进行间接盈利)。
2、本站所有内容均由合作方或网友上传,本站不对文档的完整性、权威性及其观点立场正确性做任何保证或承诺!文档内容仅供研究参考,付费前请自行鉴别。
3、如文档内容存在违规,或者侵犯商业秘密、侵犯著作权等,请点击“违规举报”。

碎片内容

高中化学 2.3 硫酸工业学案2 苏教版选修2-苏教版高中选修2化学学案

您可能关注的文档

确认删除?
VIP
微信客服
  • 扫码咨询
会员Q群
  • 会员专属群点击这里加入QQ群
客服邮箱
回到顶部