电脑桌面
添加小米粒文库到电脑桌面
安装后可以在桌面快捷访问

高中化学 专题五 电化学问题研究 课题2 电解与电镀学案 苏教版选修6-苏教版高二选修6化学学案VIP免费

高中化学 专题五 电化学问题研究 课题2 电解与电镀学案 苏教版选修6-苏教版高二选修6化学学案_第1页
1/7
高中化学 专题五 电化学问题研究 课题2 电解与电镀学案 苏教版选修6-苏教版高二选修6化学学案_第2页
2/7
高中化学 专题五 电化学问题研究 课题2 电解与电镀学案 苏教版选修6-苏教版高二选修6化学学案_第3页
3/7
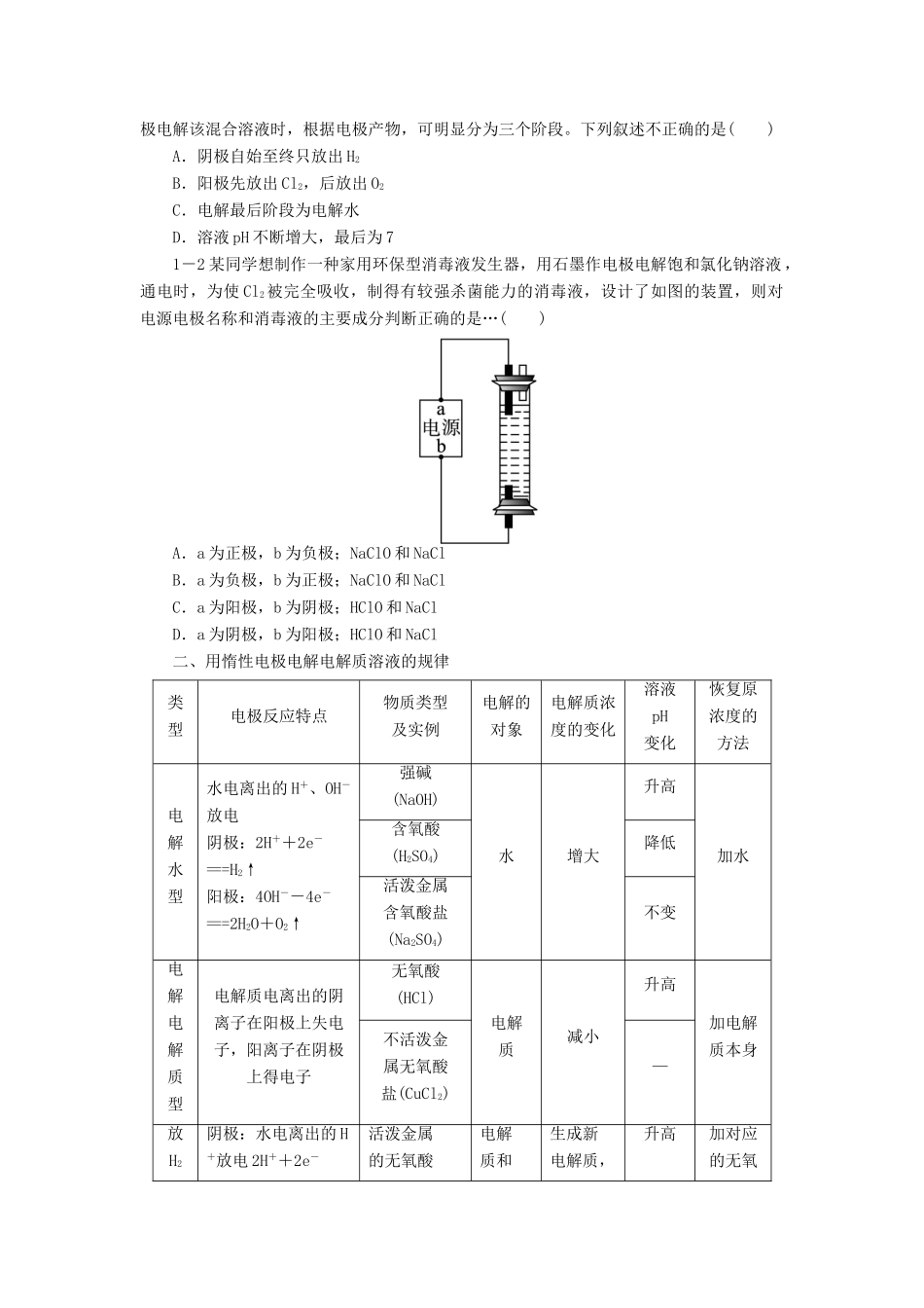
课题2电解与电镀一、判断电解过程中的电极产物判断电解过程中电极产物的依据是:电极材料和离子放电顺序。阴离子失去电子和阳离子得到电子的过程叫放电。放电顺序取决于离子本身的性质,也与离子浓度及电极材料有关。电解时所使用的电极分为两类:一类为惰性电极,只起导体的作用(如铂、石墨等),并不参与反应;另一类为活性电极(除铂、金以及在电解时很易钝化的铅、铬以外的金属),活性电极若作阴极,只起导体的作用;若为阳极,发生氧化反应的往往是电极本身。电极上物质的变化情况以及电子的转移情况用电极反应式来表明。当电解质溶液中存在多种阳离子或者多种阴离子时,电解质溶液中各种离子在两极上得失电子是有一定顺序的,称之为放电顺序。放电顺序涉及多种因素,在中学阶段只要求掌握:阳极——①若为惰性电极,则阴离子放电(失电子,发生氧化反应),放电顺序为:S2->I->Br->Cl->OH->含氧酸根离子>F-②若为活性电极,则电极本身失去电子而放电,电极溶解。因为活性电极的还原性几乎大于一切的阴离子。阴极——无论是惰性电极,还是活性电极,阴极总是受到保护,不会参与电极反应,始终为阳离子放电(得电子,发生还原反应),放电顺序为:Ag+>Hg2+>Fe3+>Cu2+>H+(酸)>Pb2+>Sn2+>Fe2+>Zn2+>H+(H2O)>Al3+>Mg2+>Na+>Ca2+>K+因此,判断电解过程中电极产物的步骤可以概括为:①分析电解质溶液的组成,找全离子(包括水电离出的H+及OH-)并分为阴、阳两组;②分析离子的放电顺序;③确定电极,写出电极反应式。【例1】某同学按下图所示的装置进行电解实验。下列说法正确的是()A.电解过程中,铜电极上不会有H2产生B.电解初期,主反应方程式为Cu+H2SO4=====CuSO4+H2↑C.电解一定时间后,石墨电极上不会有铜析出D.整个电解过程中,H+的浓度不断增大解析:从装置图可以看出铜接电源正极作阳极,石墨作阴极,应在阴极区产生H2,且H+浓度应逐渐减小,故A、D错。电解初期主要是电解Cu和H2SO4,而随电解的进行,溶液中CuSO4浓度逐渐增大,Cu2+参与电极反应而在石墨电极上析出Cu,C错误,故B正确。答案:B1-1某溶液中含有两种溶质NaCl和H2SO4,它们的物质的量之比为3∶1,用石墨作电极电解该混合溶液时,根据电极产物,可明显分为三个阶段。下列叙述不正确的是()A.阴极自始至终只放出H2B.阳极先放出Cl2,后放出O2C.电解最后阶段为电解水D.溶液pH不断增大,最后为71-2某同学想制作一种家用环保型消毒液发生器,用石墨作电极电解饱和氯化钠溶液,通电时,为使Cl2被完全吸收,制得有较强杀菌能力的消毒液,设计了如图的装置,则对电源电极名称和消毒液的主要成分判断正确的是…()A.a为正极,b为负极;NaClO和NaClB.a为负极,b为正极;NaClO和NaClC.a为阳极,b为阴极;HClO和NaClD.a为阴极,b为阳极;HClO和NaCl二、用惰性电极电解电解质溶液的规律类型电极反应特点物质类型及实例电解的对象电解质浓度的变化溶液pH变化恢复原浓度的方法电解水型水电离出的H+、OH-放电阴极:2H++2e-===H2↑阳极:4OH--4e-===2H2O+O2↑强碱(NaOH)水增大升高加水含氧酸(H2SO4)降低活泼金属含氧酸盐(Na2SO4)不变电解电解质型电解质电离出的阴离子在阳极上失电子,阳离子在阴极上得电子无氧酸(HCl)电解质减小升高加电解质本身不活泼金属无氧酸盐(CuCl2)—放H2阴极:水电离出的H+放电2H++2e-活泼金属的无氧酸电解质和生成新电解质,升高加对应的无氧生碱型===H2↑阳极:电解质电离出的阴离子在阳极上失电子盐(NaCl、MgCl2)水原电解质浓度减小酸放O2生酸型阴极:电解质电离出的阳离子在阴极上得电子阳极:水电离出的OH-放电4OH--4e-===2H2O+O2↑不活泼金属含氧酸盐(CuSO4、AgNO3)电解质和水生成新电解质,原电解质浓度减小降低加对应的氧化物【例2】如下图所示,在一U形管中装入含有紫色石蕊的Na2SO4试液,通直流电,一段时间后U形管内会形成一个倒立的三色“彩虹”,从左到右的颜色次序是()A.蓝、紫、红B.红、蓝、紫C.红、紫、蓝D.紫、红、蓝解析:本题以电解原理为核心命题点,考查电解后溶液的酸碱性与酸碱指示剂的变色关系等知...

1、当您付费下载文档后,您只拥有了使用权限,并不意味着购买了版权,文档只能用于自身使用,不得用于其他商业用途(如 [转卖]进行直接盈利或[编辑后售卖]进行间接盈利)。
2、本站所有内容均由合作方或网友上传,本站不对文档的完整性、权威性及其观点立场正确性做任何保证或承诺!文档内容仅供研究参考,付费前请自行鉴别。
3、如文档内容存在违规,或者侵犯商业秘密、侵犯著作权等,请点击“违规举报”。

碎片内容

高中化学 专题五 电化学问题研究 课题2 电解与电镀学案 苏教版选修6-苏教版高二选修6化学学案

;绿洲书城+ 关注
实名认证
内容提供者

从事历史教学,热爱教育,高度负责。

确认删除?
VIP
微信客服
  • 扫码咨询
会员Q群
  • 会员专属群点击这里加入QQ群
客服邮箱
回到顶部