电脑桌面
添加小米粒文库到电脑桌面
安装后可以在桌面快捷访问

河北省唐山市开滦第二中学高中物理 14.2 电磁振荡导学案 新人教版选修3-4VIP免费

河北省唐山市开滦第二中学高中物理 14.2 电磁振荡导学案 新人教版选修3-4_第1页
1/4
河北省唐山市开滦第二中学高中物理 14.2 电磁振荡导学案 新人教版选修3-4_第2页
2/4
河北省唐山市开滦第二中学高中物理 14.2 电磁振荡导学案 新人教版选修3-4_第3页
3/4
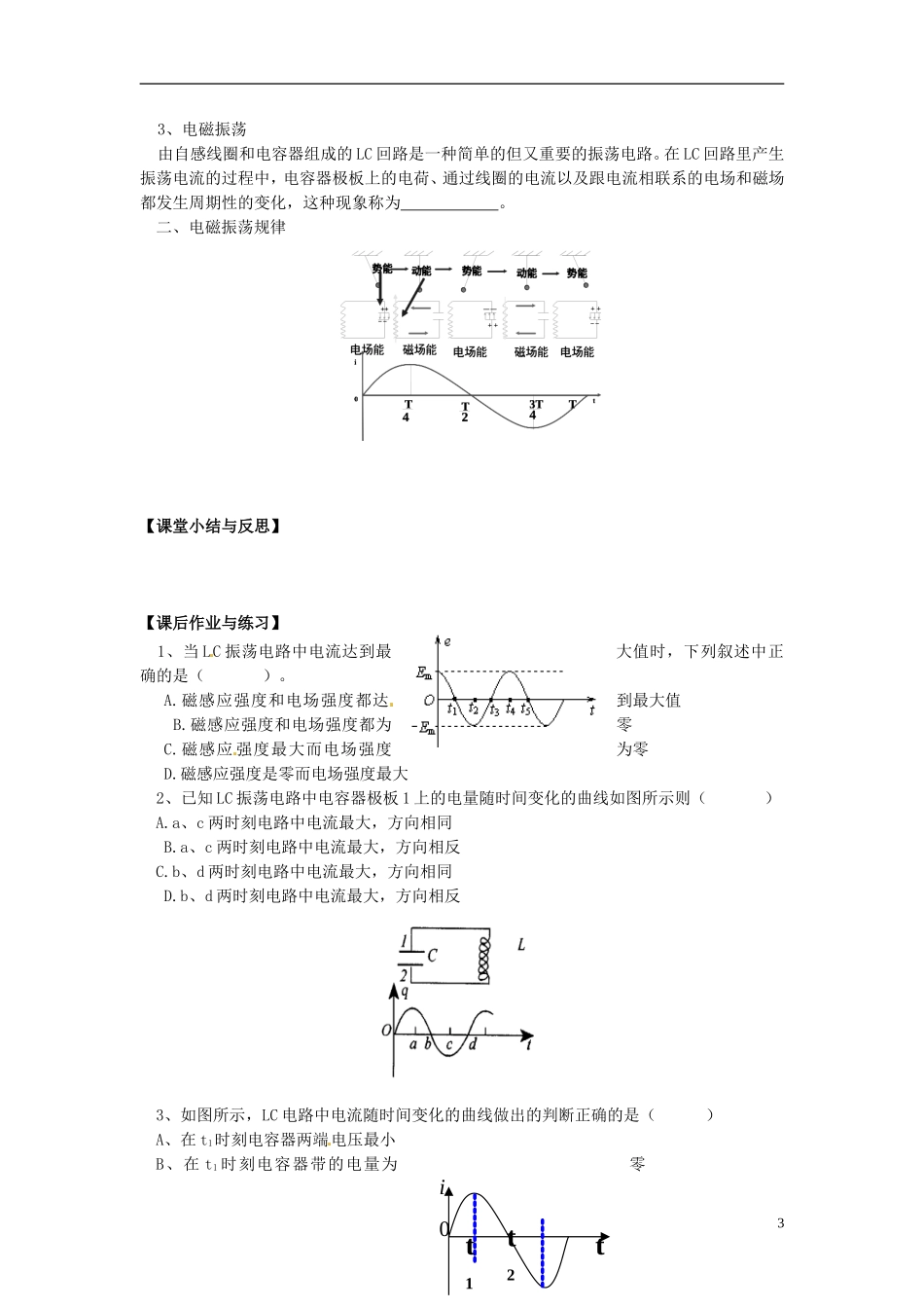
河北省唐山市开滦第二中学高中物理14.2电磁振荡导学案新人教版选修3-4【学习目标】1理解LC回路中产生振荡电流的过程.了解电容器的充电、放电作用及电感阻碍电流变化的作用.2会分析振荡电流变化过程中,电场能和磁场能的相互转化的规律,并会分析振荡电流在一个周期变化过程中,电容器上电荷的变化情况及电感线圈中电流的大小和方向的变化情况.3知道阻尼振荡和无阻尼振荡的区别,以及振幅减小的原因.4通过观察演示实验,概括出电磁振荡等概念,培养学生的观察能力、类比推理能力,以及理解和概括能力.。【重点难点】1、理解LC回路中产生振荡电流的过程。2、会分析振荡电流变化过程中,电场能和磁场能的相互转化的规律【使用说明及学法指导】本学案中等难度。建议在教师的指导下先认真阅读教材,初步理解本学案的有关知识,通过探究加深对本部分重点和难点知识的理解。【学习内容】知识准备物体在做简谐运动过程中,在运动参量变化方面,位移随时间变化的图象是,当位移增大时,速度.在能量变化方面,当振子的动能增大时,就减小,振子系统的能保持不变。在运动时间方面具有周期性的特点,其振动周期大小由决定。在单摆运动中,运动周期由和共同决定,计算公式为,通常称这个周期为单摆的周期。预习自测一、如图14-2-1所示,当K1闭合,K2断开,电源对电容器C(填“充电”或“放电”),稳定后,电容器C的(填“左端”或“右端”)极板带负电,电容器两端的电压为。在这个过程中,能量的转化是由能转化为能。现断开K1闭合K2瞬间,电容器C(填“充电”或“放电”)流过R的电流方向是,稳定后,电容器两端的电压为,这个过程中,能量的转化是由能转化为能。二、如图14-2-2所示,当K2断开、K1闭合后,你可以看到,灯泡A,灯泡B,若L为理想的电感线圈,则电路稳后灯泡A两端的电压为,灯泡B两端的电压为。现断开K1、闭合K2后你将看到,灯泡A,灯泡B。后面这个过程中,能量的转化是由能转化1ABK1K2LE图14-2-2ERK2C图14-2-1K1三、无阻尼振荡和阻尼振荡1、无阻尼振荡:振荡电路中,若没有能量损耗,则振荡电流的振幅将,就叫做无阻尼振荡(或等幅振荡)。2、阻尼振荡:任何振荡电路中,电感线圈总存在,因此振荡中线圈会发热,总存在能量损耗,使振荡电流的逐渐减小,这叫做阻尼振荡(或减幅振荡)。四、电磁振荡的周期和频率1、周期和频率:电磁振荡完成一次周期性变化所需的时间叫做,一秒钟内完成周期变化的次数叫做。.LC回路的由回路本身的特性决定.这种由振荡回路本身特性所决定的振荡周期(或频率)叫做振荡电路的固有周期(或固有频率),简称振荡电路的周期(或频率).2、在一个周期内,振荡电流的方向改变两次;电场能(或磁场能)完成周期性变化.3、大量实验表明:(1)电容增大时,周期(频率变低);(2)电感增大时,周期(频率变低);(3)电压升高时,周期(频率不变).结果表明,LC回路的周期和频率只与和有关,跟电容器的带电多少和回路电流大小无关.4、LC回路的周期和频率公式:;。合作探究一、电磁振荡的产生1、振荡电流大小和方向都做变化的电流叫做振荡电流,如图14-2-3所示。2、振荡电路、振荡电流的产生能产生的电路叫振荡电路,如图14-2-4所示,当S接1后,电源对电容器充电,电容器上极板带电,下极板带电,两板间的电压大小为,两板间储存了,这个过程为振荡电路提供了准备。当S接2后,电容器开始放电,由于线圈的自感对电流的变化具有阻碍作用,因此电路中就会产生大小方向随时间变化的。20Ttii0T图14-2-3L21ASCE图14-2-43、电磁振荡由自感线圈和电容器组成的LC回路是一种简单的但又重要的振荡电路。在LC回路里产生振荡电流的过程中,电容器极板上的电荷、通过线圈的电流以及跟电流相联系的电场和磁场都发生周期性的变化,这种现象称为。二、电磁振荡规律【课堂小结与反思】【课后作业与练习】1、当LC振荡电路中电流达到最大值时,下列叙述中正确的是()。A.磁感应强度和电场强度都达到最大值B.磁感应强度和电场强度都为零C.磁感应强度最大而电场强度为零D.磁感应强度是零而电场强度最大2、已知LC振荡电路中电容器极板1上的电量随时间变化的曲线如图...

1、当您付费下载文档后,您只拥有了使用权限,并不意味着购买了版权,文档只能用于自身使用,不得用于其他商业用途(如 [转卖]进行直接盈利或[编辑后售卖]进行间接盈利)。
2、本站所有内容均由合作方或网友上传,本站不对文档的完整性、权威性及其观点立场正确性做任何保证或承诺!文档内容仅供研究参考,付费前请自行鉴别。
3、如文档内容存在违规,或者侵犯商业秘密、侵犯著作权等,请点击“违规举报”。

碎片内容

河北省唐山市开滦第二中学高中物理 14.2 电磁振荡导学案 新人教版选修3-4

您可能关注的文档

确认删除?
VIP
微信客服
  • 扫码咨询
会员Q群
  • 会员专属群点击这里加入QQ群
客服邮箱
回到顶部