电脑桌面
添加小米粒文库到电脑桌面
安装后可以在桌面快捷访问

地测科工作流程VIP专享VIP免费

地测科工作流程_第1页
1/33
地测科工作流程_第2页
2/33
地测科工作流程_第3页
3/33
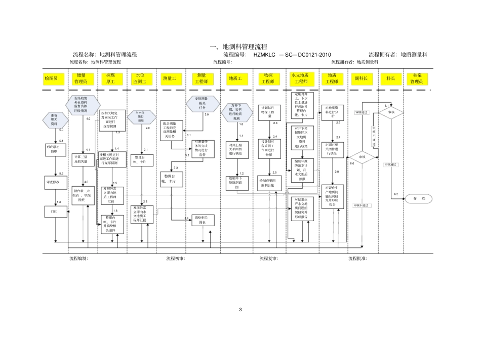
1何庄煤矿地测科工作流程二〇一〇年六月2目录一、地测科管理流程....................................................................................3二、巷道测量流程........................................................................................6三、井上水位观测孔观测流程....................................................................8四、地质说明书提交流程.........................................................................10五、物探施工流程.....................................................................................12六、探煤厚流程.........................................................................................14七、水位探测工作流程.............................................................................16八、井下巷道标定中腰线流程.................................................................18九、储量管理员工作流程.........................................................................20十、绘图员工作流程.................................................................................22十一、月度水情水害预报提交流程.........................................................24十二、临时预报通知单.............................................................................26十三、水位监测系统维修流程.................................................................28十四、钻探规程审批流程.........................................................................30十五、工作面底板注浆加固、断层注浆加固设计审批流程.................323一、地测科管理流程流程名称:地测科管理流程流程编号:HZMKLC—SC—DC0121-2010流程拥有者:地质测量科流程名称:地测科管理流程流程编号:流程拥有者:地质测量科储量管理员绘图员探煤厚工地质工程师水文地质工程师物探工程师地质工测量工程师测量工水位监测工副科长科长档案管理员审核存档审核审核通过审核通过计划每月物探工程量按计划对各采掘工作面进行物探绘制成果图编制台帐对井上相关平面图进行填绘绘制井下地质剖面图对地质资料进行分析定期对相关图件进行填绘对疑难生产地质问题组织研究并形成报告定期对井上、下水位水量进行观测并整理台帐、卡片对井下采掘地区水文地质资料进行收集对疑难生产水文地质问题组织研究并形成报告编制年度防治水计划、月水文地质预报对测量任务的完成情况进行监督填绘相关图表配合测量工程师完成测量相关任务整理台帐、卡片按相关规定对回采工作面进行煤厚探测按相关规定对掘进工作面进行煤厚探测整理台帐、卡片并填绘相关图件发现异常立即向地质工程师汇报整理台帐、卡片发现异常立即向水文地质工程师汇报计算三量及损失量做台帐,出报表,填绘图纸形成最初图纸审查修改打印审核不通过审核不通过对井下煤、岩巷进行地质观测1.01.11.21.31.41.51.62.02.12.22.32.42.52.62.72.83.03.13.23.33.44.04.14.25.05.15.25.3安排测量相关任务对水位进行观测现场收集外业资料监督资源回收情况准备相关资料6.06.16.2流程编制:流程初审:流程复审:流程批准:4何庄矿流程说明流程名称地测科流程流程编号HZMKLC—SC—DC0121-2010流程性质岗位工作流程业务类别生产流程层次科区级流程密级内部资料流程责任人地测科科长生效日期2010年6月3日流程简述科室管理流程流程目的关键控制点流程步骤1、2、3、6相关部门相关流程科室所有工作流程流程详细说明步骤环节简要描述重要输入重要输出相关表单1.0地质工对井下煤、岩巷进行地质观测原始资料原始记录本1.1对井上相关平面图进行填绘原始记录本平面图1.2绘制井下地质剖面图原始记录本剖面图1.3对地质资料进行分析原始记录本原始记录本1.4定期对相关图件进行填绘原始记录本原始记录本1.5对疑难生产地质问题组织研究并形成报告原始记录本分析报告分析报告2.0对水位进行观测原始资料原始记录本2.1整理相关台帐、卡片...

1、当您付费下载文档后,您只拥有了使用权限,并不意味着购买了版权,文档只能用于自身使用,不得用于其他商业用途(如 [转卖]进行直接盈利或[编辑后售卖]进行间接盈利)。
2、本站所有内容均由合作方或网友上传,本站不对文档的完整性、权威性及其观点立场正确性做任何保证或承诺!文档内容仅供研究参考,付费前请自行鉴别。
3、如文档内容存在违规,或者侵犯商业秘密、侵犯著作权等,请点击“违规举报”。

碎片内容

地测科工作流程

确认删除?
VIP
微信客服
  • 扫码咨询
会员Q群
  • 会员专属群点击这里加入QQ群
客服邮箱
回到顶部