电脑桌面
添加小米粒文库到电脑桌面
安装后可以在桌面快捷访问

园林景观尺寸VIP专享VIP免费

园林景观尺寸_第1页
1/24
园林景观尺寸_第2页
2/24
园林景观尺寸_第3页
3/24
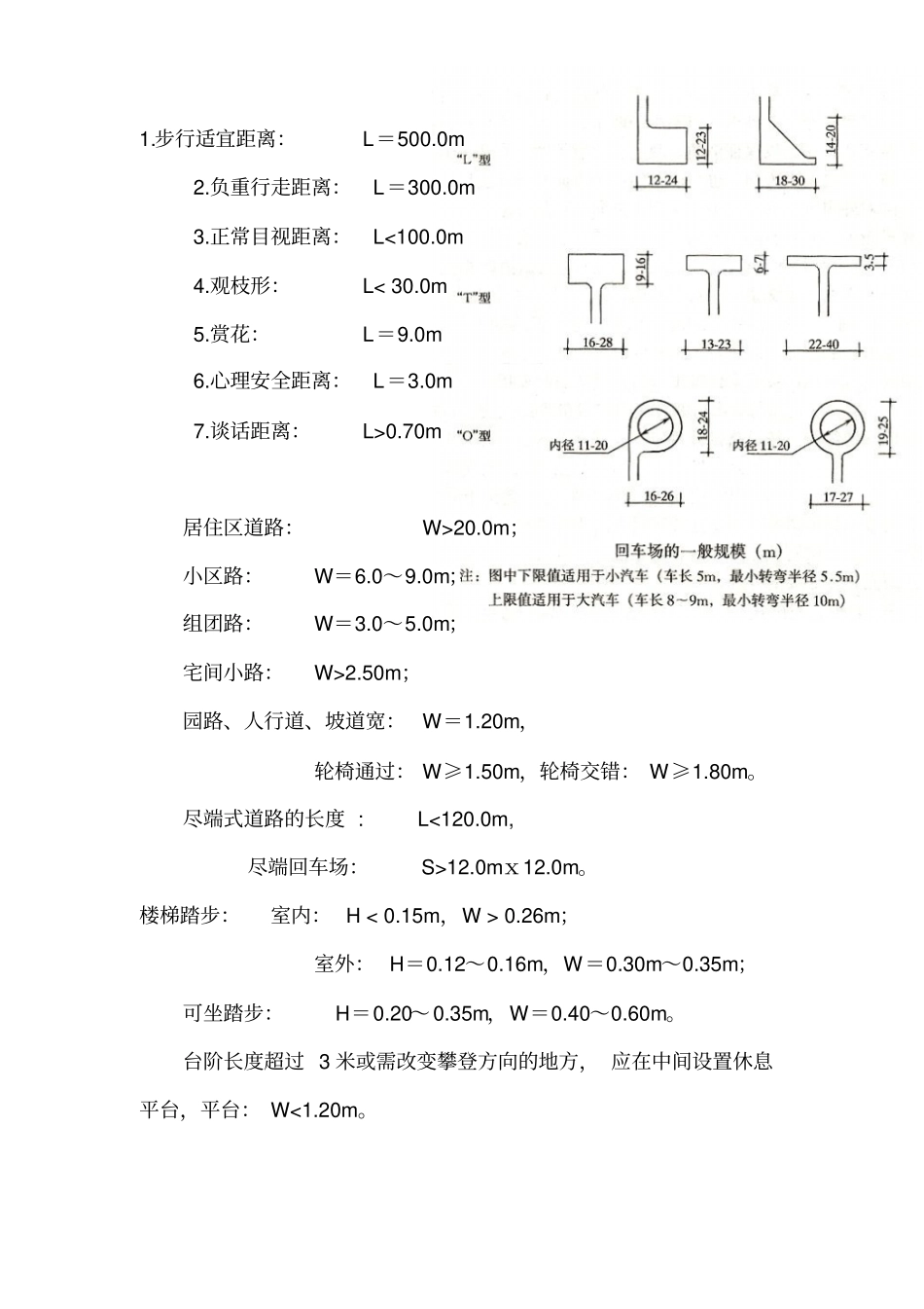
1.步行适宜距离:L=500.0m2.负重行走距离:L=300.0m3.正常目视距离:L<100.0m4.观枝形:L<30.0m5.赏花:L=9.0m6.心理安全距离:L=3.0m7.谈话距离:L>0.70m居住区道路:W>20.0m;小区路:W=6.0~9.0m;组团路:W=3.0~5.0m;宅间小路:W>2.50m;园路、人行道、坡道宽:W=1.20m,轮椅通过:W≥1.50m,轮椅交错:W≥1.80m。尽端式道路的长度:L<120.0m,尽端回车场:S>12.0mx12.0m。楼梯踏步:室内:H<0.15m,W>0.26m;室外:H=0.12~0.16m,W=0.30m~0.35m;可坐踏步:H=0.20~0.35m,W=0.40~0.60m。台阶长度超过3米或需改变攀登方向的地方,应在中间设置休息平台,平台:W<1.20m。居住区道路最大纵坡:i<8%;园路最大纵坡:i<4%;自行车专用道路最大纵坡:i<5%;轮椅坡道一般:i=6%;i<8.5%;人行道纵坡:i<2.5%。无障碍坡道高度和水平长度:坡度:1:201:161:121:101:8最大高度(m):1.501.000.750.600.35水平长度(m):30.0016.009.006.002.80室外座椅(具):H=0.38~0.40m,W=0.40~0.45m,单人椅:L=0.60m左右,双人椅:L=1.20m左右,三人椅:L=1.80m左右,靠背倾角:100-110°为宜。扶手:H=0.90m(室外踏步级数超过了3级时)残障人轮椅使用扶手:H=0.68m\0.85m栅栏竖杆的间距:W<1.10m。路缘石:H=0.10~0.15m。水篦格栅:W=0.25~0.30m。车档:H=0.70m;间距=0.60m;墙柱间距:3-4m;一般近岸处水宜浅(0.40~0.60m),面底坡缓(1/3~1/5);一般园林柱子灯高3-5m;树池铸铁盖板:有1.2、1.5m规格大小和圆、方外型;低栏杆:H=0.2~0.3m;中栏杆:H=0.8~0.9m;高栏杆:H=1.1~1.3m。亭:H=2.40~3.00m,W=2.40~3.60m,立柱间距=3.00m左右。廊:H=2.20~2.50m,W=1.80~2.50m。棚架:H=2.20~2.50m,W=2.50~4.00m,L=5.00~10.00m,立柱间距=2.40~2.70m。柱廊:纵列间距=4-6m,横列间距=6-8m。园路尺寸?建园伊始,只要道路能达到生产、运输的要求,例如,每200~500米,其密度就可以了。?一般绿地的园路分为几种:●主要道路。联系全园,必须考虑通行、生产、救护、消防、游览车辆。宽7~8米。●次要道路。沟通各景点、建筑,通轻型车辆及人力车。宽3~4米。林荫道、滨江道和各种广场。休闲小径、健康步道。双人行走1.2~1.5米,单人0.6一l米。健康步道是近年来最为流行的足底按摩健身方式。通过行走卵石路上按摩足底穴位达到健身目的,但又不失为园林一景。?散步道为游人散步使用,宽1.2-2m?台阶宽为30-38cm,高为10-15cm。道路:道路名称道路宽度居住区道路红线宽度不宜小于20m小区道路路面宽5-8m,建筑控制线之内的宽度,采暖区不宜小于14m,非采暖区不宜小于10m组团道路路面宽3-5m,建筑控制线之内的宽度,采暖区不宜小于10m,非采暖区不宜小于8m宅间小路路面宽度不宜小于2.5m园路(甬路)不宜小于1.2m主要道路(车辆行使道路)宽7~10米次要道路(人行大道)宽3~5米休闲小径或双人散步小道宽0.6~1.5米园灯:由灯头、灯杆和灯座三部分组成灯柱高约3~5米园桌:直径1000~1200高度700~750栏杆:低栏高0.2~0.3米中栏高:0.8~1米高栏高1.1~1.3米栏杆具有拦阻功能,也是分隔空间的一个重要构件。设计时应结合不同的使用场所,首先要充分考虑栏杆的强度、稳定性和耐久性;其次要考虑栏杆的造型美,突出其功能性和装饰性。常用材料有铸铁、铝合金、不锈钢、木材、竹子、混凝土等。栏杆大致分为以下3种:(1)矮栏杆,高度为30-40cm,不妨碍视线,多用于绿地边缘。也用于场地空间领域的划分。(2)高栏杆,高度在90cm左右,有较强的分隔与拦阻作用。(3)防护栏杆,高度在100-120cm以上,超过人的重心,以起防护围挡作用。一般设置在高台的边缘,可使人产生安全感。扶手,设置在坡道、台阶两侧,高度为90cm左右,室外踏步级数超过了3级时必须设置扶手,以方便老人和残障人使用。供轮椅使用的坡道应设高度0.65m与0.85m两道扶手。围栏、栅栏设计高度功能要求高度(m)隔离绿化植物0.4限制车辆出入0.5-0.7标明分界区域1.2-1.5限制人员出入1.8-2.0供植物攀援2.0左右隔噪声实栏3.0-4.5围栏/栅栏围栏、栅栏具有限入、防护、分界等多种...

1、当您付费下载文档后,您只拥有了使用权限,并不意味着购买了版权,文档只能用于自身使用,不得用于其他商业用途(如 [转卖]进行直接盈利或[编辑后售卖]进行间接盈利)。
2、本站所有内容均由合作方或网友上传,本站不对文档的完整性、权威性及其观点立场正确性做任何保证或承诺!文档内容仅供研究参考,付费前请自行鉴别。
3、如文档内容存在违规,或者侵犯商业秘密、侵犯著作权等,请点击“违规举报”。

碎片内容

园林景观尺寸

确认删除?
VIP
微信客服
  • 扫码咨询
会员Q群
  • 会员专属群点击这里加入QQ群
客服邮箱
回到顶部