电脑桌面
添加小米粒文库到电脑桌面
安装后可以在桌面快捷访问

土力学与基础的工程实习参考VIP免费

土力学与基础的工程实习参考_第1页
1/18
土力学与基础的工程实习参考_第2页
2/18
土力学与基础的工程实习参考_第3页
3/18
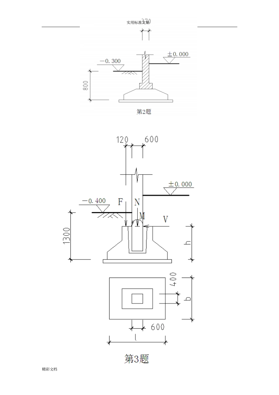
实用标准文案精彩文档土力学与基础工程实习参考答案1、设计如下页所示的墙下刚性条形基础。设计资料,钢筋砼:2500㎏/m3,水磨石地面(10厚面层,20厚砂浆打底):64㎏/m2,纸筋石灰浆:1600㎏/m3,水:1000㎏/m3,油毡:5㎏/m2,水泥砂浆:2000㎏/m3,砖墙:1900㎏/m3,毛石砼:2300㎏/m3,3:7(锯屑:土)腐殖土:1600㎏/m3。2、某墙下条形基础,轴向力设计值N=400KN/m,埋深d=0.8米,地基承载力设计值f=200KN/m2,砼采用C20,Ⅱ级钢筋,试设计此墙下钢筋砼条形基础。3、某单层工业厂房柱下独立基础,基础顶面的内力设计值为:N=670KN,M=280KN·M,V=30KN,基础梁传来竖向力设计值F=150KN,柱截面600×400,基础深埋1.3米,地基承载力设计值f=180KN/m2,混凝土为C15,Ⅰ级钢筋,试设计此杯形基础。4、某现浇柱基础顶截面内力设计值N=1500KN,M=90KN·M,V=25KN,柱截面800×400,基础深埋1.5米,地基承载力标准值fk=200KN/m2(ηb=0.3ηd=1.6),基底以上土的加权平均重度:γO=18KN/m3,基底以下土的重度γ=18.4KN/m3,砼强度等级为C20,Ⅰ级钢筋,试设计此柱下钢筋砼独立基础。5、现要求设计一挡土墙,高6米,墙背直立,填土面水平(β=0),墙背光滑与填土之间无摩擦(δ=0)。该挡土墙用Mu20的毛石和M5.0的水泥砂浆砌筑,砌体重度γk=22KN/m3,填土内摩擦角Φ=40°,粘聚力C=0,填土重度γ=19KN/m3,地面荷载10KN/m2,基底摩擦系数μ=0.5,地基承载力设计值f=180KN/m2。要求根据计算结果和构造要求绘制挡土墙施工图,包括正立面图和横断面图,比例采用1:20或1:30。提示:重力式挡土墙的顶宽约为(1/12)H,底宽取(1/2~1/3)H,初实用标准文案精彩文档步可选择顶宽b′=0.7米,底宽b=2.5米。实用标准文案精彩文档精彩文档实用标准文案精彩文档1、墙下刚性条形基础设计:(下面仅为步骤,照抄按不及格打分)。①、求基础宽度b,台阶宽度b2和墙厚a。②、确定基础每边大放脚数目n,并取整数:n≥(b/2-a/2-b2)601,单位均为mm。③、重新计算台阶宽度b2=b/2-a/2-n?60④按1:20或1:30比例画出基础施工图,编写设计说明。注:上述仅为步骤,阶数n和基础宽b由计算确定。参考图如右:实用标准文案精彩文档2、解:基础宽度b=N/(fa-γGd)=400/(200-20×0.95)=2.2099米,取b=2.4米,由于基础较宽而又浅埋,故设计为墙下钢筋砼条形基础。实用标准文案精彩文档地基净反力:Pj=N/b=400/2.4=166.67KN/m2,则底板的有效高度ho≥thⅠfV7.0=1.117.0)37.04.2(67.16621(假定底板厚度<800,则βh取1.0,砼取C20:ft=1.1MPa,Ⅱ级钢筋:fy=300N/mm2)=219.7mm,有垫层时h=ho+4cm=25.97cm<估算高度b/8=30cm,取h=400mm,此时ho=360mm,最大弯距MI=81Pj(b-a)2=81×166.67×(2.4-0.37)2=85.85KN.m。受力筋面积As=09.0hfMyⅠ=3603009.085850000=883.23(mm2)配筋:查板配筋表(结构设计上册)14@170(As=906mm2)注:分布筋φ6~φ8,@200~300,作施工图如下。3、解:厂房预制柱杯形基础的设计与第4题基本相同,可参照其中的步骤和方法进行。4、解:(一)、确定基底面积:若暂不考虑基础宽度对承载力的影实用标准文案精彩文档响,则:fa=fak+ηbγ(b-3)+ηdγm(d-0.5)=200+1.6×18×(1.5-0.5)=228.8KN/m2>1.1fak=220KN/m2。先按轴心受压基础估算面积:A=55.75.1208.2281500hfNam2,将基底面积增大10%,A=7.55×1.1=8.31m2,控制2/bl,得b=2.038米,取b=2.1米,则l=4.2米>3米,要考虑宽度对承载力的修正:fa=fak+ηbγ(b-3)+ηdγm(d-0.5)=200+0.3×18.4×1.2+1.6×18×1=235.42KN/m2,A=23.75.12042.2351500m所选面积A=4.2×2.1=8.82m2>1.1×7.3=8.03m2,满足要求。(二)、持力层强度验算:可选基础高度为750,底板边缘厚300。Ngd=N+G=1500+2.1×4.2×1.5×20=1764.6KNMgd=90+25×0.75=108.75KN·meo=Mgd/Ngd=108.75/1764.6=0.06163米,)61(minmax0leblNgdPP}==)2.406163.061(82.86.1764=2/46.18267.217mKNaf2.1<,afmKNPP<2minmax/07.200246.18267.2172故持力层强度满足要求。(三)、基础高度验算:由抗...

1、当您付费下载文档后,您只拥有了使用权限,并不意味着购买了版权,文档只能用于自身使用,不得用于其他商业用途(如 [转卖]进行直接盈利或[编辑后售卖]进行间接盈利)。
2、本站所有内容均由合作方或网友上传,本站不对文档的完整性、权威性及其观点立场正确性做任何保证或承诺!文档内容仅供研究参考,付费前请自行鉴别。
3、如文档内容存在违规,或者侵犯商业秘密、侵犯著作权等,请点击“违规举报”。

碎片内容

土力学与基础的工程实习参考

爱的疯狂+ 关注
实名认证
内容提供者

该用户很懒,什么也没介绍

确认删除?
VIP
微信客服
  • 扫码咨询
会员Q群
  • 会员专属群点击这里加入QQ群
客服邮箱
回到顶部