电脑桌面
添加小米粒文库到电脑桌面
安装后可以在桌面快捷访问

声控光控灯的设计资料VIP免费

声控光控灯的设计资料_第1页
1/10
声控光控灯的设计资料_第2页
2/10
声控光控灯的设计资料_第3页
3/10
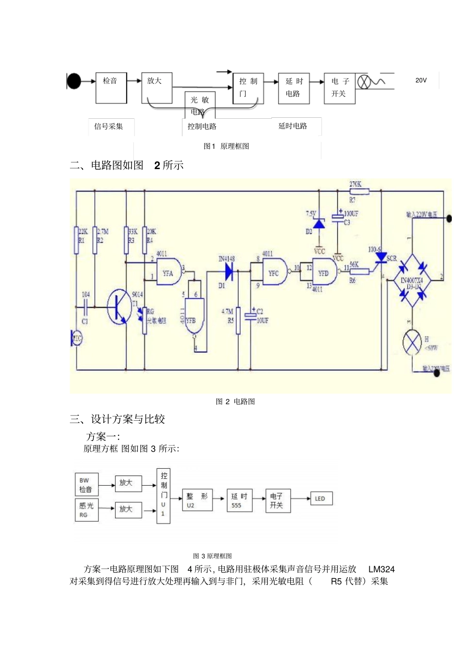
赣南师院物理与电子信息学院数字电路课程设计报告书姓名:班级:学号:时间:201年4月20日声控光控灯的设计一、设计要求及原理1、设计要求:实现一个由声音和环境亮度共同控制的开关,其功能是在白天,电路总是关断。在黑暗条件下,电路处于等待工作状态,当有声音出现时(或有人经过),可控硅导通,驱动灯泡发光,并开始进入延时状态,一段时间后可控硅自动关断,灯泡熄灭,节电环保。2、设计思想:上光线较亮时,光控部分将开关断开,声控部分起不了作用。当光线较暗时光控部分将开关自动打开,负载电路的通断受控于声控部分。电路能否接通就看声音信号强度。当声音强度达到一定程度是,电路自动接通,白炽灯点亮,并开始延时,延时时间到开关9动关闭,等下一次声音信号触发。3:实验所需器件:表1普通日光灯1MIC用驻极体话筒1一般光敏电阻1普通二极管(IN4007)5稳压二极管(7.5V)1极管(IN4148)1三极管NPN(9014)2普通电阻22K/33K/2.7M/20K/270K/56K/4.7M1瓷片电容1041电解电容10UF/100UF1集成芯片74LS0014:设计原理:220V市电通过灯丝、D3-D7、降压整流后,经过R7限流、D2、C3稳压滤波为电路提供稳定的工作电压。R4、RG组成分压电路,白天由于光照RG阻值变小,YFA1脚电位被拉低,由与非门的逻辑关系可知此时YFA3脚输出为高电平,经过YFA2反相变为低电平,D1截止后级电路不动作。晚上光线暗RG阻值变大,YFA1脚电位升高,如果此时有声音被MIC接收,经C1耦合T1放大,在R3上形成音频电压,此电压如高于1/2电源电压,则YF13脚输出低电平,经YFB反相,4脚输出的高电平经D1向C2瞬间充电,使YFC输入端接近电源电压,10脚输出低电平,由YFD反相缓冲后经R6触发可控硅导通,电灯正常点亮。(此时则由C2向电路供电)如此后无声被MIC接收,则YFA输出恢复为高电平,C2通过R5缓慢放电,当C2电压下降到低于1/2电源电压时(按图中参数约一分钟)YFC反转、YFD反转,可控硅(SCR)截止电灯关闭,等待下次触发。5:设计方案:感应电路对信号进行采集后将信号传至控制与延时电路,进而控制可控硅通断,实现课题所要求的功能与指标。图1原理框图二、电路图如图2所示图2电路图三、设计方案与比较方案一:原理方框图如图3所示:图3原理框图方案一电路原理图如下图4所示,电路用驻极体采集声音信号并用运放LM324对采集到得信号进行放大处理再输入到与非门,采用光敏电阻(R5代替)采集检音放大光敏电路控制门延时电路电子开关20V控制电路信号采集延时电路光信号转换为电平信号并经过运放LM324进行发大输入到与非门进行逻辑处理。延时功能通过555单谐震荡实现。原理图4方案二:原理图如下图5所示,感应电路对信号进行采集后将信号传至控制与延时电路,进而控制可控硅通断,实现课题所要求的功能与指标图5原理框图方案二仿真电路图如下图6所示检音放大光敏电路控制门延时电路电子开关220V控制电路信号采集延时电路图6使用了数字集成电路TC4011(74LS00),其内部含有4个独立的与非门VD1~VD4,使电路结构简单,工作可靠性高,价格便宜。方案比较:两个方案一和方案二原理基本相同但是考虑到电路的复杂性和器件的价格以及两个电路延时的效果所以此次采用的是方案二进行设计。四、单元电路的设计1、声音放大电路:当MIC获取到声音信号后,其会转换成电信号,由声信号转换成的电信号控制电子开关,所以必须加三极管放大器放大该信号。为了获得较高的灵敏度,Q1的β值选用大于100。声信号选用灵敏度高的。R3不宜过小,否则电路容易产生间歇振荡。声音放大单元电路图7所示:图7声音放大单元电路图2、光敏电路:当环境有一定亮度时,LR阻值很小,所以1处于低电位,不论2是什么电位,YFA的输出总是高电位,二极管IN4148因为电压反偏而截止,C2和R4下端始终处于高电位,也就是使3、4的四个并联输入端都处于高电位,它们的输出端处于低电位,所以电路在有光亮环境下不论出现多大强度音响灯都不会发光。光敏电路单元电路图8所示:图8光敏电路单元电路图3、开关电路:当电压信号达到一定值时,电子开关打开。当电压信号小于此值时,电子开关关闭。其起到的主要作用是控制延时电路中的电容充放电。声音信号变成直流控...

1、当您付费下载文档后,您只拥有了使用权限,并不意味着购买了版权,文档只能用于自身使用,不得用于其他商业用途(如 [转卖]进行直接盈利或[编辑后售卖]进行间接盈利)。
2、本站所有内容均由合作方或网友上传,本站不对文档的完整性、权威性及其观点立场正确性做任何保证或承诺!文档内容仅供研究参考,付费前请自行鉴别。
3、如文档内容存在违规,或者侵犯商业秘密、侵犯著作权等,请点击“违规举报”。

碎片内容

声控光控灯的设计资料

确认删除?
VIP
微信客服
  • 扫码咨询
会员Q群
  • 会员专属群点击这里加入QQ群
客服邮箱
回到顶部