电脑桌面
添加小米粒文库到电脑桌面
安装后可以在桌面快捷访问

外墙渗水原因分析及处理技术方案VIP免费

外墙渗水原因分析及处理技术方案_第1页
1/7
外墙渗水原因分析及处理技术方案_第2页
2/7
外墙渗水原因分析及处理技术方案_第3页
3/7
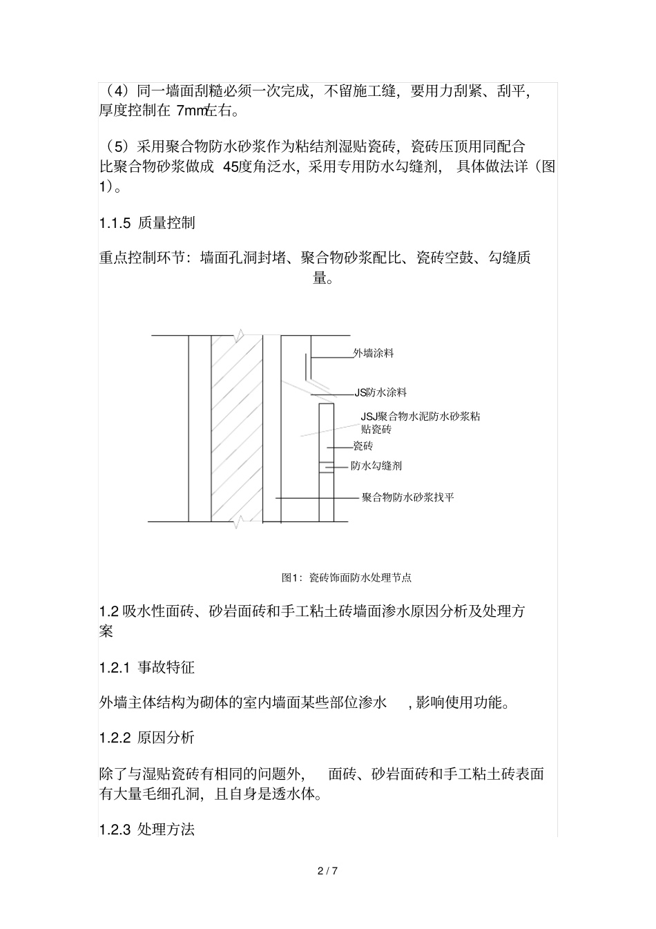
1/7外墙梁底、柱与窗边渗水处理方案1、外墙渗水原因分析及处理方案1.1湿贴瓷砖墙面1.1.1事故特征外墙主体结构为砌体的室内梁底、柱与窗边接缝处墙面渗水,影响使用功能。1.1.2原因分析(1)混凝土构件与砌体交接处砂浆不密实。(2)外墙面刮糙前没有将外墙砌体中的空头缝、施工孔洞等嵌填密实。(3)瓷砖灌浆不饱满及顶端收头防水密封不严密。(4)瓷砖粘结剂及勾缝剂为普通水泥砂浆,无防水功效。(5)没有经过防水处理的瓷砖材料本身是透水体,雨水能从其表面渗入墙体内。(6)蒸压加气砖的缩水等因素。1.1.3处理方法(1)瓷砖用“专用防护剂”进行六面封闭处理。(2)将瓷砖压顶水泥砂浆凿除,用聚合物砂浆压顶,做成45度角泛水,再用金汤“JS”防水涂料涂刷三遍。1.1.4预防措施(1)在外墙抹灰前,要堵塞外墙面一切渗水通道,全面检查外墙面的灰缝与孔洞。(2)清除墙面的灰疙瘩、粉尘,冲水湿润。(3)嵌填好门窗框四周与土建墙体之间的缝隙。2/7(4)同一墙面刮糙必须一次完成,不留施工缝,要用力刮紧、刮平,厚度控制在7mm左右。(5)采用聚合物防水砂浆作为粘结剂湿贴瓷砖,瓷砖压顶用同配合比聚合物砂浆做成45度角泛水,采用专用防水勾缝剂,具体做法详(图1)。1.1.5质量控制重点控制环节:墙面孔洞封堵、聚合物砂浆配比、瓷砖空鼓、勾缝质量。聚合物防水砂浆找平防水勾缝剂瓷砖JSJ聚合物水泥防水砂浆粘贴瓷砖JS防水涂料外墙涂料图1:瓷砖饰面防水处理节点1.2吸水性面砖、砂岩面砖和手工粘土砖墙面渗水原因分析及处理方案1.2.1事故特征外墙主体结构为砌体的室内墙面某些部位渗水,影响使用功能。1.2.2原因分析除了与湿贴瓷砖有相同的问题外,面砖、砂岩面砖和手工粘土砖表面有大量毛细孔洞,且自身是透水体。1.2.3处理方法3/7采用与瓷砖墙面渗水处理相同方案外,在吸水性面砖表面喷涂无色不成膜的憎水性防水材料,用农用喷雾器喷或刷二~三遍。1.2.4预防措施及2.2.5质量控制同瓷砖外墙方案3、阳光房根部渗水原因分析及处理方案3.1事故特征阳光房根部翻边渗水。3.2原因分析(1)阳光房的细部防水构造设计不合理,施工不规范。(2)素混凝土翻边基底没清理干净,混凝土浇捣不密实。(3)翻边根部外侧没有做泛水及外侧高于内侧。3.3处理方法(1)将阳光房底框下的聚氨酯发泡剂全部清除,先用聚合物胶乳在铝合金框及砂浆面洗刷一道,等固化后再用聚合物防水砂浆分层嵌填密实,框与墙交接处用耐候胶密封。(2)将翻边外侧的粉刷层凿除,用压力水冲洗干净,湿润,涂刷“JS”一布五涂防水层,用聚合物防水砂浆抹灰,泛水坡度≥6%。(3)阳光房底框与翻边交接处用硅酮耐候胶密封。3.4预防措施(1)翻边与结构板混凝土宜一次性浇捣。(2)翻边混凝土强度等级不应小于C20,采用插入式振动棒振捣,直至浮浆冒出为止,尤其是翻边与墙体相交两端必须振捣密实。(3)混凝土翻边根部涂刷“JS”一布五涂,用聚合物防水砂浆抹灰,泛水坡度≥6%,具体做法详(图2)。4/7(4)阳光房型料采用幕墙料,壁厚≥2.0mm,底框严禁拼接,玻璃安装之前内阴角及外部型材拼管缝必须用硅酮耐候胶密封。3.5质量控制应重点控制翻边素混凝土浇捣质量、型材底框必须贯通。与室外露台相连的落地门窗翻边渗水也采用相同方案处理。4、铝合金外门窗渗水原因分析及处理方案4.1事故特征门窗框角部及四周渗水,影响使用功能。4.2原因分析(1)雨水从门窗框与墙体连接缝隙渗入室内。(2)外窗台高于内窗台,雨水沿窗框下渗入室内。(3)瓷砖或面砖墙面及外立面石材门窗套存在空鼓现象,且勾缝不密实。(4)窗顶没有做滴水线,雨水沿过梁底经过门窗框与墙体缝隙而渗入室内。5/7(5)灌注的聚氨酯发泡剂不密实。(6)铝合金外门窗拼管缝处渗水。(7)铝合金外门窗框角部没有使用专用组角胶。4.3处理方法(1)整改窗顶老鹰嘴滴水线。(2)如因外窗台高于窗下框而漏水的,需返工处理,使外窗台面低于窗下框10~20mm,缝内灌注聚氨酯发泡剂。窗台的找平及铺贴面砖,均采用聚合物防水砂浆施工。窗框与墙交接处用硅酮耐候胶密封进行密封。(3)若门窗框与墙体缝隙留设过大,在安装门窗框前应先采用水泥砂浆刮糙,使缝隙宽度保...

1、当您付费下载文档后,您只拥有了使用权限,并不意味着购买了版权,文档只能用于自身使用,不得用于其他商业用途(如 [转卖]进行直接盈利或[编辑后售卖]进行间接盈利)。
2、本站所有内容均由合作方或网友上传,本站不对文档的完整性、权威性及其观点立场正确性做任何保证或承诺!文档内容仅供研究参考,付费前请自行鉴别。
3、如文档内容存在违规,或者侵犯商业秘密、侵犯著作权等,请点击“违规举报”。

碎片内容

外墙渗水原因分析及处理技术方案

您可能关注的文档

确认删除?
VIP
微信客服
  • 扫码咨询
会员Q群
  • 会员专属群点击这里加入QQ群
客服邮箱
回到顶部