电脑桌面
添加小米粒文库到电脑桌面
安装后可以在桌面快捷访问

安全管理组织结构VIP免费

安全管理组织结构_第1页
1/12
安全管理组织结构_第2页
2/12
安全管理组织结构_第3页
3/12
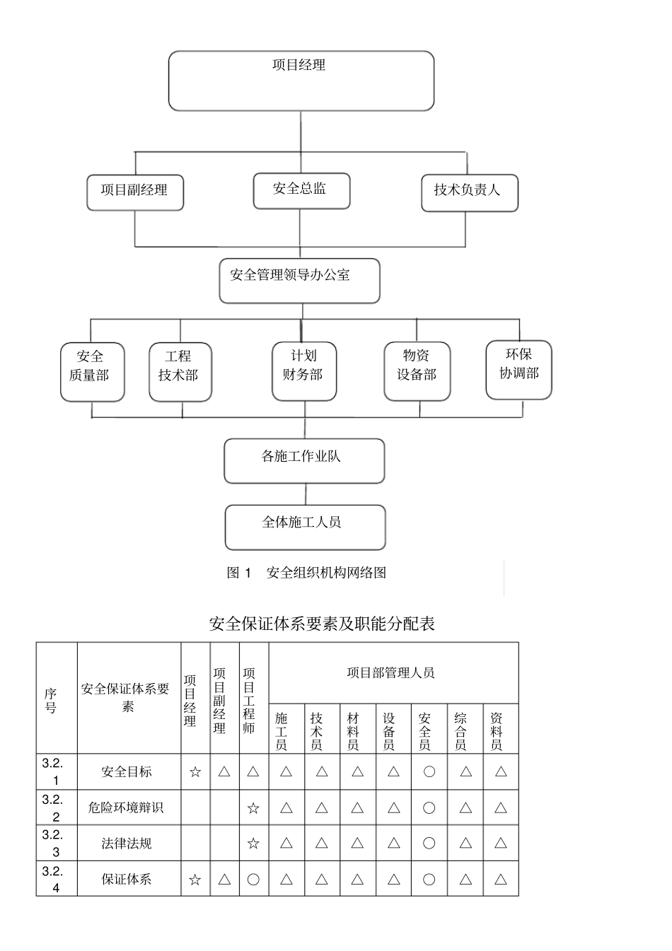
安全管理组织机构一、安全管理组织工程项目部建立以项目经理为现场安全保证体系第一责任人的安全生产领导小组。本安全生产保证体系规定的安全活动由项目经理负管理职责,项目部管理层其他人员负责配合。本项目部应确保各级人员理解安全生产、环境保护管理计划并贯彻执行,本项目部的任何部门都对偏离本计划的现象进行抵制,并对安保体系的实施情况进行管理和跟踪。具体组织如下(见安全组织结构网络图):(1)安全生产领导小组拟定落实安全管理目标,制订安全保证计划,根据保证计划的要求,落实资源的配置。(2)负责安全体系实施过程中的运行实施监督、检查。(3)对安全生产保证体系运行过程中,出现不符合要素的要求,施工中出现的隐患,制订纠正和预防措施,并对上述措施进行复查。(4)安全生产领导小组名单:组长:潘挺挺(项目经理)副组长:蔡万增(项目副经理)组员:张凤文(项目总工)谢松菊刘配全(项目设备物资部长)(5)文明施工领导小组名单:组长:伍如义副组长:姜胜畅卫国蓝宏峰组员:李仁富申海龙陈涛刘忠华李洲刘配全(6)防汛、防台领导小组名单:组长:周士副组长:姜胜组员:李仁富申海龙胡益杰(7)防火领导小组名单:组长:周士副组长:姜胜组员:李仁富申海龙胡益杰(8)综合治理领导小组名单:组长:肖自力副组长:周士姜胜伍如义组员:李仁富申海龙胡益杰二、工程项目部安全保证体系要素及职能分配表(详见安保体系要素及职能分配表)安全保证体系要素及职能分配表序号安全保证体系要素项目经理项目副经理项目工程师项目部管理人员施工员技术员材料员设备员安全员综合员资料员3.2.1安全目标☆△△△△△△○△△3.2.2危险环境辩识☆△△△△○△△3.2.3法律法规☆△△△△○△△3.2.4保证体系☆△○△△△△○△△安全质量部环保协调部物资设备部工程技术部项目经理图1安全组织机构网络图各施工作业队全体施工人员技术负责人安全管理领导办公室安全总监项目副经理计划财务部3.3.1组织结构☆○△△△△△△△△3.3.2教育培训☆△△△△△△○△3.3.3文件控制☆△△△△△○△○3.3.4采购及验收☆△△△○○○△△3.3.5分包控制☆△△△△△△○△3.3.6施工过程控制☆☆△○△△△△○△3.3.7应急救援☆△△△△△○△△3.4.1安全检查☆○△△△△△○△△3.4.2纠正和预防措施☆△○△△△○△△3.4.3内部审核☆△○△△△△△△△3.4.4安全评估☆△△△△△△○△△3.4.5安全记录☆△△△△○△○注:★—主管领导●—主管部门(人)▲—相关部门(人)三、安全管理网络图四、职责与权限图12.3-1安全保证体系框图安全生产领导小组安全责任制安全教育安全工作体系安全控制安全检查各级业务部门现场施工负责人安全检查员参建施工人员保证施工安全提高安全意识系统安全教育上岗前安全教育安全技术培训责任到人、奖罚兑现安全作业规程安全奖惩条例安全管理制度提高预测预防能力规范生产管理规范现场设施规范施工作业规范生活环境建设安全标准工地责任制消除事故隐患定期检查专业检查日常检查本项目部制定并执行了严格的安全生产责任制,对各职能部门及各层次人员的职责、职权和相互接口关系有明确规定。1、项目经理对安保体系建立、安全管理目标的制订、健全并有效地运行的决策负责,对本项目最终管理目标的实现和安全管理工作全面负责,并亲自组织管理评审工作;2、项目副经理、项目工程师在项目经理的领导下,按安全生产责任制的规定,分别承担各自的责任;3、各部门为保证安保体系有效运行,保证实现安全管理目标,按安全生产责任制的规定,分别承担各自的责任;4、各级各类人员按规定履行本岗位的安全职责,并以自身的工作质量确保安保体系的运行和最终目标的实现。本项目部保障并支持从事与安全管理和监督有关的工作人员,特别是需要独立行使权力的人员的工作不受干扰,赋予他们越级反映安全问题的权力和义务。项目部管理层安全职责1、项目经理:陈天民(1)贯彻执行各项有关安全生产的法令、法规、标准、规范和制度,承揽合同,严肃履约。(2)组织安全策划,确立安全管理目标,领导编制施工组织设计、施工现场安全生产保证计划;确保项目工程安全...

1、当您付费下载文档后,您只拥有了使用权限,并不意味着购买了版权,文档只能用于自身使用,不得用于其他商业用途(如 [转卖]进行直接盈利或[编辑后售卖]进行间接盈利)。
2、本站所有内容均由合作方或网友上传,本站不对文档的完整性、权威性及其观点立场正确性做任何保证或承诺!文档内容仅供研究参考,付费前请自行鉴别。
3、如文档内容存在违规,或者侵犯商业秘密、侵犯著作权等,请点击“违规举报”。

碎片内容

安全管理组织结构

您可能关注的文档

确认删除?
VIP
微信客服
  • 扫码咨询
会员Q群
  • 会员专属群点击这里加入QQ群
客服邮箱
回到顶部