电脑桌面
添加小米粒文库到电脑桌面
安装后可以在桌面快捷访问

安全预警指数系统VIP免费

安全预警指数系统_第1页
1/6
安全预警指数系统_第2页
2/6
安全预警指数系统_第3页
3/6
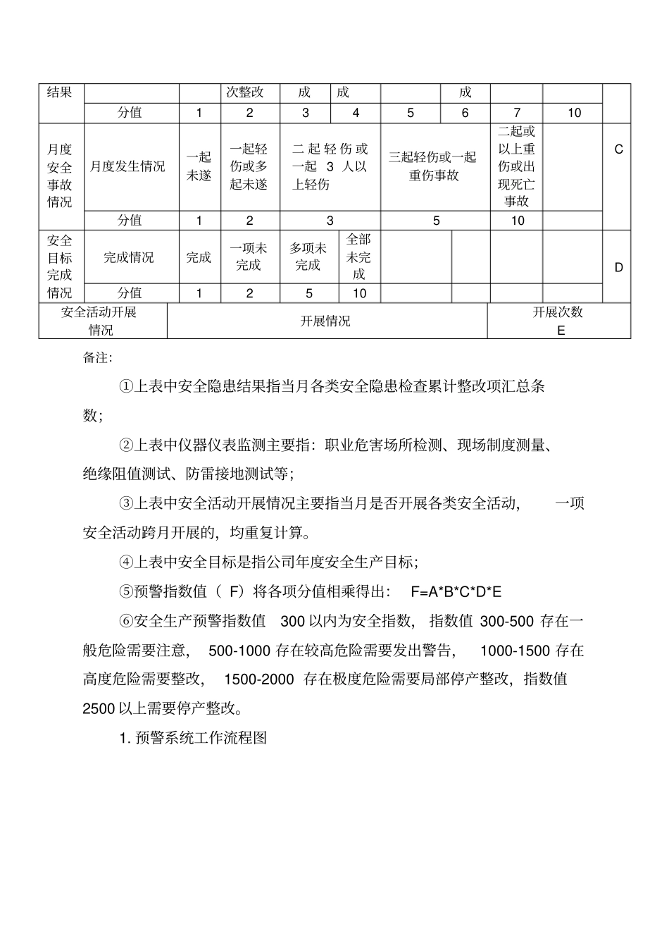
安全预警指数系统二〇一五年度公司安全生产预警指数系统为加强公司安全生产管理,提前预测可能存在的安全风险,提高控制安全事故风险和职业健康的能力,达到安全生产管理的科学性、先进性及合理性,保障公司安全管理体系有效运行以及安全标准化体系的持续改进,建立安全生产事故隐患排查治理长效机制,强化公司安全生产主体责任,加强事故隐患监督管理,提高现场隐患排查治理的效率和质量,防止和减少安全生产事故,保障公司员工生命财产安全和安全管理目标的顺利实现,特建立公司安全生产预警指数系统。一、安全生产预警指数系统领导小组组长:李俊明副组长:程志强成员:叶德忠、严小军、姜成、盛丽、刘贝贝、康友梅。预警指数系统领导小组办公室设在公司安全办。主任:程志强观察员:安全办郑山、生产部王亚飞、生产王向斌、仓储部高峰。二、安全生产预警系统工作流程1、每月由安全生产预警系统观察员对公司安全生产相关数据、材料检修统计分析,测算出公司安全生产指数值,并绘制安全生产预警指数图。2、安全生产预警系统指数具体统计指标及测算指标项目具体指标分值代号隐患排查结果隐患条数20条40条60条80条100条120条150条350条以上A分值1015202530354045隐患整改整改情况全部完成存在二10条未完15条未完20条未完成25条未完30条未完成30条以上未完成B结果次整改成成成分值123456710月度安全事故情况月度发生情况一起未遂一起轻伤或多起未遂二起轻伤或一起3人以上轻伤三起轻伤或一起重伤事故二起或以上重伤或出现死亡事故C分值123510安全目标完成情况完成情况完成一项未完成多项未完成全部未完成D分值12510安全活动开展情况开展情况开展次数E备注:①上表中安全隐患结果指当月各类安全隐患检查累计整改项汇总条数;②上表中仪器仪表监测主要指:职业危害场所检测、现场制度测量、绝缘阻值测试、防雷接地测试等;③上表中安全活动开展情况主要指当月是否开展各类安全活动,一项安全活动跨月开展的,均重复计算。④上表中安全目标是指公司年度安全生产目标;⑤预警指数值(F)将各项分值相乘得出:F=A*B*C*D*E⑥安全生产预警指数值300以内为安全指数,指数值300-500存在一般危险需要注意,500-1000存在较高危险需要发出警告,1000-1500存在高度危险需要整改,1500-2000存在极度危险需要局部停产整改,指数值2500以上需要停产整改。1.预警系统工作流程图1、观察员安全活动开展情况安全目标完成情况隐患排查汇总结果安全隐患整改结果月度安全事故情况整改验证、统计分安全预警指数安全预警指数图安全生产分析表指标项目具体指标分值1月2月3月4月5月6月7月8月9月10月11月12月代号隐患排查结果隐患条数412106+14+13+18+125A分值101011010101015隐患整改结果整改情况4129642924B分值11222212月度安全事故情况月度发生情况00000000C分值11111111安全目标完成情况完成情况完成完成一项完成完成完成完成一项D分值11211111安全活动开展情况开展情况11111111E分值111111111预警指数值1010402020201060F备注:安全生产分析系统图指数值2500停工整改2000局部整改1500整改1000警告500注意300安全1006050402020202010101010实际值1010402020201060月份123456789101112

1、当您付费下载文档后,您只拥有了使用权限,并不意味着购买了版权,文档只能用于自身使用,不得用于其他商业用途(如 [转卖]进行直接盈利或[编辑后售卖]进行间接盈利)。
2、本站所有内容均由合作方或网友上传,本站不对文档的完整性、权威性及其观点立场正确性做任何保证或承诺!文档内容仅供研究参考,付费前请自行鉴别。
3、如文档内容存在违规,或者侵犯商业秘密、侵犯著作权等,请点击“违规举报”。

碎片内容

安全预警指数系统

您可能关注的文档

确认删除?
VIP
微信客服
  • 扫码咨询
会员Q群
  • 会员专属群点击这里加入QQ群
客服邮箱
回到顶部