电脑桌面
添加小米粒文库到电脑桌面
安装后可以在桌面快捷访问

起重设备检查表VIP免费

起重设备检查表_第1页
1/9
起重设备检查表_第2页
2/9
起重设备检查表_第3页
3/9
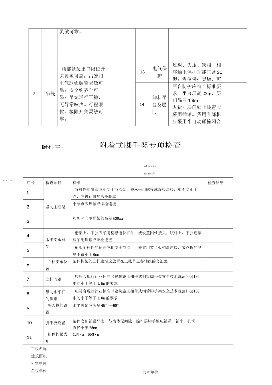
年月日工程名称施工地点施工单位安装单位塔机型号设备出厂编号产权备案编号安装咼度序号项目要求检查记录序号项目要求检查记录1基础基础应符合使用说明书要求。有排水设施。组合式塔机基础专项方案应经过专家论证。钢格构柱焊接质量等符合要求。9主要紧固件塔身等部位连接螺栓预紧力应达到说明书要求。2安全装置力矩限制器、变幅限位、超高限位、回转限位等安全装置应齐全、灵敏、可靠。10电器线路1电器设备必须保证传动性能和控制性准确可靠。2、与架空咼压输电线安全距离应符合标准要3金属结构1、整机结构是否变形、开焊、裂纹。2、塔身标准节螺栓套焊接部位是否有裂纹。3、无严重锈蚀。11垂直度独立高度以下:W2%。独立咼度以上:W4%o自由端高度是否符合说明书要求。4保险装置吊钩保险装置完好。卷扬机保险装置及栏杆等防护设施齐全、可靠。12避雷符合说明书要求5钢丝绳符合起重钢丝绳标准。绳卡安装正确、可靠。13塔机指挥1、指挥、司索持证上岗2、指挥应使用对讲机6配重平衡臂压重按规定放置、数量符合要求14对5年以上的塔机1、进行磁粉探伤针对受力最大部位、应力或弯矩最大部位;或其它可疑部位。2、进行超声波测厚针对锈蚀或磨损严重的部位。7传动机构1、减速机构无异响无漏油。2、制动器灵敏、可靠。3、各部滑轮完整、无破8附墙装置按说明书要求设置与连接;超长附墙杆有设计计算书、报审表。15卸料平台单侧二钢丝绳独立固定、绳径三巾20、绳夹设置符合规定、安全防护到位。16塔机安全监控系统安全监控系统正常运行情况;安全监控系统在线情况;安全监控系统预警信息及时处理情况附件二:施工升降机专项检查表年月日工程名称施工地点施工单位安装单位升降机型号设备出厂编号产权备案编号安装咼度序号项目要求检查记录序号项目要求检查记录1垂直度不大于1%08楼层召唤器人货两用升降机应使用楼层召唤器。2金属结构焊缝无裂缝、无漏焊等紧固件齐全,预紧力达到说明书要求。9监控系统货用升降机:电视机图像清晰、对讲通话系统正常3附着装置按说明书要求设置与连接。10安全装置SS型瞬时式防坠安全器应灵敏、可靠;楼层停靠装置应与出料门联动;曳引机传动应有超载限制器。4地面防护货用防护围栏不低于1.5m。围栏门电气联锁。11避雷避雷装置符合要求5基础符合说明书要求。基础不按常规设置的应有设计计算书。有排水设施。12传动系统SC型制动力矩不小于;齿轮与齿条啮合正常。SS型:曳引绳应有防松可调装置,各绳张力误差不超过5%;制动器能控制住倍的额定荷载;各滑轮完整,灵活可靠。滑轮、曳引轮防脱槽装置安全可^靠。6安全装置SC型渐近式防坠安全器应每年一检;对重松断绳保护、超载限制器等安全装置应齐全、附件三:附着式脚手架专项检查结构形机位布安装单灵敏可靠。7吊笼顶部紧急出口限位开关灵敏可靠;吊笼门电气联锁装置灵敏可靠;安全钩齐全可靠;吊笼运行平稳、无异常响声。行程限位、极限开关灵敏可靠。13电气保护过载、失压、缺相、相序触电保护功能正常SC型:零位保护灵敏、可靠14卸料平台及层门平台防护应符合标准要求。平台层咼22m、层门咼三1.8m;人货:层门锁止装置应采用插销。货用升降机应采用半自动碰撞闭合装置。序号检查项目标准检查结果1竖向主框架各杆件的轴线应汇交于节点处,并应采用螺栓或焊接连接,如不交汇于一点,应进行附加弯矩验算2个节点应焊接或螺栓连接3相邻竖向主框架的高差W30mm4水平支承桁架桁架上、下弦应采用整根通长杆件,或设置刚性接头;腹杆上、下弦连接应采用焊接或螺栓连接5桁架个杆件的轴线应相交于节点上,并宜用节点板构造连接,节点板的厚度不得小于6mm6立杆支承位置架体构架的立杆底端应放置在上弦节点各轴线的交汇处7立杆间距应符合现行行业标准《建筑施工扣件式钢管脚手架安全技术规范》GJ130中的小于等于1.5m的要求8纵向水平杆的步距应符合现行行业标准《建筑施工扣件式钢管脚手架安全技术规范》GJ130中的小于等于1.8m的要求9剪刀撑的设置水平夹角应满足45°—60°10脚手板设置架体底部铺设严密,与墙体无间隙,操作层脚手板应铺满、铺牢,孔洞直径小于25mm11扣件拧紧力矩40N・m—65N・m监理单位工程名称建筑面积租赁单...

1、当您付费下载文档后,您只拥有了使用权限,并不意味着购买了版权,文档只能用于自身使用,不得用于其他商业用途(如 [转卖]进行直接盈利或[编辑后售卖]进行间接盈利)。
2、本站所有内容均由合作方或网友上传,本站不对文档的完整性、权威性及其观点立场正确性做任何保证或承诺!文档内容仅供研究参考,付费前请自行鉴别。
3、如文档内容存在违规,或者侵犯商业秘密、侵犯著作权等,请点击“违规举报”。

碎片内容

起重设备检查表

确认删除?
VIP
微信客服
  • 扫码咨询
会员Q群
  • 会员专属群点击这里加入QQ群
客服邮箱
回到顶部