电脑桌面
添加小米粒文库到电脑桌面
安装后可以在桌面快捷访问

工程安排及施工进度计划书VIP专享VIP免费

工程安排及施工进度计划书_第1页
1/3
工程安排及施工进度计划书_第2页
2/3
工程安排及施工进度计划书_第3页
3/3
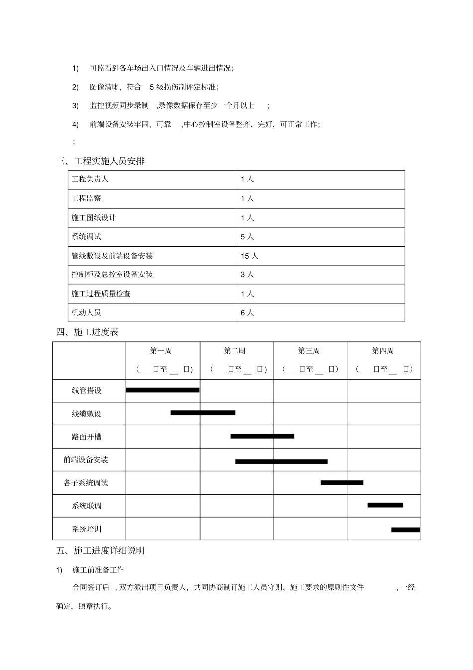
工程安排及施工进度计划书文件编号:________________一、工程简况工程名称果岭里停车场智能管理系统管理工程类型工程地址北京市望京果岭里建设单位北京金慧益电子科技有限公司联系人地址联系电话设计单位联系人地址联系电话施工单位联系人地址联系电话二、项目实施说明本项目由停车场智能管理系统和车场出入口视频监控系统我方拟定出3名技术工程师,外调项目实施人员15人组成工程安装调试队伍,进行整个工程的安装调试工作。工期初步预定为40天,其中线管搭设约为8天,线缆敷设约8天,前端设备安装需时16天,各子系统调试拟定5天,系统联调3天,安装调试完毕后,对甲方值班、操作人员进行为期2天的系统培训;其中有交叉情况存在。工期计算以设备到现场后为开工日期,结束时间以培训结束时间为准;工期最后一天如遇休息日,则以下一工作日为准;其中,若遇甲方现场停电、协调人员未到位等特殊情况,双方协商后,工期顺延.安装调试完毕后,拟达到如下要求:停车场智能管理系统:1)车场出入车辆必须持有本车场智能管理电子感应卡2)出入车场需驾驶机动车辆方可有效刷卡抬杆通过3)出入车场非机动车辆则刷卡无效,无法通过4)前端设备安装牢固、可靠,中心控制室设备整齐、完好,可正常工作;闭路电视监控系统:1)可监看到各车场出入口情况及车辆进出情况;2)图像清晰,符合5级损伤制评定标准;3)监控视频同步录制,录像数据保存至少一个月以上;4)前端设备安装牢固、可靠,中心控制室设备整齐、完好,可正常工作;;三、工程实施人员安排工程负责人1人工程监察1人施工图纸设计1人系统调试5人管线敷设及前端设备安装15人控制柜及总控室设备安装3人施工过程质量检查1人机动人员6人四、施工进度表第一周(___日至_日)第二周(___日至_日)第三周(___日至_日)第四周(___日至_日)线管搭设线缆敷设路面开槽前端设备安装各子系统调试系统联调系统培训五、施工进度详细说明1)施工前准备工作合同签订后,双方派出项目负责人,共同协商制订施工人员守则、施工要求的原则性文件,一经确定,照章执行。双方正式签署合同后,我方将根据本项目需求,甄选出经验丰富、协调及工作能力较强的人员组成施工队伍,并将名单送交甲方保卫部门审批备案,签发通行证。在此基础上明确工程的组织领导关系、权利和责任,确定各项目负责人名单,以便在组织上保证工程进度和质量。2)施工进度说明我方施工队伍携工程器材及辅料到达现场后,将再次对现场进行勘查并组织一次现场会(内部),以查漏补缺,复核工程设计方案,明确下一步的施工细节,确定施工任务及责任。现场会后,正式进入现场施工的桥架、线管架设阶段,桥架、线管架设是下一步线缆敷设的前提,也是整个工程质量的外在表现。根据智能化系统的常规要求,结合现场实际情况,本部分预计由8人组成施工队伍,需时8天;桥架架设后,在水平与垂直方向上保持横平竖直,接口部分无毛刺,便于后期的线缆敷设;线缆敷设为整个工程的基础,任务重,劳动强度大,需时较久;根据本项目实际情况,预计由7人用时5天完成;线缆敷设部分在桥架架设后期进驻现场,交叉施工;8天内完成整个工程各子系统线缆的敷设任务,同时需注意安装质量,做好随工验收工作。在线缆敷设部分后期(第6天),线缆敷设已基本接近尾声,可调配部分人员开始进行各系统前端设备的安装工作;前端设备的安装劳动强度也较大,根据现场实际情况,拟用16天的时间;进场施工31天后,线缆敷设及各系统前端设备的安装以基本完成,可以开始进行相应子系统的调试工作;结合本项目实际情况,由于整个工程由停车场智能管理系统和车场出入口视频监控系统两部分组成,需对各系统进行系统整合,使之协调工作,工作量较大,用时约8天,截止至第38天下午,整体调试完毕。对值班、操作人员的系统培训,定在第合同约定的最后2天进行;由我方项目负责人和技术工程师对甲方使用人员分别进行系统整体构成及各子系统操作、一般维护的培训,为期2天;培训后,使甲方接受培训人员达到能正确操作和维护系统,符合上岗资格的要求.

1、当您付费下载文档后,您只拥有了使用权限,并不意味着购买了版权,文档只能用于自身使用,不得用于其他商业用途(如 [转卖]进行直接盈利或[编辑后售卖]进行间接盈利)。
2、本站所有内容均由合作方或网友上传,本站不对文档的完整性、权威性及其观点立场正确性做任何保证或承诺!文档内容仅供研究参考,付费前请自行鉴别。
3、如文档内容存在违规,或者侵犯商业秘密、侵犯著作权等,请点击“违规举报”。

碎片内容

工程安排及施工进度计划书

确认删除?
VIP
微信客服
  • 扫码咨询
会员Q群
  • 会员专属群点击这里加入QQ群
客服邮箱
回到顶部