电脑桌面
添加小米粒文库到电脑桌面
安装后可以在桌面快捷访问

底基层开工报告VIP免费

底基层开工报告_第1页
1/19
底基层开工报告_第2页
2/19
底基层开工报告_第3页
3/19
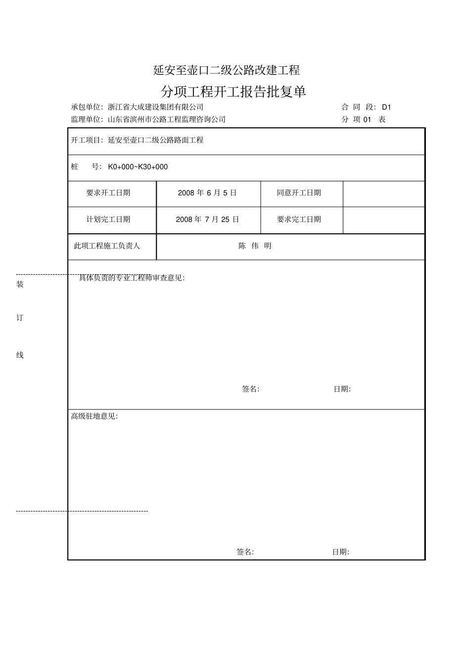
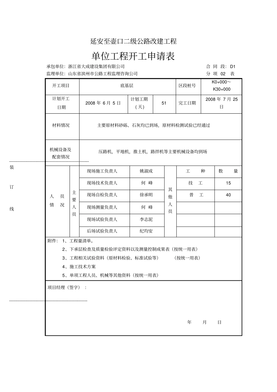
编号:D1-04延安至壶口二级公路改建工程分项工程开工报告(合同段D1)开工项目:底基层里程桩号:K0+000~K30+000施工单位:浙江省大成建设集团有限公司项目经理部(盖章):延壶路路面D1标项目经理部申报日期:2008年6月4日审批人:审批日期:年月日延安至壶口二级公路改建工程单位工程开工申请表承包单位:浙江省大成建设集团有限公司合同段:D1监理单位:山东省滨州市公路工程监理咨询公司分项02表开工项目底基层区段桩号K0+000~K30+000计划开工日期2008年6月5日计划工期(天)51完工日期2008年7月25日材料情况主要原材料砂砾、石灰均已到场,原材料检测试验已经通过机械设备及配套情况压路机,平地机,推土机,路拌机等主要机械设备均到场人员情况主要人员现场施工负责人姚淑成其他人员工种数量现场技术负责人何峰技工15现场自检负责人徐承明普工40现场测量负责人何峰现场试验负责人李志泥后场试验负责人纪均安附件:1、工程量清单。2、下承层检查及质量检验评定资料以及测量控制成果表(按统一用表)3、工程相关试验资料(原材料检验、标准试验等)(按统一用表)4、施工技术方案5、单项工程人员、机械等其他资料(按统一用表)项目经理(签字):年月日-------------------------------------------------------装订线------------------------------------------------------延安至壶口二级公路改建工程分项工程开工报告批复单承包单位:浙江省大成建设集团有限公司合同段:D1监理单位:山东省滨州市公路工程监理咨询公司分项01表开工项目:延安至壶口二级公路路面工程桩号:K0+000~K30+000要求开工日期2008年6月5日同意开工日期计划完工日期2008年7月25日要求完工日期此项工程施工负责人陈伟明具体负责的专业工程师审查意见:签名:日期:高级驻地意见:签名:日期:-------------------------------------------------------装订线------------------------------------------------------工程数量表承包单位:浙江省大成建设集团有限公司合同段:D1标监理单位:山东省滨州市公路工程监理咨询公司分项03表工程名称延安至壶口二级公路改建工程桩号K0+000~K30+000支付编号项目名称单位原设计数量申报数量批复数量302-2石灰土砂砾底基层M2-a石灰土砂砾M2296524.7296524.7项目经理(签字):年月日复核(专业工程师):年月日审核(高级驻地):年月日延安至壶口二级公路改建工程进场机械设备表分项04表合同段D1施工单位浙江省大成建设集团有限公司机械名称规格型号台数制造时间及生产厂家使用年限及状况进场日期装载机ZL-50E3厦工2005年良好2008.5推土机TY-1403洛阳机械2003年良好2008.5自卸汽车东风14560东风汽车2003年良好2008.5压路机3Y183徐工2003年良好2008.5洒水车7东风2005年良好2008.5平地机徐工3徐工2005年良好2008.5路拌机徐工21003徐工2005年良好2008.5羊角碾徐工3徐工2005年良好2008.5项目经理日期监理工程师日期高级驻地监理工程师日期延安至壶口二级公路改建工程进场管理人员表分项05表合同段D1工程名称延安至壶口二级公路改建工程桩号K0+000~K30+000序号姓名性别职称学历专业拟担任职务备注1卢建清男工程师专科筑路机械项目经理2田山峰男高级工程师本科道路桥梁总工程师3熊亮男工程师本科土木工程项目副经理4徐承明男工程师本科交通工程道路工程师5张方炎男助理工程师专科施工管理专职安全员6刘彦昌男工程师本科测量工程测量工程师7纪均安男工程师专科公路工程质检工程师8沈中强男工程师本科交通工程质检工程师9沈国伟男工程师本科道路工程试验工程师10李志泥男工程师本科土木工程试验工程师项目经理日期监理工程师日期高级驻地监理工程师日期-------------------------------------------------------装订线------------------------------------------------------分项工程现场施工人力表承包单位:浙江省大成建设集团有限公司合同段:D1监理单位:山东省滨州市公路工程监理咨询公司分项06表工程名称底基层桩号K0+000~K30+000熟练工人工种级别人数装载机司机B6推土机司机B3自卸汽车司机B40平地机司机B3压路机司机B6路拌机司机B3普通工人人数基本工人30民工...

1、当您付费下载文档后,您只拥有了使用权限,并不意味着购买了版权,文档只能用于自身使用,不得用于其他商业用途(如 [转卖]进行直接盈利或[编辑后售卖]进行间接盈利)。
2、本站所有内容均由合作方或网友上传,本站不对文档的完整性、权威性及其观点立场正确性做任何保证或承诺!文档内容仅供研究参考,付费前请自行鉴别。
3、如文档内容存在违规,或者侵犯商业秘密、侵犯著作权等,请点击“违规举报”。

碎片内容

底基层开工报告

您可能关注的文档

确认删除?
VIP
微信客服
  • 扫码咨询
会员Q群
  • 会员专属群点击这里加入QQ群
客服邮箱
回到顶部