电脑桌面
添加小米粒文库到电脑桌面
安装后可以在桌面快捷访问

拟投入的主要施工机械设备表VIP免费

拟投入的主要施工机械设备表_第1页
1/8
拟投入的主要施工机械设备表_第2页
2/8
拟投入的主要施工机械设备表_第3页
3/8
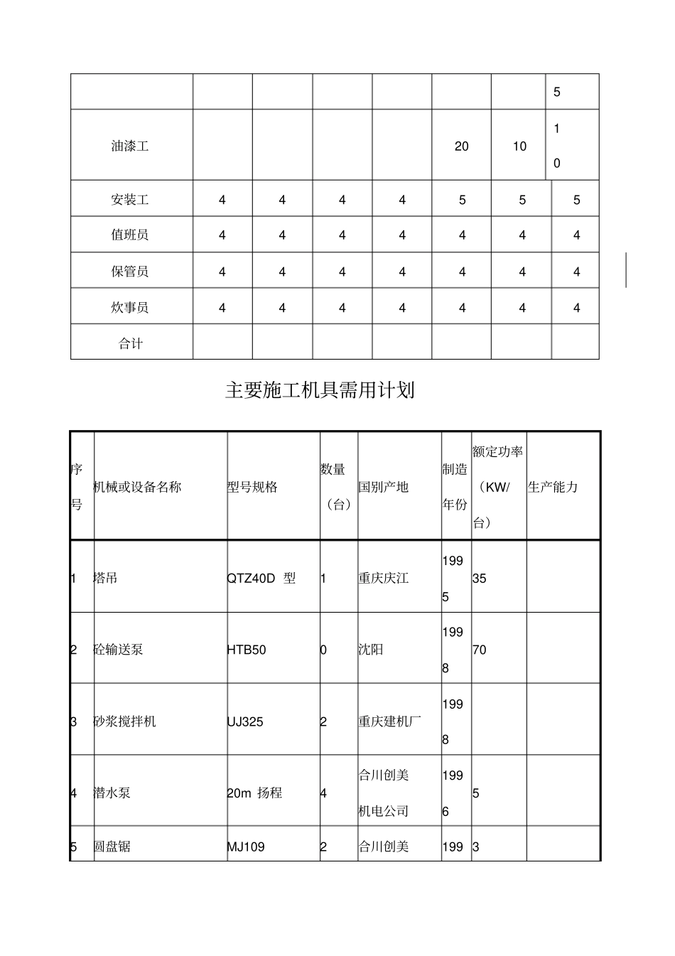
拟投入的主要施工机械设备表工程名称:甘州区抗天牛林木良种繁育基地温室工程序号机械或设备名称型号规格数量国别产地制造年份额定功率(KW)生产能力进场时间备注1卷扬机JYJ-20586山东200456中标后2提升机SSB1604甘肃20012*11中标后3搅拌机JS3506甘肃20003*15中标后4振捣器PZN206甘肃20054*25中标后5插入式振捣器ZN506甘肃200410*25中标后6电焊机BX3-4002兰州20024*291中标后7钢筋调直机BX3-5002天津20042*38中标后8水泵QC1/24江苏20062*21中标后9电锯MJ-14甘肃20043中标后10打夯机HW-204甘肃20052*25中标后11磨光机4成都20062.2.5中标后12切割机6上海20052*25中标后劳动力计划表工程名称:甘州区新墩镇流泉新村住宅楼工程二标段(8#9#)楼2010年工种4月5月6月7月8月9月10月普工404040402020200钢筋工2525252515105模板工20202020101010木工4444533混凝土工25252525101510架子工101010101055塔吊工4444211电焊工4444211机械工4444222电工4444101010技工25252525101010抹灰工2020151515油漆工201010安装工4444555值班员4444444保管员4444444炊事员4444444合计主要施工机具需用计划序号机械或设备名称型号规格数量(台)国别产地制造年份额定功率(KW/台)生产能力1塔吊QTZ40D型1重庆庆江1995352砼输送泵HTB500沈阳1998703砂浆搅拌机UJ3252重庆建机厂19984潜水泵20m扬程4合川创美机电公司199655圆盘锯MJ1092合川创美1993机电公司76插入式振动棒ZX504天津华威电器有限公司19987钢筋加工设备1套重庆中建机械厂19988钢筋竖焊机MHS-36A1成都电焊机厂1999409交流电焊机BS-3002合川创美机电公司19992010康明斯发电机1重庆康明斯10011台钻φ18mm1四川台钻厂1997φ18mm12电动试压泵SY-3501简阳试压泵厂19983KWSY-35013电动煨弯机2″-4″1江苏泰州液压机械厂19993KW27-10814电动套丝机TQ-3型1成都锦江电机厂20003″-6″15氧割设备1200116型材切割机Φ40012001劳动力计划表序号工种等级人数备注1机械修工技工32水电工技工53电焊工技工64钢筋工技工205泥工技工256木工技工107模板工技工128普工技工209砼工技工1010养护队技工311试验、材料工技工2合计85临时用地表17电动开孔器Φ16-5012002用途面积(m2)位置需用时间门房25见平面图开工到竣工值班室35见平面图开工到竣工临时设施225见平面图开工到竣工职工用房125见平面图开工到竣工库房45见平面图开工到竣工厕所35见平面图开工到竣工淋浴室45见平面图开工到竣工配电室25见平面图开工到竣工业主办45见平面图开工到竣工合计试验和检测仪器表检测参数主要仪器设备名称/型号/规格水泥物理力学性能细度水泥细度负压筛析仪(或水筛)、天平(分度值≤0.01g)凝结时间水泥稠度凝结测定仪、量水器(最小刻度)、恒温恒湿养护箱、雷氏夹测定仪、沸煮箱、净浆搅拌机,天平(分度值≤0.1g)安定性强度压力试验机(300kN)、抗折试验机(5kN)、胶砂搅拌机、振实台、标养室(或水养箱)、抗压夹具钢筋(含屈服强度万能试验机(1000kN和100kN或600kN和100kN)、焊接与机械连接)性能抗拉强度钢筋标点仪、伸长率测量工具伸长率弯曲钢筋弯曲机或万能试验机(1000kN或600kN)细集料品质指标颗粒级配天平、砂子套筛、摇筛机含泥量天平、恒温烘箱泥块含量表观密度天平、恒温烘箱、容量瓶堆积密度海砂氯离子含量*天平、恒温烘箱、滴定管等贝壳含量*粗集料品质指标颗粒级配天平、石子套筛、摇筛机含泥量天平、恒温烘箱泥块含量表观密度台称和磅称、恒温烘箱、广口瓶堆积密度台称和磅称、容量筒压碎指标压力试验机、压碎值测定仪、天平、台称针片状含量天平、针片状规准仪含水率天平、恒温烘箱混凝土配合比设计与拌合物性能配合比设计搅拌机、震动台、台称或磅称、压力试验机(2000或3000kN)、标养室坍落度坍落度筒、钢直尺表观密度容积筒、台称凝结时间混凝土贯入阻力仪、试样筒混凝土力学性能立方体抗压强度压力试验机(2000kN或3000kN)抗折强度、劈裂抗拉压力试验机或万能试验机(100kN)、抗折夹具、钢直尺混凝土抗渗性能抗渗性混凝土渗透仪建筑砂浆配合比设计与性能配合比设计砂浆搅拌机、案称、压力试验机(600kN或300kN)、标养室稠度砂浆稠度测定仪密度容积筒...

1、当您付费下载文档后,您只拥有了使用权限,并不意味着购买了版权,文档只能用于自身使用,不得用于其他商业用途(如 [转卖]进行直接盈利或[编辑后售卖]进行间接盈利)。
2、本站所有内容均由合作方或网友上传,本站不对文档的完整性、权威性及其观点立场正确性做任何保证或承诺!文档内容仅供研究参考,付费前请自行鉴别。
3、如文档内容存在违规,或者侵犯商业秘密、侵犯著作权等,请点击“违规举报”。

碎片内容

拟投入的主要施工机械设备表

确认删除?
VIP
微信客服
  • 扫码咨询
会员Q群
  • 会员专属群点击这里加入QQ群
客服邮箱
回到顶部