电脑桌面
添加小米粒文库到电脑桌面
安装后可以在桌面快捷访问

数控铣床基本操作VIP免费

数控铣床基本操作_第1页
1/9
数控铣床基本操作_第2页
2/9
数控铣床基本操作_第3页
3/9
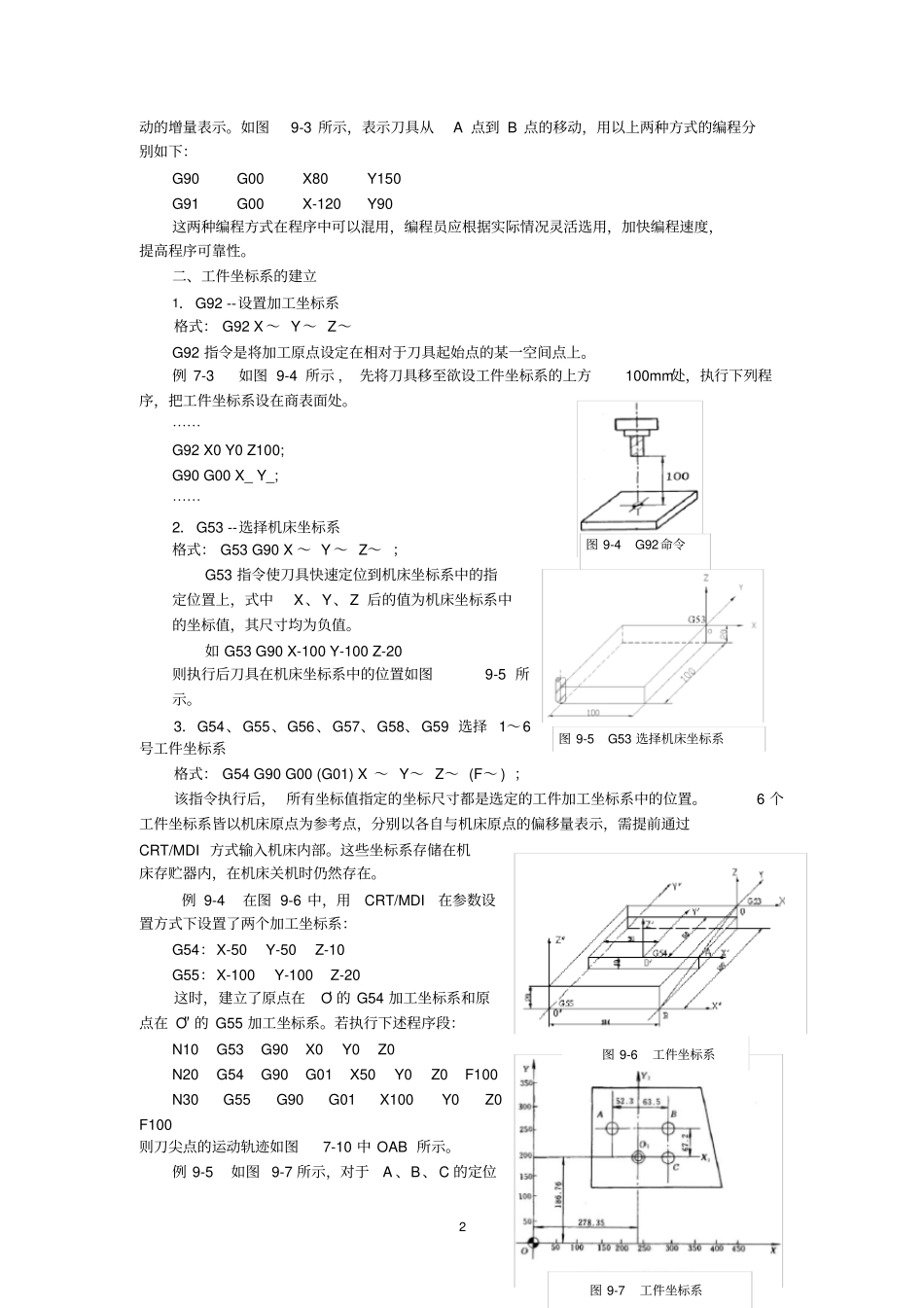
1图9-2圆弧插补指令图9-3G90、G91指数控铣床基本操作【学习目标】①了解数控铣床指令。②了解数控铣床组成。③了解数控铣床的特点。④了解数控铣床的应用场合。⑤了解数控铣床的加工范围。【知识学习】一、简单编程指令应用1.G00G01例9-1如图9-1所示,进给速度设为F=100mm/min,S=800r/min,其程序如下:O0721;N10G90G54G00X20Y20;N20S800M03;N30G01Y50F100;N40X50;N50Y20;N60X20;N70G00X0Y0M05;N80M30;2.G02、G03-圆弧插补指令G02(G03)指令使刀具按圆弧加工,G02指令刀具相对工件按顺时针方向加工圆弧,是顺圆弧插补指令,反之G03指令使刀具逆时针方向加工圆弧,是逆圆弧插补指令。其中:X、Y、Z表示圆弧终点坐标;I、J表示圆弧中心相对圆弧起点的坐标值;R表示圆弧半径,若圆弧≤180°,则R为正值;若圆>180°,则R为负值;F是圆弧插补的进给速度,它是刀具轨迹切线方向的进给速度。例9-2对如图9-2的图形编程方法一:用I、J编程G90G00X42X32;G02X30Y20J-12F200;G03X10I-10方法二:用R编程G90G00X42X32;G02X30Y20k-12F200;G03X10k10;3.G90——绝对坐标指令,G91——相对坐标指令。G90、G91表示运动轴的移动方式。使用绝对坐标指令(G90),程序中的位移量用刀具的终点坐标表示。相对坐标指令(G91)用刀具运图9-1直线插补2动的增量表示。如图9-3所示,表示刀具从A点到B点的移动,用以上两种方式的编程分别如下:G90G00X80Y150G91G00X-120Y90这两种编程方式在程序中可以混用,编程员应根据实际情况灵活选用,加快编程速度,提高程序可靠性。二、工件坐标系的建立1.G92--设置加工坐标系格式:G92X~Y~Z~G92指令是将加工原点设定在相对于刀具起始点的某一空间点上。例7-3如图9-4所示,先将刀具移至欲设工件坐标系的上方100mm处,执行下列程序,把工件坐标系设在商表面处。⋯⋯G92X0Y0Z100;G90G00X_Y_;⋯⋯2.G53--选择机床坐标系格式:G53G90X~Y~Z~;G53指令使刀具快速定位到机床坐标系中的指定位置上,式中X、Y、Z后的值为机床坐标系中的坐标值,其尺寸均为负值。如G53G90X-100Y-100Z-20则执行后刀具在机床坐标系中的位置如图9-5所示。3.G54、G55、G56、G57、G58、G59选择1~6号工件坐标系格式:G54G90G00(G01)X~Y~Z~(F~);该指令执行后,所有坐标值指定的坐标尺寸都是选定的工件加工坐标系中的位置。6个工件坐标系皆以机床原点为参考点,分别以各自与机床原点的偏移量表示,需提前通过CRT/MDI方式输入机床内部。这些坐标系存储在机床存贮器内,在机床关机时仍然存在。例9-4在图9-6中,用CRT/MDI在参数设置方式下设置了两个加工坐标系:G54:X-50Y-50Z-10G55:X-100Y-100Z-20这时,建立了原点在O′的G54加工坐标系和原点在O″的G55加工坐标系。若执行下述程序段:N10G53G90X0Y0Z0N20G54G90G01X50Y0Z0F100N30G55G90G01X100Y0Z0F100则刀尖点的运动轨迹如图7-10中OAB所示。例9-5如图9-7所示,对于A、B、C的定位图9-4G92命令图9-5G53选择机床坐标系图9-7工件坐标系图9-6工件坐标系3图9-8刀具的半径补偿图9-9刀具的补偿方向程序如下:N10G00G90G53;N20X226.05Y253.96;A孔定位N30X341.85Y253.96;B孔定位N40X341.85Y186.76;C孔定位从上面的程序可以看出,由于选择了机床零点作为编程零点,使程序计算工作量很大,且零件中的尺寸和编程尺寸完全不同,给检查带来了很大的不便。这时若采用工件坐标系,选择O1点作为工件坐标系G54的零点,则偏置尺寸为X-278.35,Y-186.76,这样程序就会大大简化,其程序如下:N10G00G90G54;N20X-52.3Y67.2;A孔定位N30X63.5Y76.2;B孔定位N40X63.5Y0;C孔定位4.G92与G54~G59的区别G92指令与G54~G59指令都是用于设定工件加工坐标系的,但在使用中是有区别的。G92指令是通过程序来设定、选用加工坐标系的,它所设定的加工坐标系原点与当前刀具所在的位置有关,这一加工原点在机床坐标系中的位置是随当前刀具位置的不同而改变的。G54~G59指令是通过MDI在设置参数方式下设定工件加工坐标系的,一旦设定,加工原点在机床坐标系中的位置是不变的,它与刀具的当前位置无关,除非再通过MDI方式修改。G92指令后虽有坐标值,但不产生轴的移动。若G...

1、当您付费下载文档后,您只拥有了使用权限,并不意味着购买了版权,文档只能用于自身使用,不得用于其他商业用途(如 [转卖]进行直接盈利或[编辑后售卖]进行间接盈利)。
2、本站所有内容均由合作方或网友上传,本站不对文档的完整性、权威性及其观点立场正确性做任何保证或承诺!文档内容仅供研究参考,付费前请自行鉴别。
3、如文档内容存在违规,或者侵犯商业秘密、侵犯著作权等,请点击“违规举报”。

碎片内容

数控铣床基本操作

您可能关注的文档

确认删除?
VIP
微信客服
  • 扫码咨询
会员Q群
  • 会员专属群点击这里加入QQ群
客服邮箱
回到顶部