电脑桌面
添加小米粒文库到电脑桌面
安装后可以在桌面快捷访问

幼儿园施工验收与评定-标准VIP免费

幼儿园施工验收与评定-标准_第1页
1/9
幼儿园施工验收与评定-标准_第2页
2/9
幼儿园施工验收与评定-标准_第3页
3/9
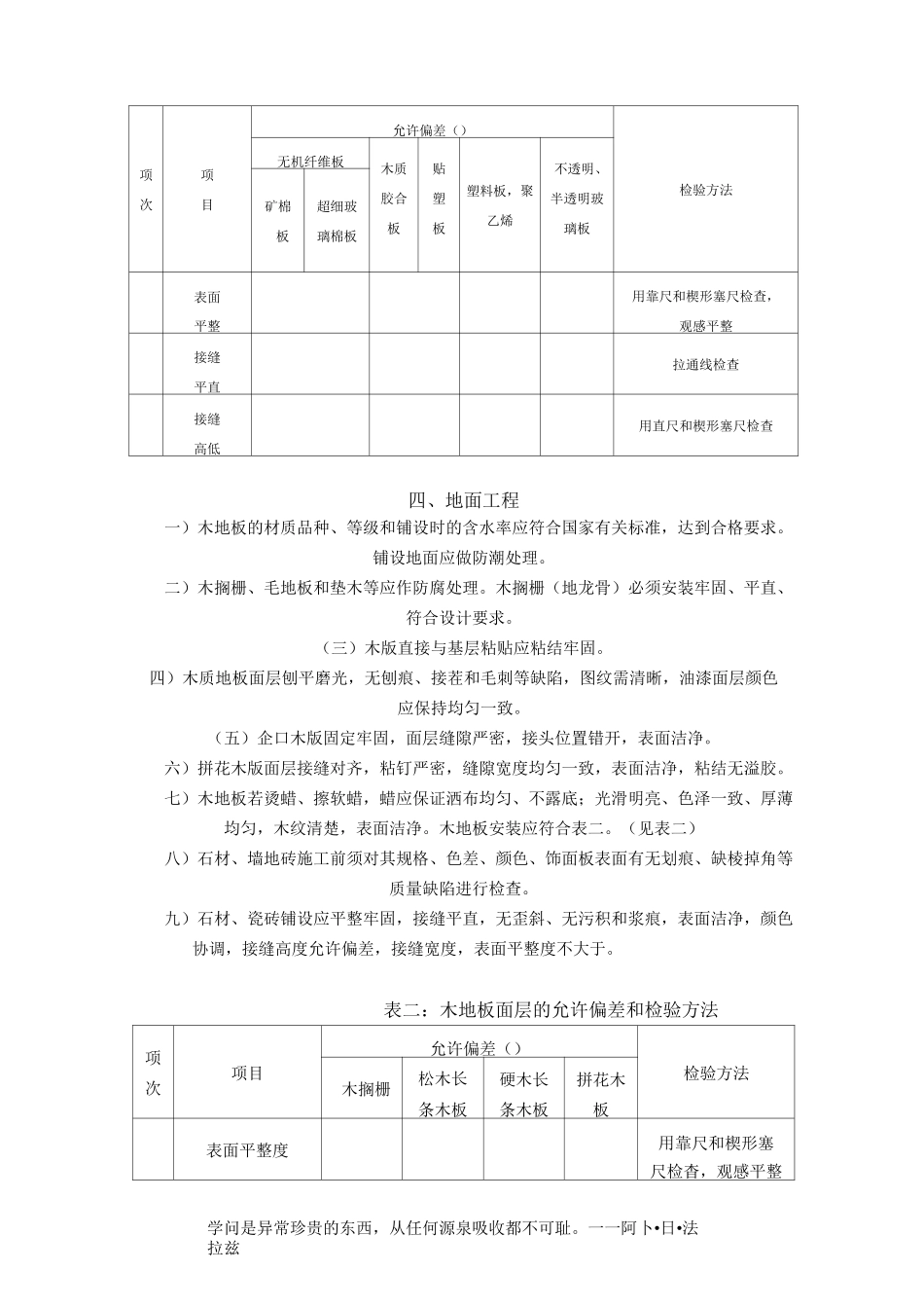
学问是异常珍贵的东西,从任何源泉吸收都不可耻。一一阿卜•日•法拉兹施工验收与评价总-则(一)为规范幼儿园装饰装修行为,确保施工安全与工程质量,根据《幼儿园装修管理》,制定本标准。(二)本标准为幼儿园装饰工程质量验收的依据。(三)本标准未及项目,其质量标准执行国家有关建筑装修质量验收标准。一、幼儿园装修基本要求(一)幼儿园有责任提供装饰装修所需要的相关资料。(二)由于幼儿园主体结构质量造成的装饰装修质量无法达到验收标准的,施工企业不承担责任。(三)装饰装修不得使用国家明令禁止的装饰材料。不得使用不合格装饰材料产品,装饰材料应有产品合格证或质保书。因装饰材料引起的工程质量问题,由施工方负责。(四)幼儿园装修应保证建筑工程质量和结构安全,符合物业管理、消防、供水、燃气、环境保护等有关规定和标准,严禁拆改和损坏主体及承重结构。幼儿园装修不得涉及公共设施、公共空间,不得因装修影响相邻的安全及使用环境。(五)幼儿园装修不得改变给排水、供电、电讯、煤气等原管线系统,禁止雨污合流(六)燃气设施的安装,必须由具有燃气安装资质证书的单位承担。(七)施工单位装修前应提醒幼儿园进行白蚁防治处理。二、防水工程(一)幼儿园室内装修时,卫生间、厨房必须作防水、防漏处理。(二)防水涂层均匀,卫生间墙面防水层应比地面高不低于。(三)防水涂层干透后,应做渗水试验。三、吊顶工程(一)吊顶工程所用材料的品种、规格、颜色以及基层的构造,固定方法应按设计要求,并符合现行标准。(二)所有龙骨结构表面平整、线格平直、固定牢固。(三)各类罩面板不应有气泡、起皮、裂纹、缺角、污秽和图案缺损,表面应平整,边缘应整齐,色泽一致。(四)吊顶四周水平允许偏差。(五)纸面石膏面板一般用镀锌螺钉固定在木龙骨干,钉头应涂防锈漆,石膏板连接处应留缝,在缝口处粘贴纤维材料工艺处理,避免石膏板连接部位出现膨胀裂口。(六)吊顶内的灯槽、斜撑的安装,根据工程情况适当布置,轻型吊灯应吊在主龙骨和附龙骨,重型吊灯或电扇不得与吊顶龙骨连接,应另设吊钩。吊顶置面板工程质量允许偏差(表一)。(七)吊顶材料应符合防火要求。学问是异常珍贵的东西,从任何源泉吸收都不可耻。一一阿卜•日•法拉兹表一:吊顶置面板工程质量允许偏差学问是异常珍贵的东西,从任何源泉吸收都不可耻。一一阿卜•日•法拉兹项次项目允许偏差()检验方法无机纤维板木质胶合板贴塑板塑料板,聚乙烯不透明、半透明玻璃板矿棉板超细玻璃棉板表面平整用靠尺和楔形塞尺检查,观感平整接缝平直拉通线检查接缝高低用直尺和楔形塞尺检查四、地面工程一)木地板的材质品种、等级和铺设时的含水率应符合国家有关标准,达到合格要求。铺设地面应做防潮处理。二)木搁栅、毛地板和垫木等应作防腐处理。木搁栅(地龙骨)必须安装牢固、平直、符合设计要求。(三)木版直接与基层粘贴应粘结牢固。四)木质地板面层刨平磨光,无刨痕、接茬和毛刺等缺陷,图纹需清晰,油漆面层颜色应保持均匀一致。(五)企口木版固定牢固,面层缝隙严密,接头位置错开,表面洁净。六)拼花木版面层接缝对齐,粘钉严密,缝隙宽度均匀一致,表面洁净,粘结无溢胶。七)木地板若烫蜡、擦软蜡,蜡应保证洒布均匀、不露底;光滑明亮、色泽一致、厚薄均匀,木纹清楚,表面洁净。木地板安装应符合表二。(见表二)八)石材、墙地砖施工前须对其规格、色差、颜色、饰面板表面有无划痕、缺棱掉角等质量缺陷进行检查。九)石材、瓷砖铺设应平整牢固,接缝平直,无歪斜、无污积和浆痕,表面洁净,颜色协调,接缝高度允许偏差,接缝宽度,表面平整度不大于。表二:木地板面层的允许偏差和检验方法项次项目允许偏差()检验方法木搁栅松木长条木板硬木长条木板拼花木板表面平整度用靠尺和楔形塞尺检杳,观感平整学问是异常珍贵的东西,从任何源泉吸收都不可耻。一一阿卜•日•法拉兹踢角线上口平直——拉线,不足拉通线和尺量检杳板面拼缝平直——同上缝隙宽度——尺量检查(十)空鼓面积应不超过施工总面积的,单块空鼓面积不得超过。(十一)地毯应固定牢固,地毯平整,不起...

1、当您付费下载文档后,您只拥有了使用权限,并不意味着购买了版权,文档只能用于自身使用,不得用于其他商业用途(如 [转卖]进行直接盈利或[编辑后售卖]进行间接盈利)。
2、本站所有内容均由合作方或网友上传,本站不对文档的完整性、权威性及其观点立场正确性做任何保证或承诺!文档内容仅供研究参考,付费前请自行鉴别。
3、如文档内容存在违规,或者侵犯商业秘密、侵犯著作权等,请点击“违规举报”。

碎片内容

幼儿园施工验收与评定-标准

您可能关注的文档

确认删除?
VIP
微信客服
  • 扫码咨询
会员Q群
  • 会员专属群点击这里加入QQ群
客服邮箱
回到顶部