电脑桌面
添加小米粒文库到电脑桌面
安装后可以在桌面快捷访问

第十二章 环境监测中的微生物学方法VIP免费

第十二章 环境监测中的微生物学方法_第1页
1/6
第十二章 环境监测中的微生物学方法_第2页
2/6
第十二章 环境监测中的微生物学方法_第3页
3/6
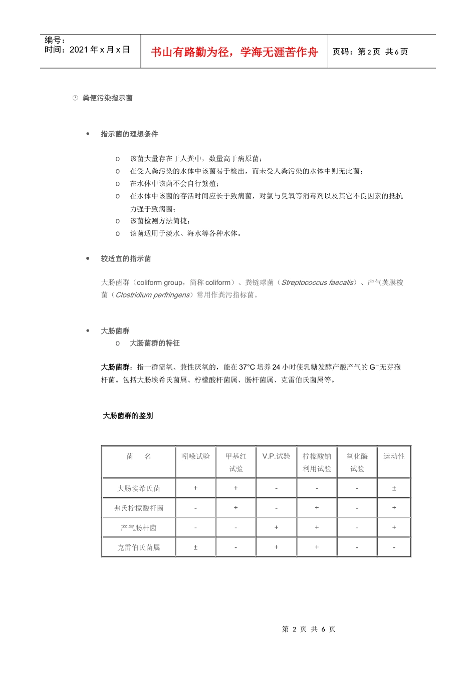
第1页共6页编号:时间:2021年x月x日书山有路勤为径,学海无涯苦作舟页码:第1页共6页第十二章环境监测中的微生物学方法第一节水质的细菌学检测细菌总数细菌总数是指将lmL水样(原水样或经稀释的水样)放在营养琼脂培养基上,于37℃培养24小时后,所生长的细菌菌落总数。细菌总数的测定结果常用“cfu(菌落形成单位)/mL”或“个/mL”表示。根据水样中的细菌总数,可将天然水体划分为几类:细菌总数101~102cfu/mL,极清洁水;102~103cfu/mL,清洁水;103~104cfu/mL,不太清洁水;细菌总数104~105cfu/mL,不清洁水;大于105cfu/mL,极不清洁水。我国生活饮用水的国家标准(GB5749-1985)规定,生活饮用水中的细菌总数不得超过102cfu/mL。腐生细菌数自然水体中的腐生细菌数与有机物浓度成正比。因此,测得腐生细菌数或腐生细菌数与细菌总数的比值,即可推断水体的有机污染状况。污水带的划分及其特征污水带、特征多污带甲型中污带乙型中污带寡污带腐生细菌数(个/mL)数十万至数百万数十万数万数十至数万有机物含大量有机物,主要是蛋白质和碳水化合物主要是氨和氨基酸有物含量少有机物含量极微溶解氧极低或几乎没有厌氧性少量,半厌氧性较多,需氧性很多,需氧性BOD5非常高较高较低很低细菌数与腐生带的划分样点号细菌总数(百万个/mL)腐生细菌数(千个/mL)腐生菌数/总菌数(%)腐生水波动范围平均波动范围平均11.7~3.32.50.2~1.91.10.04β-腐生带21.6~3.42.40.9~3.02.00.08β-腐生带31.9~3.02.50.2~6.02.90.11β-腐生带44.3~5.04.69.7~16.513.30.30α-腐生带51.8~3.62.61.4~6.23.00.11β-腐生带63.5~6.84.859.2~175.2116.02.42多-腐生带73.1~4.43.719.2~20.520.00.54α-腐生带82.0~2.72.310.3~36.220.20.84α-腐生带92.3~6.94.010.8~147.664.91.62多-腐生带第2页共6页第1页共6页编号:时间:2021年x月x日书山有路勤为径,学海无涯苦作舟页码:第2页共6页粪便污染指示菌指示菌的理想条件o该菌大量存在于人粪中,数量高于病原菌;o在受人粪污染的水体中该菌易于检出,而未受人粪污染的水体中则无此菌;o在水体中该菌不会自行繁殖;o在水体中该菌的存活时间应长于致病菌,对氯与臭氧等消毒剂以及其它不良因素的抵抗力强于致病菌;o该菌检测方法简捷;o该菌适用于淡水、海水等各种水体。较适宜的指示菌大肠菌群(coliformgroup,简称coliform)、粪链球菌(Streptococcusfaecalis)、产气荚膜梭菌(Clostridiumperfringens)常用作粪污指标菌。大肠菌群o大肠菌群的特征大肠菌群:指一群需氧、兼性厌氧的,能在37°C培养24小时使乳糖发酵产酸产气的G-无芽孢杆菌。包括大肠埃希氏菌属、柠檬酸杆菌属、肠杆菌属、克雷伯氏菌属等。大肠菌群的鉴别菌名吲哚试验甲基红试验V.P.试验柠檬酸钠利用试验氧化酶试验运动性大肠埃希氏菌++---±弗氏柠檬酸杆菌-+-+-+产气肠杆菌--++-+克雷伯氏菌属±-++--第3页共6页第2页共6页编号:时间:2021年x月x日书山有路勤为径,学海无涯苦作舟页码:第3页共6页o大肠菌群的检测发酵法亦称多管发酵法或三管发酵法。以不同稀释度的样品分别接种乳糖胆盐发酵培养基(或其它乳糖发酵培养基)各数管。培养24小时后,观察培养结果。若观察到乳糖发酵产酸产气现象,称为阳性反应。记下阳性反应的试管数,查专用统计表求出大肠菌群的最可能数(MPN)。滤膜法选用孔径为0.45~0.65mm的微孔滤膜,抽滤一定数量的水样,使水样中的细菌截留在滤膜上。然后,将滤膜贴在选择性培养基上,培养后直接计数滤膜上的大肠菌群菌落,算出每100mL水样中含有的总大肠菌群数。o大肠菌群指标大肠菌群指数是指每升水中所含的大肠菌群细菌的个数。大肠菌群值则是指检出一个大肠菌群细菌的最少水样量(毫升数)。我国饮用水的质量标准规定,大肠菌群指数不得大于3,大肠菌群值不得小于333mL。第二节空气的细菌学检测空气中细菌检测方法撞击法亦称裂隙式撞击法。利用抽气泵的吸引,使一定量空气强迫通过一狭缝或喷嘴,在出口处形成高速喷射气流,空气中携带微生物的悬浮颗粒依靠惯性撞击并粘附于转动的营养琼脂培养基平皿上,37℃培养24小时,计算菌...

1、当您付费下载文档后,您只拥有了使用权限,并不意味着购买了版权,文档只能用于自身使用,不得用于其他商业用途(如 [转卖]进行直接盈利或[编辑后售卖]进行间接盈利)。
2、本站所有内容均由合作方或网友上传,本站不对文档的完整性、权威性及其观点立场正确性做任何保证或承诺!文档内容仅供研究参考,付费前请自行鉴别。
3、如文档内容存在违规,或者侵犯商业秘密、侵犯著作权等,请点击“违规举报”。

碎片内容

第十二章 环境监测中的微生物学方法

确认删除?
VIP
微信客服
  • 扫码咨询
会员Q群
  • 会员专属群点击这里加入QQ群
客服邮箱
回到顶部