电脑桌面
添加小米粒文库到电脑桌面
安装后可以在桌面快捷访问

江苏省淮安中学高三化学小题训练13VIP免费

江苏省淮安中学高三化学小题训练13_第1页
1/5
江苏省淮安中学高三化学小题训练13_第2页
2/5
江苏省淮安中学高三化学小题训练13_第3页
3/5
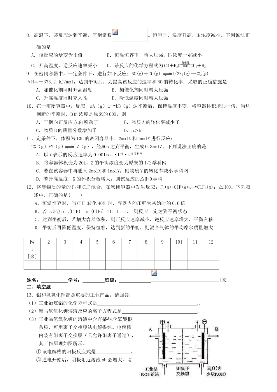
江苏省淮安中学高三化学小题训练13一、选择题1.下列描述中,不符合生产实际的是A.电解熔融的氧化铝制取金属铝,用铁作阳极B.电解法精炼粗铜,用纯铜作阴极C.电解饱和食盐水制烧碱,用涂镍碳钢网作阴极D.在镀件上电镀锌,用锌作阳极2.一种新型燃料电池,一极通入空气,另一极通入丁烷气体;电解质是掺杂氧化钇(Y2O3)的氧化锆(ZrO2)晶体,在熔融状态下能传导O2-。下列对该燃料电池说法正确的是A.在熔融电解质中,O2-由负极移向正极B.电池的总反应是:2C4H10+13O2→8CO2+10H2OC.通入空气的一极是正极,电极反应为:O2-4e-=2O2-D.通入丁烷的一极是正极,电极反应为:C4H10+26e-+13O2-=4CO2+5H2O3.下述实验能达到预期目的的是编号实验内容实验目的A将SO2通入酸性KMnO4溶液中证明SO2具有氧化性B将Cl2通入NaBr溶液中比较氯与溴的还原性强弱C将铜与浓硝酸反应生成的气体收集后用冰水混合物冷却降温研究温度对化学平衡的影响D分别向2支试管中加入相同体积不同浓度的H2O2溶液,再向其中1支加入少量MnO2研究催化剂对H2O2分解速率的影响4.灰锡(以粉末状存在)和白锡是锡的两种同素异形体。已知:①Sn(s、白)+2HCl(aq)=SnCl2(aq)+H2(g)△H1②Sn(s、灰)+2HCl(aq)=SnCl2(aq)+H2(g)△H2③Sn(s、灰)Sn(s、白)△H3=+2.1kJ·mol-1下列说法正确的是A.△H1>△H2B.锡在常温下以灰锡状态存在C.灰锡转化为白锡的反应是放热反应D.锡制器皿长期处于低于13.2℃的环境中,会自行毁坏5.金属镍有广泛的用途。粗镍中含有少量Fe、Zn、Cu、Pt等杂质,可用电解法制备高纯度的镍(已知:氧化性Fe2+<Ni2+<Cu2+)。下列叙述正确的是A.阳极发生还原反应,其电极反应式:Ni2++2e-=NiB.电解过程中,阳极质量的减少与阴极质量的增加相等C.电解后,溶液中存在的金属阳离子只有Fe2+和Zn2+D.电解后,电解槽底部的阳极泥中只有Cu和Pt6.把铝条放入盛有过量稀盐酸的试管中,不影响氢气产生速率的因素是A.盐酸的浓度B.铝条的表面积C.溶液的温度D.加少量Na2SO47.将H2(g)和Br2(g)充入恒容密闭容器,恒温下发生反应H2(g)+Br2(g)2HBr(g)△H<0,平衡时Br2(g)的转化率为a;若初始条件相同,绝热下进行上述反应,平衡时Br2(g)的转化率为b。a与b的关系是A.a>bB.a=bC.a<bD.无法确定8.高温下,某反应达到平衡,平衡常数。恒容时,温度升高,H2浓度减小。下列说法正确的是A.该反应的焓变为正值B.恒温恒容下,增大压强,H2浓度一定减小C.升高温度,逆反应速率减小D.该反应的化学方程式为CO+H2OCO2+H29.在密闭容器中,一定条件下,进行如下反应:NO(g)+CO(g)1/2N2(g)+CO2(g);ΔH=-373.2kJ/mol,达到平衡后,为提高该反应的速率和NO的转化率,采取的正确措施是A.加催化剂同时升高温度B.加催化剂同时增大压强C.升高温度同时充入N2D.降低温度同时增大压强10.在一密闭容器中,反应aA(g)bB(g)达平衡后,保持温度不变,将容器体积增加一倍,当达到新的平衡时,B的浓度是原来的60%,则A.平衡向正反应方向移动了B.物质A的转化率减少了C.物质B的质量分数增加了D.a>b11.定条件下,体积为10L的密闭容器中,2molX和1molY进行反应:2X(g)+Y(g)Z(g),经60s达到平衡,生成0.3molZ。下列说法正确的是A.以Y表示的反应速率为0.001mol·L-1·s-1学科网B.将容器体积变为20L,Z的平衡浓度变为原来的1/2学科网C.若在该容器中再通入2molX和1molY,则物质Y的转化率减小学科网D.若升高温度,X的体积分数增大,则该反应的△H<0学科12.将等物质的量的F2和ClF混合,在密闭容器中发生反应:F2(g)+ClF(g)ClF3(g);△H<0。下列叙述中,正确的是()A.恒温恒容时,当ClF转化40%时,容器内的压强为初始时的0.6倍B.若c(F2):c(ClF):c(ClF3)=1:1:1,则反应一定达到平衡状态C.达到平衡后,若增大容器体积,则正反应速率减小,逆反应速率增大,平衡左移D.平衡后再降低温度,保持恒容,达到新的平衡,则混合气体的平均摩尔质量增大网1[来]2345678910]1112姓名:学号:班级:[来二、填空题13.铝和氢氧化钾都是重要的工业产品。请回答:(1)...

1、当您付费下载文档后,您只拥有了使用权限,并不意味着购买了版权,文档只能用于自身使用,不得用于其他商业用途(如 [转卖]进行直接盈利或[编辑后售卖]进行间接盈利)。
2、本站所有内容均由合作方或网友上传,本站不对文档的完整性、权威性及其观点立场正确性做任何保证或承诺!文档内容仅供研究参考,付费前请自行鉴别。
3、如文档内容存在违规,或者侵犯商业秘密、侵犯著作权等,请点击“违规举报”。

碎片内容

江苏省淮安中学高三化学小题训练13

您可能关注的文档

确认删除?
VIP
微信客服
  • 扫码咨询
会员Q群
  • 会员专属群点击这里加入QQ群
客服邮箱
回到顶部