电脑桌面
添加小米粒文库到电脑桌面
安装后可以在桌面快捷访问

施工缝与后浇带施工方案VIP免费

施工缝与后浇带施工方案_第1页
1/5
施工缝与后浇带施工方案_第2页
2/5
施工缝与后浇带施工方案_第3页
3/5
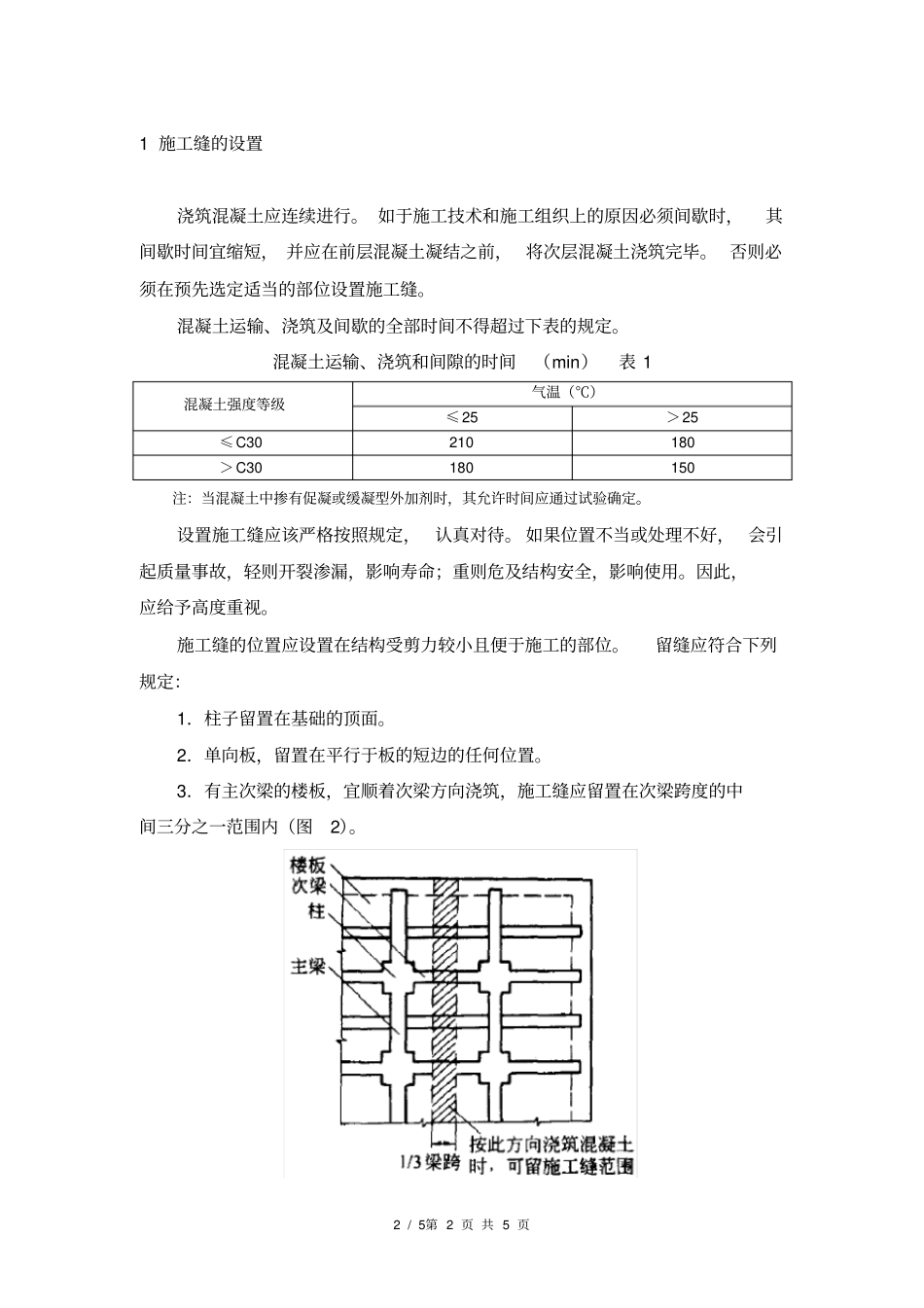
1/5第1页共5页目录1施工缝的设置.....................................................22施工缝的处理.....................................................33后浇带的设置.....................................................34后浇带的处理.....................................................42/5第2页共5页1施工缝的设置浇筑混凝土应连续进行。如于施工技术和施工组织上的原因必须间歇时,其间歇时间宜缩短,并应在前层混凝土凝结之前,将次层混凝土浇筑完毕。否则必须在预先选定适当的部位设置施工缝。混凝土运输、浇筑及间歇的全部时间不得超过下表的规定。混凝土运输、浇筑和间隙的时间(min)表1混凝土强度等级气温(℃)≤25>25≤C30210180>C30180150注:当混凝土中掺有促凝或缓凝型外加剂时,其允许时间应通过试验确定。设置施工缝应该严格按照规定,认真对待。如果位置不当或处理不好,会引起质量事故,轻则开裂渗漏,影响寿命;重则危及结构安全,影响使用。因此,应给予高度重视。施工缝的位置应设置在结构受剪力较小且便于施工的部位。留缝应符合下列规定:1.柱子留置在基础的顶面。2.单向板,留置在平行于板的短边的任何位置。3.有主次梁的楼板,宜顺着次梁方向浇筑,施工缝应留置在次梁跨度的中间三分之一范围内(图2)。3/5第3页共5页图2浇筑有主次梁楼板的施工缝位置图5.墙,留置在门洞口过梁跨中1/3范围内,也可留在纵横墙的交接处。6.筏板大体积混凝土结构施工缝的位置应按设计要求的后浇带留置本工程按下列要求留置:(1)墙柱水平施工缝的留置,地下室外墙(柱):人防区距基础筏板顶≥500㎜。非人防区外墙(柱)距基础筏板顶≥300㎜。内墙(柱)设置在基础筏板顶。其余各楼层墙柱与梁板采用整体浇注,其间不留设施工缝。(2)剪力墙垂直施工缝的留置,应设置在图纸设计的后浇带处。(3)楼梯施工缝的留置,应设置转向平台跨中1/3处。2施工缝的处理1)在施工缝处继续浇筑混凝土时,已浇筑的混凝土抗压强度不应小于1.2N/mm2。混凝土达到1.2N/mm2的时间,可通过试验决定,同时,必须对施工缝进行必要的处理。(1).在已硬化的混凝土表面上继续浇筑混凝土前,应清除垃圾、水泥薄膜、表面上松动砂石和软弱混凝土层,同时还应加以凿毛,用水冲洗干净并充分湿润,一般不宜少于24h,残留在混凝土表面的积水应予清除。(2).注意施工缝位置附近回弯钢筋时,要做到钢筋周围的混凝土不受松动和损坏。钢筋上的油污、水泥砂浆及浮锈等杂物也应清除。(3).在浇筑前,水平施工缝宜先铺上50~100mm厚的水泥砂浆一层,其配合比与混凝土内的砂浆成分相同。(4).从施工缝处开始继续浇筑时,要注意避免直接靠近缝边下料。机械振捣前,宜向施缝处逐渐推进,并距80~100cm处停止振捣,但应加强对施工缝接缝的捣实工作,使其紧密结合。3后浇带的设置后浇带是为在现浇钢筋混凝土结构施工过程中,克服由于温度收缩或不均匀4/5第4页共5页沉降或抗震可能产生有害裂缝而设置的临时施工缝。该缝需根据设计要求保留一段时间后再浇筑,将整个结构连成整体。本工程后浇带设计两种:一种是沉降带,各主楼四周与地下室之间的后浇带。该后浇带贯穿基础的筏板、地下室顶板及地下室剪力墙。另一种是温度后浇带,设置在地下室顶板、剪力墙及筏板上。后浇带的设置距离,根据规范由设计确定,施工现场按图施工。后浇带的浇注时间:沉降带:待后浇带两侧建筑物沉降均匀稳定后浇筑。温度后浇带:待后浇带两侧建筑物浇筑完毕后即可浇筑。本工程后浇带的设计宽度为80cm。后浇带内的钢筋应涂刷水泥素浆完好保存。后浇带在浇筑混凝土前,必须将整个混凝土表面按照施工缝的要求进行处理,同时抽干带内积水,剔凿、清尽其内的建筑垃圾和砼残渣、将部分已锈蚀的钢筋除锈干净,经自检合格后报验监理公司,经监理公司验收合格后方可进入下道工序施工。填充后浇带混凝土可采用微膨胀或无收缩水泥,也可采用普通水泥加入相应的外加剂拌制,但必须要求填筑混凝土的强度等级比原结构强度提高一级,并保持至少15d的湿润养护。4后浇带的处理1)顶板后浇带支撑:(1)、后浇带跨内原有梁底顶杆不...

1、当您付费下载文档后,您只拥有了使用权限,并不意味着购买了版权,文档只能用于自身使用,不得用于其他商业用途(如 [转卖]进行直接盈利或[编辑后售卖]进行间接盈利)。
2、本站所有内容均由合作方或网友上传,本站不对文档的完整性、权威性及其观点立场正确性做任何保证或承诺!文档内容仅供研究参考,付费前请自行鉴别。
3、如文档内容存在违规,或者侵犯商业秘密、侵犯著作权等,请点击“违规举报”。

碎片内容

施工缝与后浇带施工方案

您可能关注的文档

确认删除?
VIP
微信客服
  • 扫码咨询
会员Q群
  • 会员专属群点击这里加入QQ群
客服邮箱
回到顶部