电脑桌面
添加小米粒文库到电脑桌面
安装后可以在桌面快捷访问

普通水泥混凝土配合比参考表VIP免费

普通水泥混凝土配合比参考表_第1页
1/26
普通水泥混凝土配合比参考表_第2页
2/26
普通水泥混凝土配合比参考表_第3页
3/26
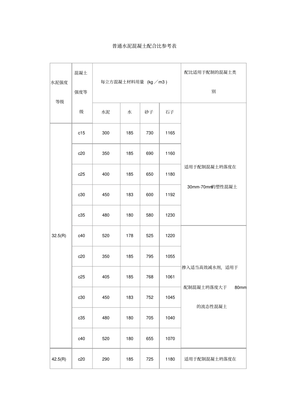
普通水泥混凝土配合比参考表水泥强度等级混凝土强度等级每立方混凝土材料用量(kg∕m3)配比适用于配制的混凝土类别水泥水砂子石子适用于配制混凝土坍落度在30mm-70mm的塑性混凝土32.5(R)c153001857301165c203501856901160c254001856501180c304501836001192c354801805801230c405201785251220掺入适当高效减水剂,适用于配制混凝土坍落度大于80mm的流态性混凝土c203501857951055c254051857681061c304501837521045c354801807051040c40520180655107042.5(R)c202901857251180适用于配制混凝土坍落度在c25345185670119530mm-70mm的塑性混凝土c303801856481198c354301856151205c404601855901210c454801805701215c505101785451220掺入适当高效减水剂,适用于配制混凝土坍落度大于80mm的流态性混凝土c203001858301056c253401858001045c303851847751050c354201857501060c404601837301065c454851807001080c50515180675108552.5(R)c303401856751200适用于配制混凝土坍落度在30mm-70mm的塑性混凝土c353751856501205c404051856251215c454401855951220c504681835601240c605251805301250c303501908001045掺入适当高效减水剂,适用于配制混凝土坍落度大于80mm的流态性混凝土c353851887801050c404201857651055c454501857501060c504801807301080c605251786751100备注1、我公司同时生产不同强度等级的不同品种水泥,除早期强度、施工性能和工性能有所区别外,28天强度指标基本相同,故本参考配合比没有区分。2、当掺和掺合料时,采用内掺法可等量或超量取代,最大取代量应根据掺合料性能进行强度对比实验结果而定。3、配制流态性混凝土时,参考配比试验所采用的是减水率在15%以上的高效减水剂。4、参考配比试验所有砂石为||区中砂,石子为5-31.5mm的连续级配的碎石。水泥标号百科名片水泥的标号是水泥“强度”的指标。水泥的强度是表示单位面积受力的大小,是指水泥加水拌和后,经凝结、硬化后的坚实程度(水泥的强度与组成水泥的矿物成分、颗粒细度、硬化时的温度、湿度、以及水泥中加水的比例等因素有关)。水泥的强度是确定水泥标号的指标,也是选用水泥的主要依据。测定水泥强度的方法用前是“软练法”。目录基本信息水泥的标号常见问题基本信息水泥的标号常见问题展开编辑本段基本信息此法是将1:3的水泥、标准砂(福建平潭白石英砂)及规定的水,按照规定的方法与水泥拌制成软练胶砂,制成7.07X7.07X7.07厘米的立方体抗压试块与8字形抗拉试块,在标准条件下进行养护,分别测定其3天、7天及28天的抗压强度和抗拉强度,以分组试块的28天平均抗压强度来确定水泥的标号,但3天、7天的技压强度也必须满足规定的要求。目前我国生产的水泥一般有225#、325#、425#、525#等几种标号。生产不同标号的水泥,是为了适应制做不同标号的混凝土的需要。编辑本段水泥的标号标准水泥的标号是水泥强度大小的标志,测定水泥标号的抗压强度,系指水泥砂浆硬结28d后的强度。例如检测得到28d后的抗压强度为310kg/cm2,则水泥的标号定为300号。抗压强度为300-400kg/cm2者均算为300号。普通水泥有:200、250、300、400、500、600六种标号。200号-300号的可用于一些房屋建筑。400号以上的可用于建筑较大的桥梁或厂房,以及一些重要路面和制造预制构件。关于水泥标号的用法,其实并没有非常精细的规定,一般来说,设计图纸中会给出明确的规定。在民用建筑工程中,一般用的比较多的是普通硅酸盐水泥和矿渣硅酸盐水泥。标号一般常用的有P.O32.5/42.5,P.S32.5/42.5。有325的和425的325的250元--300元425的360--450元品牌,地区不一样价格就不一样关于水泥标号通用水泥新标准是:GB175-1999《硅酸盐水泥、普通硅酸盐水泥》、GB1344-1999《矿渣硅酸盐水泥、火山灰硅酸盐水泥及粉煤灰硅酸盐水泥》、GB12958-1999《复合硅酸盐水泥》。从2001年4月1日起正式实施。与旧标准的区别(1)六大水泥产品标准均引用GB/T17671-1999方法为该标准的强度检验方法,不再采用GB177-85方法。(2)水泥标号改为强度等级六大水泥标准实行以MPa表示的强度等级,如32.5、32.5R、42.5、42.5R等,使强度等级的数值与水泥28天抗压强度指标的最低值...

1、当您付费下载文档后,您只拥有了使用权限,并不意味着购买了版权,文档只能用于自身使用,不得用于其他商业用途(如 [转卖]进行直接盈利或[编辑后售卖]进行间接盈利)。
2、本站所有内容均由合作方或网友上传,本站不对文档的完整性、权威性及其观点立场正确性做任何保证或承诺!文档内容仅供研究参考,付费前请自行鉴别。
3、如文档内容存在违规,或者侵犯商业秘密、侵犯著作权等,请点击“违规举报”。

碎片内容

普通水泥混凝土配合比参考表

您可能关注的文档

确认删除?
VIP
微信客服
  • 扫码咨询
会员Q群
  • 会员专属群点击这里加入QQ群
客服邮箱
回到顶部