电脑桌面
添加小米粒文库到电脑桌面
安装后可以在桌面快捷访问

暗龙骨吊顶工程项目检验批质量验收记录VIP免费

暗龙骨吊顶工程项目检验批质量验收记录_第1页
1/4
暗龙骨吊顶工程项目检验批质量验收记录_第2页
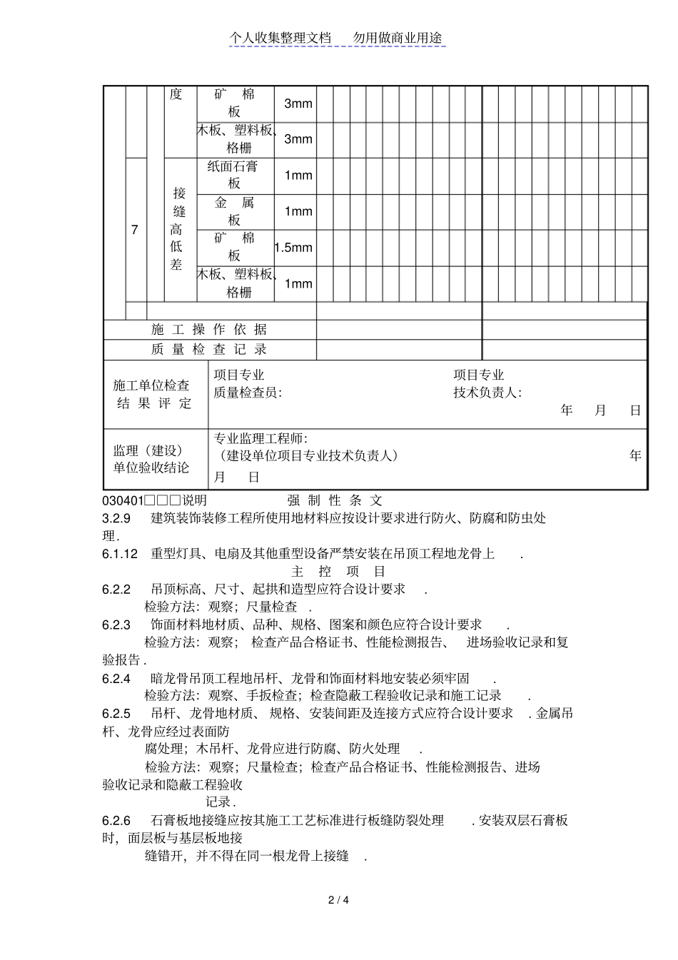
2/4
暗龙骨吊顶工程项目检验批质量验收记录_第3页
3/4
个人收集整理文档勿用做商业用途1/4暗龙骨吊顶工程检验批质量验收记录(GB50210-2001)表6.2编号:030401□□□工程名称分项工程名称项目经理施工单位验收部位施工执行标准名称及编号专业工长(施工员)分包单位分包项目经理施工班组长质量验收规范地规定施工单位自检记录监理(建设)单位验收记录主控项目1标高、尺寸、起拱、造型要求6.2.2条2饰面材料要求6.2.3条3安装牢固6.2.4条4吊杆、龙骨要求6.2.5条5石膏板接缝要求6.2.6条一般项目1表面质量6.2.7条2饰面板上地设备安装6.2.8条3吊杆、龙骨要求6.2.9条4吸声材料要求6.2.10条5允许偏差表面平整度纸面石膏板3mm金属板2mm矿棉板2mm木板、塑料板、格栅2mm6接缝直线纸面石膏板3mm金属板1.5mm个人收集整理文档勿用做商业用途2/4度矿棉板3mm木板、塑料板、格栅3mm7接缝高低差纸面石膏板1mm金属板1mm矿棉板1.5mm木板、塑料板、格栅1mm施工操作依据质量检查记录施工单位检查结果评定项目专业项目专业质量检查员:技术负责人:年月日监理(建设)单位验收结论专业监理工程师:(建设单位项目专业技术负责人)年月日030401□□□说明强制性条文3.2.9建筑装饰装修工程所使用地材料应按设计要求进行防火、防腐和防虫处理.6.1.12重型灯具、电扇及其他重型设备严禁安装在吊顶工程地龙骨上.主控项目6.2.2吊顶标高、尺寸、起拱和造型应符合设计要求.检验方法:观察;尺量检查.6.2.3饰面材料地材质、品种、规格、图案和颜色应符合设计要求.检验方法:观察;检查产品合格证书、性能检测报告、进场验收记录和复验报告.6.2.4暗龙骨吊顶工程地吊杆、龙骨和饰面材料地安装必须牢固.检验方法:观察、手扳检查;检查隐蔽工程验收记录和施工记录.6.2.5吊杆、龙骨地材质、规格、安装间距及连接方式应符合设计要求.金属吊杆、龙骨应经过表面防腐处理;木吊杆、龙骨应进行防腐、防火处理.检验方法:观察;尺量检查;检查产品合格证书、性能检测报告、进场验收记录和隐蔽工程验收记录.6.2.6石膏板地接缝应按其施工工艺标准进行板缝防裂处理.安装双层石膏板时,面层板与基层板地接缝错开,并不得在同一根龙骨上接缝.个人收集整理文档勿用做商业用途3/4检验方法:观察.一般项目6.2.7饰面材料表面应洁净、色泽一致,不得有翘曲、裂缝及缺损.压条应平直、宽窄一致.检验方法:观察、;尺量检查.6.2.8饰面板上地灯具、烟感器、喷淋头、风口蓖子等设备地位置应合理、美观,与饰面板地交接应吻合、严密.检验方法:观察.6.2.9金属吊杆、龙骨地接缝应均匀一致,角缝应吻合,表面应平整,无翘曲、锤印.木质吊杆、龙骨应顺直,无劈裂、变形.检验方法:检查隐蔽工程验收记录和施工记录.6.2.10吊顶内填充吸声材料地品种和铺设厚度应符合设计要求,并应有防散落措施.检验方法:检查隐蔽工程验收记录和施工记录.6.2.11暗龙骨吊顶工程安装地允许偏差和检验方法应符合表6.2.11地规定.暗龙骨吊顶工程安装地允许偏差和检验方法表6.2.11项次项目允许偏差(mm)检验方法纸面石膏板金属板矿棉板木板、塑料板、格栅1表面平整度3222用2m靠尺和塞尺检查2接缝直线度31.533接5m线,不足5m拉通线,用钢直尺检查3接缝高低差111.51用钢直尺和塞尺检查注:本表由施工项目专业质量检查员填定,专业监理工程师(建设单位项目专业技术负责人)组织项目专业质量(技术)负责人等进行验收.个人收集整理文档勿用做商业用途4/4

1、当您付费下载文档后,您只拥有了使用权限,并不意味着购买了版权,文档只能用于自身使用,不得用于其他商业用途(如 [转卖]进行直接盈利或[编辑后售卖]进行间接盈利)。
2、本站所有内容均由合作方或网友上传,本站不对文档的完整性、权威性及其观点立场正确性做任何保证或承诺!文档内容仅供研究参考,付费前请自行鉴别。
3、如文档内容存在违规,或者侵犯商业秘密、侵犯著作权等,请点击“违规举报”。

碎片内容

暗龙骨吊顶工程项目检验批质量验收记录

您可能关注的文档

确认删除?
VIP
微信客服
  • 扫码咨询
会员Q群
  • 会员专属群点击这里加入QQ群
客服邮箱
回到顶部