电脑桌面
添加小米粒文库到电脑桌面
安装后可以在桌面快捷访问

机械制造技术基础典型例题精心整理VIP专享VIP免费

机械制造技术基础典型例题精心整理_第1页
1/14
机械制造技术基础典型例题精心整理_第2页
2/14
机械制造技术基础典型例题精心整理_第3页
3/14
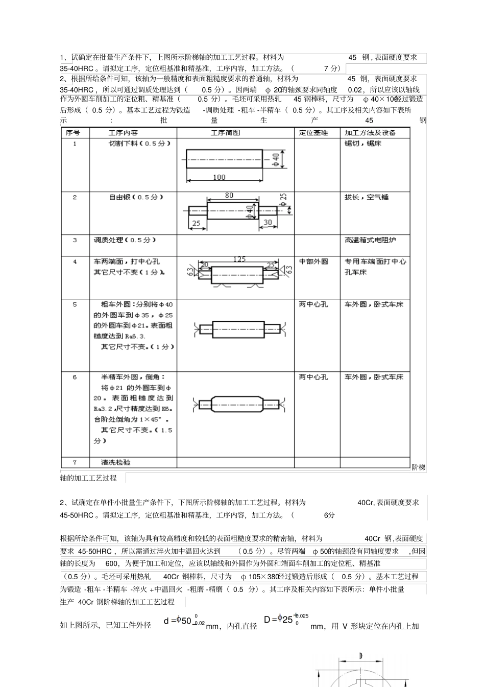
1、试确定在批量生产条件下,上图所示阶梯轴的加工工艺过程。材料为45钢,表面硬度要求35-40HRC。请拟定工序,定位粗基准和精基准,工序内容,加工方法。(7分)2、根据所给条件可知,该轴为一般精度和表面粗糙度要求的普通轴,材料为45钢,表面硬度要求35-40HRC,所以可通过调质处理达到(0.5分)。因两端φ20的轴颈要求同轴度0.02,所以应该以轴线作为外圆车削加工的定位粗、精基准(0.5分)。毛坯可采用热轧45钢棒料,尺寸为φ40×100经过锻造后形成(0.5分)。基本工艺过程为锻造-调质处理-粗车-半精车(0.5分)。其工序及相关内容如下表所示:批量生产45钢阶梯轴的加工工艺过程2、试确定在单件小批量生产条件下,下图所示阶梯轴的加工工艺过程。材料为40Cr,表面硬度要求45-50HRC。请拟定工序,定位粗基准和精基准,工序内容,加工方法。(6分根据所给条件可知,该轴为具有较高精度和较低的表面粗糙度要求的精密轴,材料为40Cr钢,表面硬度要求45-50HRC,所以需通过淬火加中温回火达到(0.5分)。尽管两端φ50的轴颈没有同轴度要求,但因轴的长度为600,为便于加工和定位,应该以轴线和外圆作为外圆和端面车削加工的定位粗、精基准(0.5分)。毛坯可采用热轧40Cr钢棒料,尺寸为φ105×380经过锻造后形成(0.5分)。基本工艺过程为锻造-粗车-半精车-淬火+中温回火-粗磨-精磨(0.5分)。其工序及相关内容如下表所示:单件小批量生产40Cr钢阶梯轴的加工工艺过程如上图所示,已知工件外径00.0250dmm,内孔直径0.025025Dmm,用V形块定位在内孔上加工键槽,要求保证工序尺寸0.2028.5Hmm。若不计内孔和外径的同轴度误差,求此工序的定位误差,并分析定位质量。解:(1)基准不重合误差0.01252DjbTmm(2)定位副制造不准确误差2sin(2)ddbT=0.01414mm(3)定位误差0.02660.027mmdwjbdb==(4)定位质量0.027mmdw=,T=0.2mm,由于13dwT定位方案可行。在车床加工一批孔,其设计尺寸为00.150mm,加工后内孔直径尺寸呈正态分布,其平均尺寸为49.96mm。均方根偏差为02.0mm。求:(1)试画出正态分布图;(2)计算常值系统性误差;(3)计算工序能力系数;(4)计算该批零件的合格率、废品率。Z1.802.003.03.23.44.0.0.46410.47720.498650.499310.499660.5.解:(1)作工件尺寸分布图(2)常值系统性误差049.9649.950.01xxmm(3)(3)工艺能力系数0.10.8333660.02pTC4)作标准变换,令查表,可得maxmin()(2)0.4772()(3)0.49865zz右图为一带键槽的内孔简图。孔径0.035085mm,键槽深度尺寸0.2090.4mm。其工艺过程为:1)精镗内孔至0.07084.8+mm;2)插键槽至尺寸A3)热处理:淬火4)磨内孔至尺寸0.35085,同时保证键槽深度0.2090.4mm。画出尺寸链图,指出尺寸链中的增环,减环和封闭环,并求工序尺寸A及其公差和上下偏差。解:(1)求出直径尺寸07.008.84和035.0085的半径值及其公差,画出尺寸链图:(2)尺寸0.2090.4mm为封闭环,尺寸A、0.0175042.5mm为增环,尺寸0.035042.4mm为减环。(3)A0=∑A增-∑A减,则有90.4=A+42.5-42.4ES0=∑ES增-∑EI减,则有ES(90.4)=ES(A)+ES(42.5)-EI(42.4)EI0=∑EI增-∑ES减,则有EI(90.4)=EI(A)+EI(42.5)-ES(42.4)于是A=90.4+42.4-42.5=90.3mmES(A)=0.2+0-0.0175=0.1825mmEI(A)=0+0.035-0=0.035mmT(A)=ES(A)-EI(A)=0.1475=0.148mm故:0.18250.035A90.3mm(4)按入体原则标注0.14750.14800A90.33590.335mm3.分析如下图所示定位方案,回答如下问题:⑴带肩心轴、手插圆柱销各限制工件的哪些自由度?⑵该定位属于哪种定位类型?⑶该定位是否合理,如不合理,请加以改正。答案:1)带肩心轴限制X、Y、Z的直线移动和旋转运动四个自由度;手插圆柱销限制Y的直线移动,X的旋转运动。2)属于自为基准定位方式:目的是使小孔获得较均匀的加工余量,以提高孔本身的加工精度。3)不合理。因为带肩心轴和手插圆柱销重复限制了沿两孔中心线方向的自由度,即都限制了Y的直线移动。改进方法为将手插圆柱销改为削边销,削边销的长轴与图中Y轴相垂直,如图所示。6.简述建立装配尺寸链的过程。为什么要对装配尺寸链进行简化?如何简化?答:装...

1、当您付费下载文档后,您只拥有了使用权限,并不意味着购买了版权,文档只能用于自身使用,不得用于其他商业用途(如 [转卖]进行直接盈利或[编辑后售卖]进行间接盈利)。
2、本站所有内容均由合作方或网友上传,本站不对文档的完整性、权威性及其观点立场正确性做任何保证或承诺!文档内容仅供研究参考,付费前请自行鉴别。
3、如文档内容存在违规,或者侵犯商业秘密、侵犯著作权等,请点击“违规举报”。

碎片内容

机械制造技术基础典型例题精心整理

确认删除?
VIP
微信客服
  • 扫码咨询
会员Q群
  • 会员专属群点击这里加入QQ群
客服邮箱
回到顶部