电脑桌面
添加小米粒文库到电脑桌面
安装后可以在桌面快捷访问

机械设计复习题目VIP免费

机械设计复习题目_第1页
1/30
机械设计复习题目_第2页
2/30
机械设计复习题目_第3页
3/30
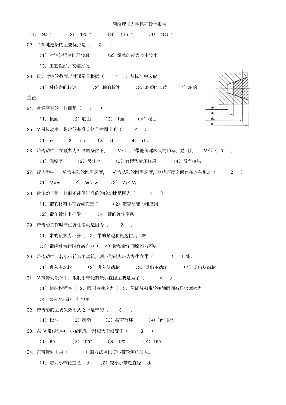
机械设计复习题目专用姓名:学号:33专业班级:电气本2班指导老师:所在学院:电气工程与自动化学院2014年4月15日河南理工大学课程设计报告如图所示齿轮与轴通过过盈配合相连接,若按右图设计比左图合理,理由是CA连接强度高B节约材料C装拆方便D刚性较好12.在常用的螺旋传动中,传动效率最高的螺纹是(4)(1)三角形螺纹(2)梯形螺纹(3)锯齿形螺纹(4)矩形螺纹13.在常用的螺纹连接中,自锁性能最好的螺纹是(1)(1)三角形螺纹(2)梯形螺纹(3)锯齿形螺纹(4)矩形螺纹14.螺纹连接防松的根本问题在于(3)(1)增加螺纹连接的轴向力(2)增加螺纹连接的横向力(3)防止螺纹副的相对转动(4)增加螺纹连接的刚度15.在螺纹连接中最常用的螺纹牙型是(3)(1)矩形螺纹(2)梯形螺纹(3)三角螺纹(4)锯齿形螺纹16.三角形螺纹的牙型角α=(2)(1)30°(2)60°(3)0°17.设计键连接的几项主要内容是:a)按轮毂长度选择键的长度b)按使用要求选择键的主要类型c)按轴的直径选择键的剖面尺寸d)对连接进行必要的强度校核。在具体设计时,一般顺序是(2)(1)b→a→c→d(2)b→c→a→d(3)a→c→b→d(4)c→d→b→a18.键的长度主要是根据(2)来选择.(1)传递转矩的大小(2)轮毂的长度(3)轴的直径19.能够构成紧键连接的两种键是(4)(1)楔键和半圆键(2)平键和切向键(3)半圆键和切向键(4)楔键和切向键20.楔键连接的主要缺点是(4)(1)键的斜面加工困难(2)键安装时易损坏(3)键装入键槽后,央轮毂中产生初应力(4)轴和轴上的零件对中性差21.平键连接如不能满足强度条件要求时,可在轴上安装一对平键,使它们沿圆周相隔(4)河南理工大学课程设计报告(1)90°(2)120°(3)135°(4)180°22.半圆键连接的主要优点是(3)(1)对轴的强度削弱较轻(2)键槽的应力集中较小(3)工艺性好、安装方便23.设计时键的截面尺寸通常是根据(1)从标准中选取(1)键传递的转矩(2)轴的转速(3)轮毂的长度(4)轴的直径24.普通平键的工作面是(3)(1)顶面(2)底面(3)侧面(4)端面25.V带传动中,带轮的基准直径是右图上的(2)(1)d1(2)d2(3)d3(4)d426.带传动中,在预紧力相同的条件下,V带比平带能传递较大的功率,是因为V带(3)(1)强度高(2)尺寸小(3)有楔形增压作用(4)没有接头27.带传动中,V1为主动轮圆周速度,V2为从动轮圆周速度,这些速度之间存在的关系是(2)(1)V1=V2(2)V1>V2(3)V1<V228.带传动正常工作时不能保证准确的传动比是因为(4)(1)带的材料不符合虎克定律(2)带容易变形和磨损(2)带在带轮上打滑(4)带的弹性滑动29.带传动工作时产生弹性滑动是因为(2)(1)带的预紧力不够(2)带的紧边和松边拉力不等(3)带绕过带轮时有离心力(4)带和带轮间摩擦力不够30.带传动中,若小带轮为主动轮,则带的最火应力发生在带(1)处。(1)进入主动轮(2)进入从动轮(3)退出主动轮(4)退出从动轮31.V带传动设计中,限制小带轮的最小直径主要是为了(4)(1)使结构紧凑(2)限制弯曲应力(3)保证带和带轮接触面间有足够摩擦力(4)限制小带轮上的包角32.带传动的主要失效形式之一是带的(3)(1)松弛(2)颤动(3)疲劳破坏(4)弹性滑动33.在V带传动中,小轮包角一般应大于或等于(3)(1)90°(2)100°(3)120°(4)150°34.在带传动中用(1)的方法可以使小带轮包角加大。(1)增大小带轮直径d1(2)减小小带轮直径d1河南理工大学课程设计报告(3)增大大带轮直径d2,(4)减小中心距a35.对于渐开线圆柱齿轮传动的齿面接触疲劳强度计算,一般以(3)处的接触应力作为计算应力。(1)齿顶(2)齿根(3)节点36.对于制造精度较低的齿轮传动,齿根弯曲疲劳强度通常按全部载荷作用于(1)来计算。(1)齿根(2)齿顶(3)节圆37.开式齿轮传动中轮齿的主要失效形式是(3)(1)点蚀和弯曲疲劳折断(2)胶合和齿面塑性变形(3)弯曲疲劳折断和磨粒磨损38.有一对传递动力的渐开线闭式直齿圆柱齿轮传动,现设计主、从动轮均为软齿面钢制齿轮,精度等级为7级。如欲在中一心距和传动比...

1、当您付费下载文档后,您只拥有了使用权限,并不意味着购买了版权,文档只能用于自身使用,不得用于其他商业用途(如 [转卖]进行直接盈利或[编辑后售卖]进行间接盈利)。
2、本站所有内容均由合作方或网友上传,本站不对文档的完整性、权威性及其观点立场正确性做任何保证或承诺!文档内容仅供研究参考,付费前请自行鉴别。
3、如文档内容存在违规,或者侵犯商业秘密、侵犯著作权等,请点击“违规举报”。

碎片内容

机械设计复习题目

确认删除?
VIP
微信客服
  • 扫码咨询
会员Q群
  • 会员专属群点击这里加入QQ群
客服邮箱
回到顶部