电脑桌面
添加小米粒文库到电脑桌面
安装后可以在桌面快捷访问

氟塑料衬里阀门生产工艺VIP免费

氟塑料衬里阀门生产工艺_第1页
1/3
氟塑料衬里阀门生产工艺_第2页
2/3
氟塑料衬里阀门生产工艺_第3页
3/3
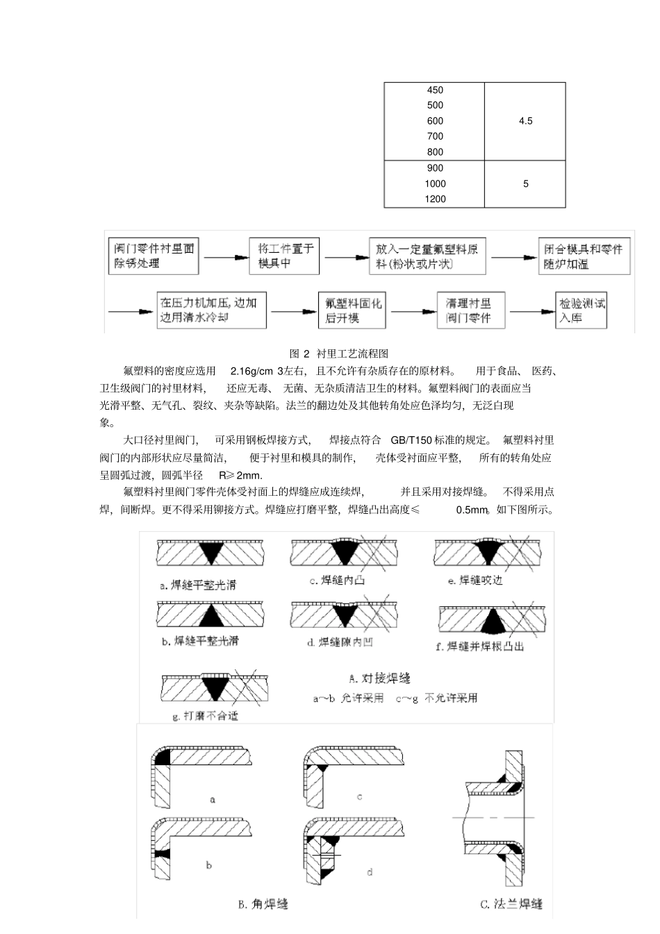
氟塑料衬里阀门生产工艺氟塑料衬里阀门的生产是一种复杂而又繁重的过程,除了成型加工技术外,还需考虑到生产成本,原料供应,环境影响等方面。压塑是氟塑料成型工艺方法之一(如图1),也是氟塑料衬里阀门应用最理想的方法之一,是将一定量的氟塑料(粉状、粒状、纤维状、片状和碎屑状等)放入成型的模腔中,然后闭合,放在加热炉内加热到一定温度,并在压力作用下熔融流动,缓慢充满整个型腔而取得型腔所赋予的形状。随着氟塑料化学反应程度的增加,熔体逐渐失去流动性变成不熔的体型结构而成为固体,经冷却到一定温度打开模具,而成为成品,从而完成模压过程。如图2衬里工艺流程图。衬里阀门是现代科学技术发展阶段的产物。氟塑料衬里阀门是伴随着氟塑料的出现和社会需求而产生的一种高新技术产品。根据氟塑料上述的性能特点和成型工艺特性、方法,人们不断探索,反覆实践,开发出了系列氟塑料衬里阀门。氟塑料衬里阀门与常规通用阀门相比,不论是材料选择上,还是制造工艺上有其自身的特点。氟塑料衬里阀门结构长度和法兰两端尺寸,按钢制阀门的相关标准和行业标准执行。如结构长度按GB/T12221标准的规定,结构长度包括法兰密封面衬氟塑料厚度。法兰连接尺寸按GB/T9113.1的规定。并限制在法兰端连接,不允许采用焊接方法连接。便于工业管道的安装连接不因焊接而影响产品质量。衬里层厚度的确定既是一个科学问题,又是比较现实的经济问题。衬氟层厚了浪费昂贵的氟塑料,衬薄了满足不了使用要求。因为氟塑料是高分子材料,具有吸收少量与其接触的气体的特性,随温度的升高,材料体积膨胀,分子之间空隙增大,渗透吸收就加剧。只有适当增加厚度才能减少渗透。因此,在衬里层设计时,采用增加厚度来弥补这一缺陷。经过试验验证,确定衬里层厚度δ≥2mm比较合适。并且随着阀门通径的增大而增加,衬氟塑料厚度如表1所示:表1衬氟塑料厚度mm公称通径DN衬氟塑料厚度1015202532>2.0405065802.5100125150320025030035040044505006007008004.5900100012005图2衬里工艺流程图氟塑料的密度应选用2.16g/cm3左右,且不允许有杂质存在的原材料。用于食品、医药、卫生级阀门的衬里材料,还应无毒、无菌、无杂质清洁卫生的材料。氟塑料阀门的表面应当光滑平整、无气孔、裂纹、夹杂等缺陷。法兰的翻边处及其他转角处应色泽均匀,无泛白现象。大口径衬里阀门,可采用钢板焊接方式,焊接点符合GB/T150标准的规定。氟塑料衬里阀门的内部形状应尽量简洁,便于衬里和模具的制作,壳体受衬面应平整,所有的转角处应呈圆弧过渡,圆弧半径R≥2mm.氟塑料衬里阀门零件壳体受衬面上的焊缝应成连续焊,并且采用对接焊缝。不得采用点焊,间断焊。更不得采用铆接方式。焊缝应打磨平整,焊缝凸出高度≤0.5mm。如下图所示。焊缝不得有气孔、咬边、裂纹以及任何其他形式的表面孔洞及未焊透等缺陷。不合格时,可以修补。修补后仍应符合上述要求。受衬面的焊渣,飞溅物等类似杂物应予以彻底清除;衬里阀门的机加工,焊接等工序必须在衬里之前完成;衬里前,应按GB11373标准中St2级要求进行除锈处理;法兰面的衬里应衬满密封面,并且有扣紧基体的结构,防止脱壳;如下图:衬里层厚度应用测厚仪检测,也可用卡尺、千分尺测量,其衬里层厚度不得低于表1的规定。衬里阀门零件应进行电火花检测,采用5kv~20kv高频电火花检测仪,输出电压,调至相应的电压,一般按10~15kv,衬里层薄一点按10kv,厚一点按15kv,一般不超过15kv。氟塑料衬里阀门一般不能当作真空阀门使用,也不能作调节阀使用,如用户需要做真空用或调节用,必须由供需双方商协。设计特殊结构,出厂前,除进行压力试验、电火花测试、壁厚和外观检查外,还应进行真空检验。保证氟塑料衬里在允许的压力下,衬里层不会发生吸扁、挠曲等变形失稳现象。检测探头在衬里表面以不超过50mm/s的速度移动。被检测工件不被击穿为合格,检测仪器一次连续工作不得超过50分钟

1、当您付费下载文档后,您只拥有了使用权限,并不意味着购买了版权,文档只能用于自身使用,不得用于其他商业用途(如 [转卖]进行直接盈利或[编辑后售卖]进行间接盈利)。
2、本站所有内容均由合作方或网友上传,本站不对文档的完整性、权威性及其观点立场正确性做任何保证或承诺!文档内容仅供研究参考,付费前请自行鉴别。
3、如文档内容存在违规,或者侵犯商业秘密、侵犯著作权等,请点击“违规举报”。

碎片内容

氟塑料衬里阀门生产工艺

您可能关注的文档

确认删除?
VIP
微信客服
  • 扫码咨询
会员Q群
  • 会员专属群点击这里加入QQ群
客服邮箱
回到顶部