电脑桌面
添加小米粒文库到电脑桌面
安装后可以在桌面快捷访问

水害预警系统建立情况说明VIP专享VIP免费

水害预警系统建立情况说明_第1页
1/5
水害预警系统建立情况说明_第2页
2/5
水害预警系统建立情况说明_第3页
3/5
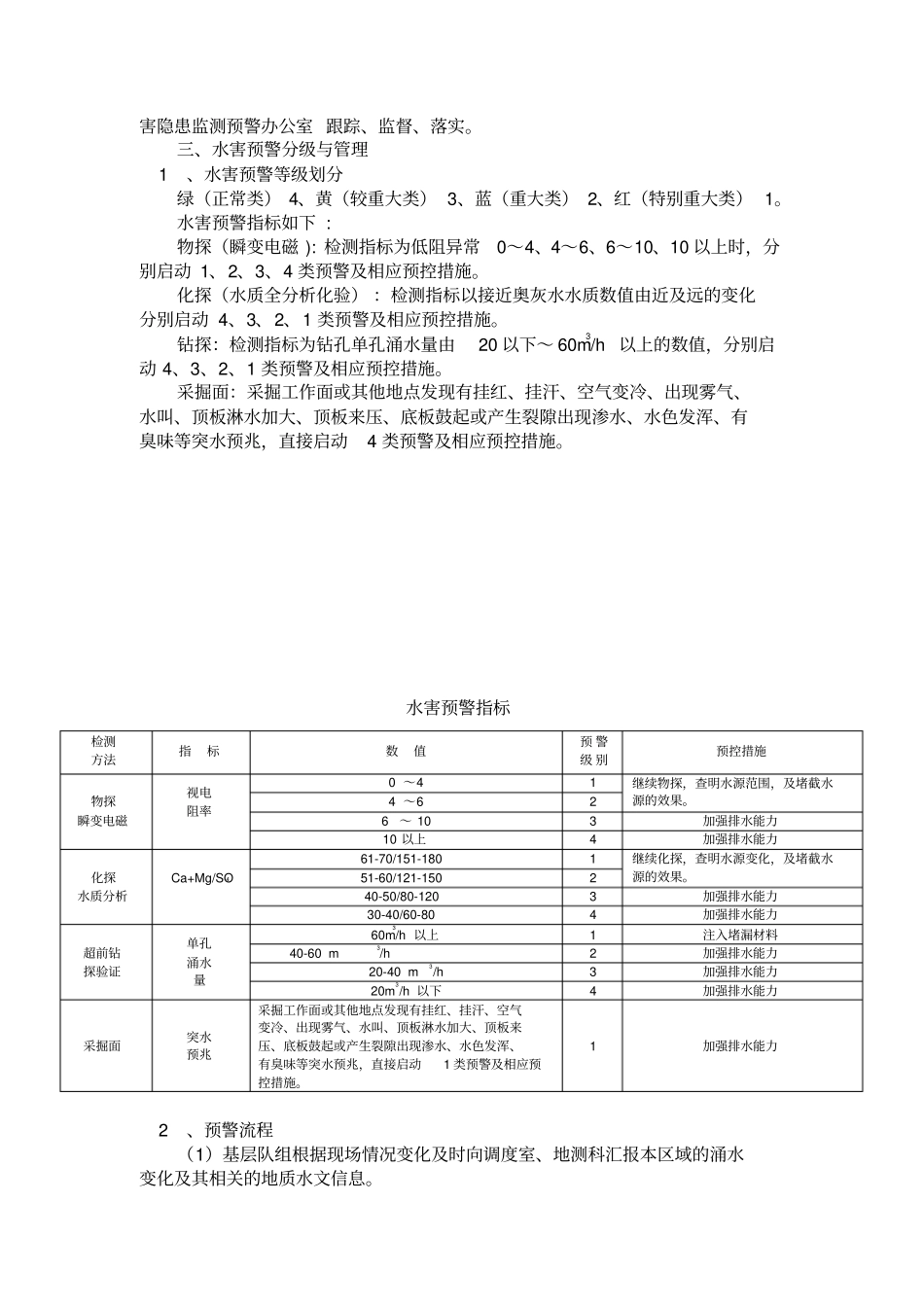
水害预警系统建立情况说明一、水害预警系统组织机构1、成立矿井水害隐患监测预警领导小组组长:矿长副组长:总工程师成员:安全矿长、生产矿长、机电矿长、通防矿长、地测副总、通防副总安全副总、调度主任。领导小组下设矿井水害隐患监测预警办公室:办公室设在地测科;主任:由地测副总工程师兼任;2、职责(一)领导小组职责:1、贯彻国家及上级有关矿井防治水方面的方针、政策、法律及法规,把好防治水最后一道防线。2、负责统一组织领导矿井水害隐患监测预警系统(常规)的建立工作。3、负责矿井水害隐患监测预警系统建设中重大问题的决策和处理,保障监测预警系统所需的人、财、物。(二)地测科职责:1、负责矿井水害隐患监测预警的日常管理工作,贯彻落实领导小组的决策、决议及命令,把好防治水最后一道防线。2、负责建立矿井水害隐患监测预警系统及实施,完善防治水害各项制度。3、负责员工的防治水知识教育和培训,提高矿井水害隐患监测预警水平和抵御水灾的能力。二、水害预警系统的建立1、日常水文地质观测及调查矿井地测防治水人员要经常深入现场观测水文地质,了解矿井水文地质情况,掌握矿井涌水动态;调查井田内及周边小煤窑和废弃老窑情况,查清矿井采空区积水分布情况;对奥灰水水质进行全分析测试,每月与上部地层水水质进行一次对比;完善各种防治水基础图件及台账。2、完善矿井水害、水情分析制度总工程师每月初要组织一次水害、水情分析会,根据采掘衔接安排计划,全面综合分析化探、物探、钻探、水文地质资料,分析预测水害隐患,按图例及时修订水害预测图,确定水害类型,并逐头逐面制定治理措施,确定治理重点,月底进行检查验收。3、建立防治水隐患“四级”分析、处理机制采掘队每班开工前将本队采掘工作面现场的水文地质情况书面报到安全科和调度室,地测科牵头,召开专题会专人整理,根据矿井的水害类型和影响程度分正常类、较重大类、重大类、特别重大类(或4、3、2、1类)登记汇总入册。4、建立定期水情、水害分析会议制度总工程师或地测副总工程师每月组织召开一次矿井水害、水情预测汇报分析会,根据实际对正常类、较重大类、重大类、特别重大类水害预警分类指标进行合理调整,将4、3、2、1类水情、水害情况分绿、黄、蓝、红四级,按预测区域以色标和图例标汇在矿井充水性图上。作业现场执行挂牌管理制度,由矿井水害隐患监测预警办公室跟踪、监督、落实。三、水害预警分级与管理1、水害预警等级划分绿(正常类)4、黄(较重大类)3、蓝(重大类)2、红(特别重大类)1。水害预警指标如下:物探(瞬变电磁):检测指标为低阻异常0~4、4~6、6~10、10以上时,分别启动1、2、3、4类预警及相应预控措施。化探(水质全分析化验):检测指标以接近奥灰水水质数值由近及远的变化分别启动4、3、2、1类预警及相应预控措施。钻探:检测指标为钻孔单孔涌水量由20以下~60m3/h以上的数值,分别启动4、3、2、1类预警及相应预控措施。采掘面:采掘工作面或其他地点发现有挂红、挂汗、空气变冷、出现雾气、水叫、顶板淋水加大、顶板来压、底板鼓起或产生裂隙出现渗水、水色发浑、有臭味等突水预兆,直接启动4类预警及相应预控措施。水害预警指标2、预警流程(1)基层队组根据现场情况变化及时向调度室、地测科汇报本区域的涌水变化及其相关的地质水文信息。检测方法指标数值预警级别预控措施物探瞬变电磁视电阻率0~41继续物探,查明水源范围,及堵截水源的效果。4~626~103加强排水能力10以上4加强排水能力化探水质分析Ca+Mg/SO461-70/151-1801继续化探,查明水源变化,及堵截水源的效果。51-60/121-150240-50/80-1203加强排水能力30-40/60-804加强排水能力超前钻探验证单孔涌水量60m3/h以上1注入堵漏材料40-60m3/h2加强排水能力20-40m3/h3加强排水能力20m3/h以下4加强排水能力采掘面突水预兆采掘工作面或其他地点发现有挂红、挂汗、空气变冷、出现雾气、水叫、顶板淋水加大、顶板来压、底板鼓起或产生裂隙出现渗水、水色发浑、有臭味等突水预兆,直接启动1类预警及相应预控措施。1加强排水能力(2)地测科根据日常防治水检查和基层队组的反馈信息,及时派人到...

1、当您付费下载文档后,您只拥有了使用权限,并不意味着购买了版权,文档只能用于自身使用,不得用于其他商业用途(如 [转卖]进行直接盈利或[编辑后售卖]进行间接盈利)。
2、本站所有内容均由合作方或网友上传,本站不对文档的完整性、权威性及其观点立场正确性做任何保证或承诺!文档内容仅供研究参考,付费前请自行鉴别。
3、如文档内容存在违规,或者侵犯商业秘密、侵犯著作权等,请点击“违规举报”。

碎片内容

水害预警系统建立情况说明

确认删除?
VIP
微信客服
  • 扫码咨询
会员Q群
  • 会员专属群点击这里加入QQ群
客服邮箱
回到顶部