电脑桌面
添加小米粒文库到电脑桌面
安装后可以在桌面快捷访问

水泵试运转测试检查记录VIP免费

水泵试运转测试检查记录_第1页
1/2
水泵试运转测试检查记录_第2页
2/2
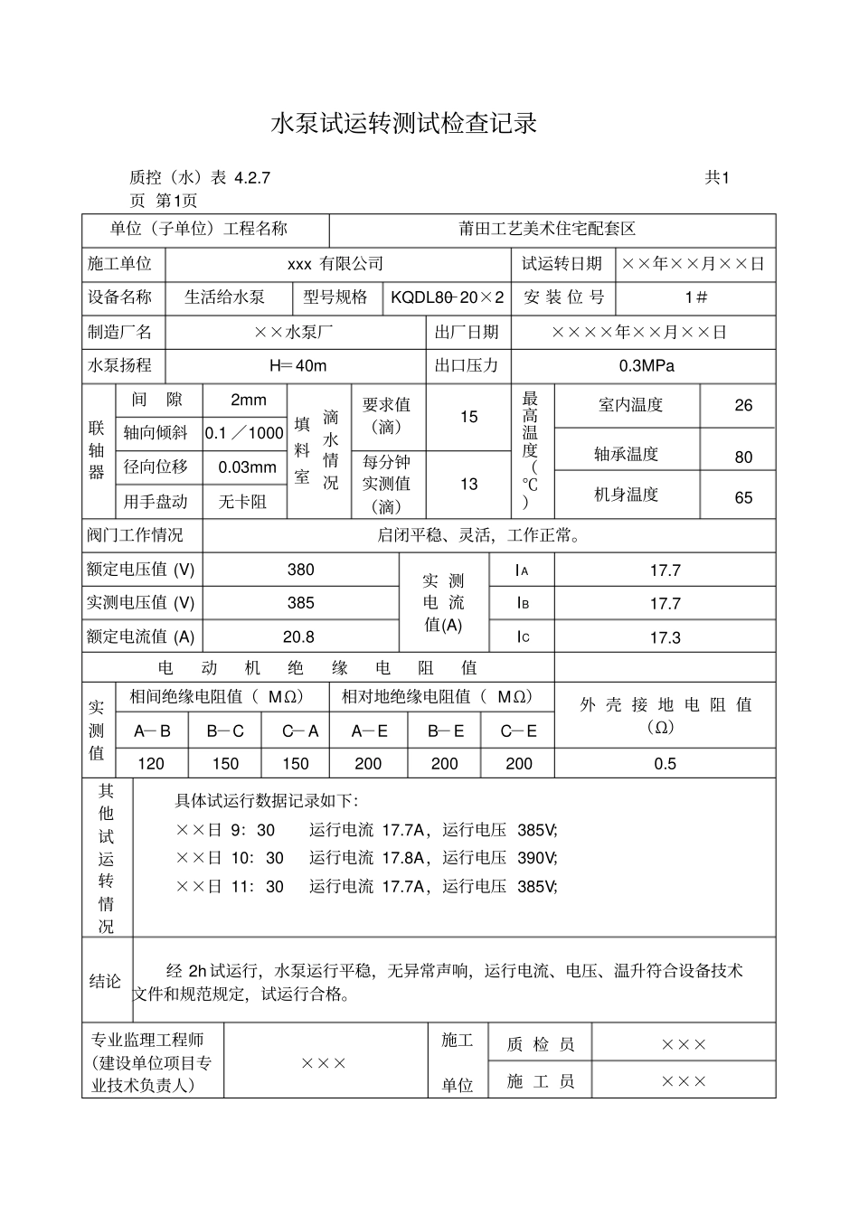
水泵试运转测试检查记录质控(水)表4.2.7共1页第1页单位(子单位)工程名称莆田工艺美术住宅配套区施工单位xxx有限公司试运转日期××年××月××日设备名称生活给水泵型号规格KQDL80-20×2安装位号1#制造厂名××水泵厂出厂日期××××年××月××日水泵扬程H=40m出口压力0.3MPa联轴器间隙2mm滴水情况填料室要求值(滴)15最高温度(℃)室内温度轴承温度机身温度268065轴向倾斜0.1/1000径向位移0.03mm每分钟实测值(滴)13用手盘动无卡阻阀门工作情况启闭平稳、灵活,工作正常。额定电压值(V)380实测电流值(A)IA17.7实测电压值(V)385IB17.7额定电流值(A)20.8IC17.3电动机绝缘电阻值实测值相间绝缘电阻值(MΩ)相对地绝缘电阻值(MΩ)外壳接地电阻值(Ω)A-BB-CC-AA-EB-EC-E1201501502002002000.5其他试运转情况具体试运行数据记录如下:××日9:30运行电流17.7A,运行电压385V;××日10:30运行电流17.8A,运行电压390V;××日11:30运行电流17.7A,运行电压385V;结论经2h试运行,水泵运行平稳,无异常声响,运行电流、电压、温升符合设备技术文件和规范规定,试运行合格。专业监理工程师(建设单位项目专业技术负责人)×××施工单位质检员×××施工员×××试验员×××

1、当您付费下载文档后,您只拥有了使用权限,并不意味着购买了版权,文档只能用于自身使用,不得用于其他商业用途(如 [转卖]进行直接盈利或[编辑后售卖]进行间接盈利)。
2、本站所有内容均由合作方或网友上传,本站不对文档的完整性、权威性及其观点立场正确性做任何保证或承诺!文档内容仅供研究参考,付费前请自行鉴别。
3、如文档内容存在违规,或者侵犯商业秘密、侵犯著作权等,请点击“违规举报”。

碎片内容

水泵试运转测试检查记录

确认删除?
VIP
微信客服
  • 扫码咨询
会员Q群
  • 会员专属群点击这里加入QQ群
客服邮箱
回到顶部