电脑桌面
添加小米粒文库到电脑桌面
安装后可以在桌面快捷访问

江苏交通工程质量检测和工程材料试验收费标准部分项目单价调整及说明VIP免费

江苏交通工程质量检测和工程材料试验收费标准部分项目单价调整及说明_第1页
1/35
江苏交通工程质量检测和工程材料试验收费标准部分项目单价调整及说明_第2页
2/35
江苏交通工程质量检测和工程材料试验收费标准部分项目单价调整及说明_第3页
3/35
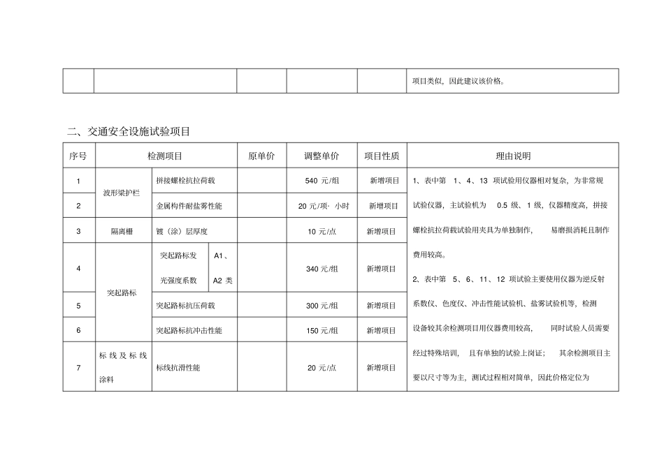
江苏省交通工程质量检测和工程材料试验收费标准部分项目单价调整及说明一、路基、路面序号检测项目原单价调整单价项目性质理由说明1路面弯沉(落锤仪)45元/点35元/点由于现在使用落锤式弯沉仪的检测单位较多,竞争激烈,仪器单价亦有下调。2连续式弯沉测定车800元/车道·公里新增项目根据交通部公路所报价3横向力系数测定车100元/车道·公里新增项目根据交通部公路所报价4水稳取芯450元/点一层350元/个原单价未考虑层次两层450元/个5二灰碎石取芯400元/点一层300元/个原单价未考虑层次两层400元/个6施工安全文明检查300元/标段新增项目该项检查要求有5年以上一线管理经验的技术人员。7内业资料检查60元/天100元/标段新增项目该项检查要求有5年以上实践工作经验的人员,技术要求(协议)全面内业资料检查需要由有较丰富检测经验及施工经验的人员完成,对发现的问题能够作出准确的判别。8车辆使用费300元/天.辆(协议)350/500元/天.辆新增项目其中包括车辆过路过桥费、停车费。检测车辆一般为伊维柯、全顺等小型客车,负载设备、样品较多,油耗大。9沥青砼取芯(含试验费)(一层)300元/个原单价未考虑层次沥青砼取芯(含试验费)(二层)400元/个原单价未考虑层次沥青砼取芯(含试验费)(三层)500元/个原单价未考虑层次10路面破损50元/km70元/km检测内容较多,全程步行,危险系数较大。11混凝土芯样抗压试验(含加工费)80元/个120元/个芯样加工要求高,一般是采用三相固定的车床进行切割,同时对顶面及底面需要进行打磨,保证平整度及不垂直度,车床精度要求高12沥青针入度指数1000沥青试验项目试验程序、步骤基本与《江苏省交通工程质量检测和工程材料试验收费标准》中序号16、19项试验13沥青60℃粘度试验1300项目类似,因此建议该价格。二、交通安全设施试验项目序号检测项目原单价调整单价项目性质理由说明1波形梁护栏拼接螺栓抗拉荷载540元/组新增项目1、表中第1、4、13项试验用仪器相对复杂,为非常规试验仪器,主试验机为0.5级、1级,仪器精度高,拼接螺栓抗拉荷载试验用夹具为单独制作,易磨损消耗且制作费用较高。2、表中第5、6、11、12项试验主要使用仪器为逆反射系数仪、色度仪、冲击性能试验机、盐雾试验机等,检测设备较其余检测项目用仪器费用较高,同时试验人员需要经过特殊培训,且有单独的试验上岗证;其余检测项目主要以尺寸等为主,测试过程相对简单,因此价格定位为2金属构件耐盐雾性能20元/项·小时新增项目3隔离栅镀(涂)层厚度10元/点新增项目4突起路标突起路标发光强度系数A1、A2类340元/组新增项目5突起路标抗压荷载300元/组新增项目6突起路标抗冲击性能150元/组新增项目7标线及标线涂料标线抗滑性能20元/点新增项目标线长度5元/点新增项目5~10元。3、以上交通安全设施检测项目价格已经在交通部交通工程质量检测中心收费价格(电话查询方式)基础上做出了下降调整。宽度5元/点新增项目厚度5元/点新增项目8标志及标志反光膜标志底板厚度5元/点新增项目9标志金属构件镀层厚度10元/点新增项目10标志板外形尺寸5元/点新增项目11反光标志逆反射系数150元/项新增项目12反光膜色度性能150元/项新增项目13反光膜抗拉荷载540元/组新增项目14反光膜附着性能50元/组新增项目15防眩设施安装高度5点/处新增项目16镀(涂)层厚度10元/点新增项目17防眩板设置间距10元/点新增项目18竖直度5元/点新增项目19顺直度5元/处新增项目三、伸缩缝试验检测项目序号检测项目原单价调整单价项目性质理由说明1伸缩缝与桥面高差5元/点新增项目伸缩缝与桥面高差参考《江苏省交通工程质量检测和工程材料试验收费标准》中类似检测项目第362项收费单价2伸缩缝几何尺寸及外观1500元/条新增项目伸缩缝检测具体项目为组焊后伸缩量预留尺寸、锚固筋几何尺寸、锚固筋间距、直线度、防腐层厚度、锚固件底距工作面高度、外观质量、防水性能,电话咨询交通部公路科研所检测收费价格为2000元/条,东南大学收费价格为1000元/条,综合两家收费情况,暂定价1500元/条四、结构物试验检测项目序号检测项目原单价调整单价项目性质理由说明1节段间错台5元/点新增项目参考《江苏省交通工程质量检测和...

1、当您付费下载文档后,您只拥有了使用权限,并不意味着购买了版权,文档只能用于自身使用,不得用于其他商业用途(如 [转卖]进行直接盈利或[编辑后售卖]进行间接盈利)。
2、本站所有内容均由合作方或网友上传,本站不对文档的完整性、权威性及其观点立场正确性做任何保证或承诺!文档内容仅供研究参考,付费前请自行鉴别。
3、如文档内容存在违规,或者侵犯商业秘密、侵犯著作权等,请点击“违规举报”。

碎片内容

江苏交通工程质量检测和工程材料试验收费标准部分项目单价调整及说明

文库响当当+ 关注
实名认证
内容提供者

该用户很懒,什么也没介绍

确认删除?
VIP
微信客服
  • 扫码咨询
会员Q群
  • 会员专属群点击这里加入QQ群
客服邮箱
回到顶部