电脑桌面
添加小米粒文库到电脑桌面
安装后可以在桌面快捷访问

汽包水位的标定VIP免费

汽包水位的标定_第1页
1/2
汽包水位的标定_第2页
2/2
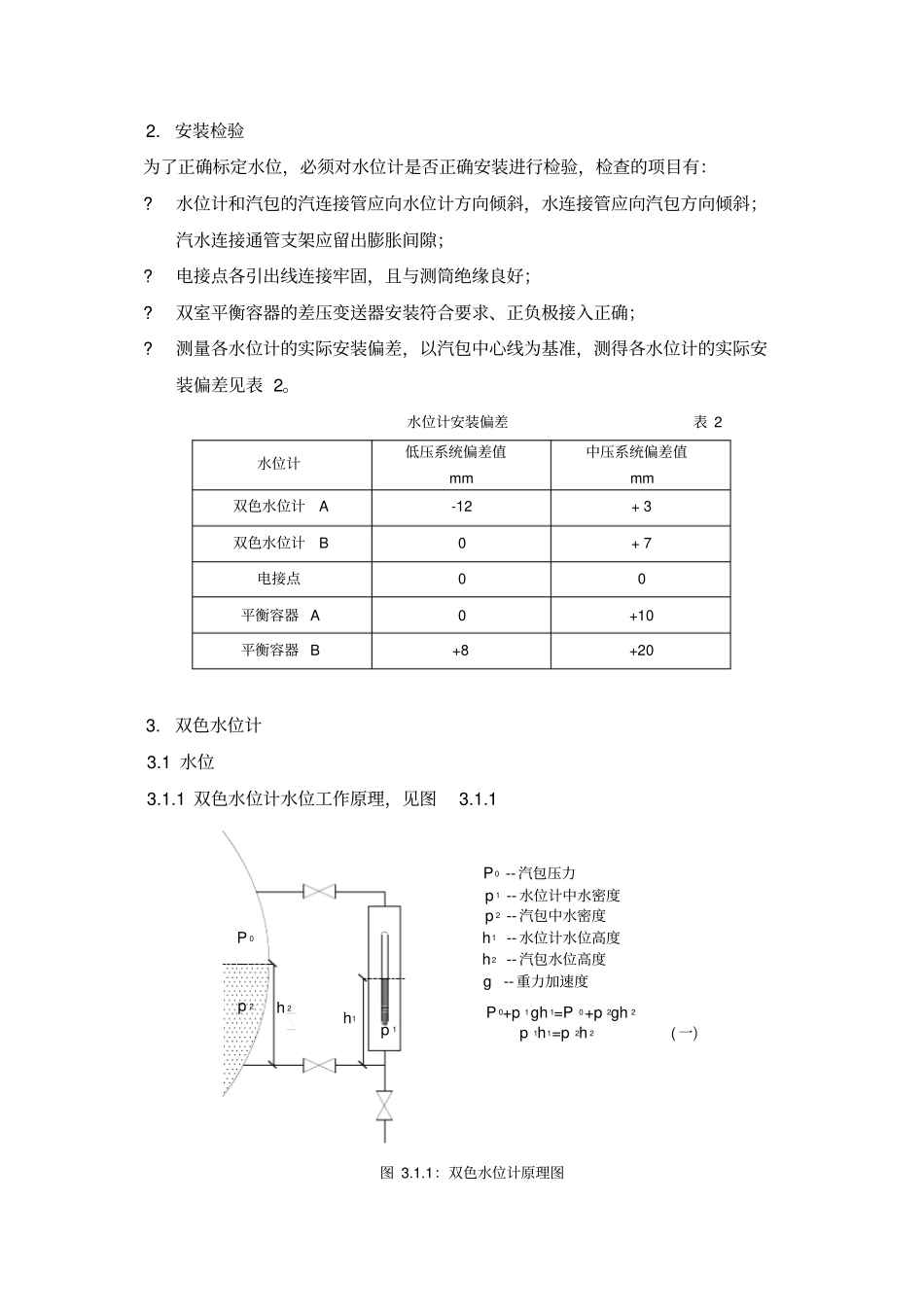
汽包水位的标定摘要:汽包水位对锅炉正常运行非常重要,汽包水位过高,产生蒸汽饱和水量大,蒸汽含盐及其他杂质增多,对过热器危害大,甚至影响汽轮机的安全运行;水位过低,易造成锅炉水循环破坏,因补水不及时,蒸汽产生量会急巨加快,造成缺水,干锅,甚至发生爆炸事故。关键词:水位水位计标定1.工程概况******烧结余热发电工程项目锅炉由******有限公司生产双压余热锅炉,锅炉型号Q200/350-15.2(3.9)-20(1.6)-330(165),中低压系统各配备汽包一台,汽包参数如下:系统汽包内径mm壁厚mm额定工作压力MPa正常水位mm最高水位mm最低水位mm中压汽包1600202.2-750-150低压汽包2000100.6+200+150中压汽包配双色水位计2台(左右各1),双室平衡容器2台配差压式变送器0~600mmH2O(左右各1),电接点水位计1台。以上5台水位计高度均为600mm,从汽包中心线上250mm下350mm的接口接入,见图1-1。低压汽包配双色水位计2台(均位于汽包一侧堵头上),双室平衡容器2台配差压式变送器0~1200mmH2O(左右各1),电接点水位1台。以上5台水位计高度均为1200mm,从汽包中心线上下各600mm的接口接入,见图1-2。汽包中心线(最高水位)正常水位最低水位汽包中心线最低水位正常水位汽包水位计水连接阀排污阀汽连接阀图1-1:中压汽包水位计示意图图1-2:低压汽包水位计示意图2.安装检验为了正确标定水位,必须对水位计是否正确安装进行检验,检查的项目有:?水位计和汽包的汽连接管应向水位计方向倾斜,水连接管应向汽包方向倾斜;汽水连接通管支架应留出膨胀间隙;?电接点各引出线连接牢固,且与测筒绝缘良好;?双室平衡容器的差压变送器安装符合要求、正负极接入正确;?测量各水位计的实际安装偏差,以汽包中心线为基准,测得各水位计的实际安装偏差见表2。水位计安装偏差表2水位计低压系统偏差值mm中压系统偏差值mm双色水位计A-12+3双色水位计B0+7电接点00平衡容器A0+10平衡容器B+8+203.双色水位计3.1水位3.1.1双色水位计水位工作原理,见图3.1.1h2h1p2p1P0P0--汽包压力p1--水位计中水密度p2--汽包中水密度h1--水位计水位高度h2--汽包水位高度g--重力加速度P0+p1gh1=P0+p2gh2p1h1=p2h2(一)图3.1.1:双色水位计原理图

1、当您付费下载文档后,您只拥有了使用权限,并不意味着购买了版权,文档只能用于自身使用,不得用于其他商业用途(如 [转卖]进行直接盈利或[编辑后售卖]进行间接盈利)。
2、本站所有内容均由合作方或网友上传,本站不对文档的完整性、权威性及其观点立场正确性做任何保证或承诺!文档内容仅供研究参考,付费前请自行鉴别。
3、如文档内容存在违规,或者侵犯商业秘密、侵犯著作权等,请点击“违规举报”。

碎片内容

汽包水位的标定

您可能关注的文档

确认删除?
VIP
微信客服
  • 扫码咨询
会员Q群
  • 会员专属群点击这里加入QQ群
客服邮箱
回到顶部