电脑桌面
添加小米粒文库到电脑桌面
安装后可以在桌面快捷访问

汽机常用阀门讲课VIP免费

汽机常用阀门讲课_第1页
1/18
汽机常用阀门讲课_第2页
2/18
汽机常用阀门讲课_第3页
3/18
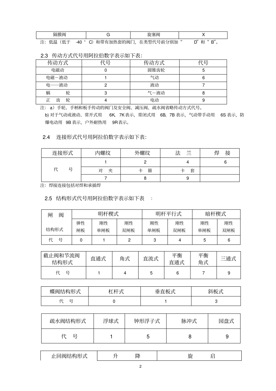
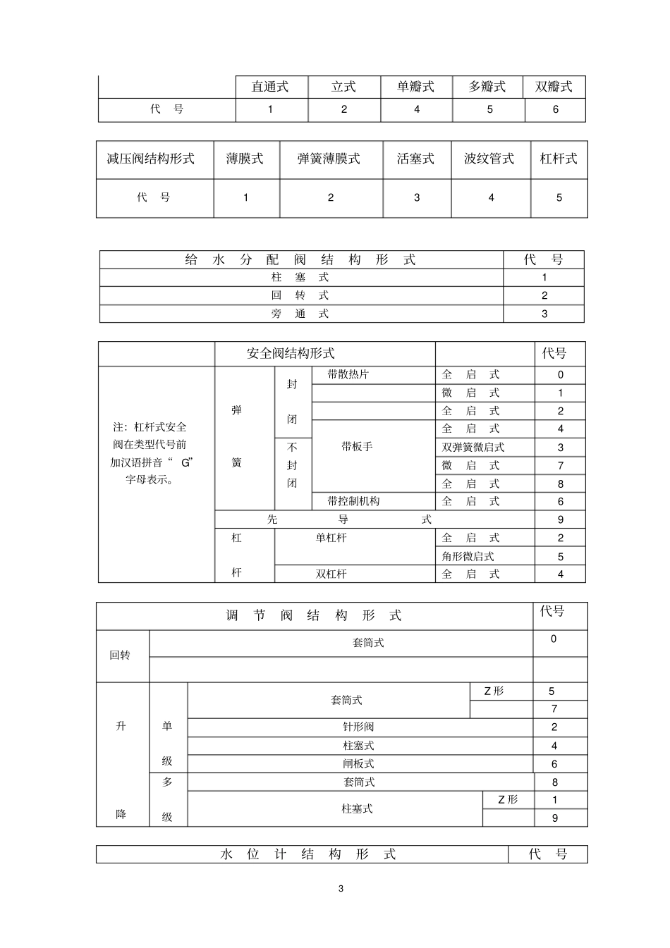
1常用阀门讲课阀门是一种重要的管路附件,主要用来切断、接通流通介质(蒸汽、水、油、空气等)的通路,以改变介质的流动方向,调节介质的流量和压力或保证压力容器及管道工作压力不超限等。单元机组是由许多系统组成的,如给水系统、凝结水系统、抽气系统、过热器系统、再热器系统、排污和疏水系统等等.这些系统的管道上装有许多不同的阀门,这些阀门在机炉运行调节和事故处理中起着重要作用,是机炉设备上必不可少的部件。一、阀门的作用1、用闸阀、截止阀、止回阀、接通或切断管路中各段的介质。2、用节流阀、调节阀等调节管路中介质的流量和压力。3、用分配法、三通旋塞和换向阀等改变介质的流向。4、用阻汽排水阀(即输水器)在蒸汽管道上既输水又防止蒸汽通过。二、阀门型号编制方法2.1阀门型号由七个单元组成,其编制方法如下表:1单元2单元3单元4单元5单元6单元7单元阀体材料代号公称压力代号阀座密封面或衬里材料代号结构形式代号连接形式代号传动方式代号类型代号2.2阀门类型代号用汉语拼音字母表示如下表阀门类型代号阀门类型代号闸阀Z安全阀A截止阀J减压阀Y节流阀L疏水阀S蝶阀D调节阀T止回阀H给水分配阀F水位表(平衡容器)B球阀Q2隔膜阀G旋塞阀X注:低温(低于-40°C)和带有加热套的阀门,在类型代号前分别加“D”和“B”。2.3传动方式代号用阿拉伯数字表示如下表:传动方式代号传动方式代号电磁动0圆锥齿轮5电磁-液动1气动6电――液动2液动7蜗轮3气-液动8正齿轮4电动9注:a)手轮、手柄和板手传动的阀门及安全阀、减压阀、疏水阀省略传动方式代号。b)对于气动或液动、常开式用6K、7K表示,常闭式用6B、7B表示,气动带手动用6S表示,防爆电动用9B表示,户外耐热用9R表示。2.4连接形式代号用阿拉伯数字表示如下表:连接形式内螺纹外螺纹法兰焊接代号1246对夹卡箍卡套789注:焊接连接包括对焊和承插焊2.5结构形式代号用阿拉伯数字表示如下表:闸阀结构形式明杆楔式明杆平行式暗杆楔式弹性闸板刚性单闸板刚性双闸板刚性单闸板刚性双闸板刚性单闸板刚性双闸板代号0123456截止阀和节流阀结构形式直通式角式直流式平衡直通式平衡角式三通式代号145679蝶阀结构形式杠杆式垂直板式斜板式代号013疏水阀结构形式浮球式钟形浮子式脉冲式园盘式代号1589止回阀结构形式升降旋启3直通式立式单瓣式多瓣式双瓣式代号12456减压阀结构形式薄膜式弹簧薄膜式活塞式波纹管式杠杆式代号12345给水分配阀结构形式代号柱塞式1回转式2旁通式3安全阀结构形式代号注:杠杆式安全阀在类型代号前加汉语拼音“G”字母表示。弹簧封闭带散热片全启式0微启式1全启式2带板手全启式4不封闭双弹簧微启式3微启式7全启式8带控制机构全启式6先导式9杠杆单杠杆全启式2角形微启式5双杠杆全启式4调节阀结构形式代号回转套筒式0升降单级套筒式Z形57针形阀2柱塞式4闸板式6多级套筒式8柱塞式Z形19水位计结构形式代号4平衡容器7就地云母片式1玻璃板式2玻璃管式3光学折射式双色9光学电视式9a低读轻液玻璃板式6玻璃管式02.6阀座密封面或衬里材料代号用汉语拼音字母表示:阀座密封面或衬里材料代号阀座密封面或衬里材料代号尼龙塑料N合金耐酸或不锈钢H渗硼钢P渗氮钢D橡胶X硬质合金钢Y注:由阀体直接加工的阀座密封面材料代号用“W”表示,当阀座和阀瓣(闸板)密封面材料不同时,用低硬度材料代号表示。2.7公称压力数值用阿拉伯数字表示,由于JB4018-85所采用的计量单位作法定单位,所以按哈锅“BT88-018”《贯彻法定计量单位的通知》均为“MPa”。如PN32即为原Pg320kgf/cm2.若工作温度为540℃;工作压力为14MPa时,其标注方法为“PW5414V”。其中“W”为温度的含义。2.8阀体材料代号用汉语拼音字母表示如下表:阀体材料代号阀体材料代号灰铸铁H铬镍钼合金钢I球墨铸铁Q铬镍钛(铌)耐酸钢P碳钢C铬钼钒合金钢V可锻铸铁k铬镍钼钛(铌)耐酸钢R铸钢注:PN≤1.6MPa的灰铸铁阀门及PN≥25MPa的碳素钢,阀体省略本代号。三、阀门的分类阀门种类很多,可以从不同角度进行分类。3.1按结构特征分一一根据关闭件相对于阀座的移动方向可分为:3.1.1截止型——关闭件沿着阀座中心线移动阀头旋转。53.1.2闸板型——关闭件沿着垂直于...

1、当您付费下载文档后,您只拥有了使用权限,并不意味着购买了版权,文档只能用于自身使用,不得用于其他商业用途(如 [转卖]进行直接盈利或[编辑后售卖]进行间接盈利)。
2、本站所有内容均由合作方或网友上传,本站不对文档的完整性、权威性及其观点立场正确性做任何保证或承诺!文档内容仅供研究参考,付费前请自行鉴别。
3、如文档内容存在违规,或者侵犯商业秘密、侵犯著作权等,请点击“违规举报”。

碎片内容

汽机常用阀门讲课

确认删除?
VIP
微信客服
  • 扫码咨询
会员Q群
  • 会员专属群点击这里加入QQ群
客服邮箱
回到顶部