电脑桌面
添加小米粒文库到电脑桌面
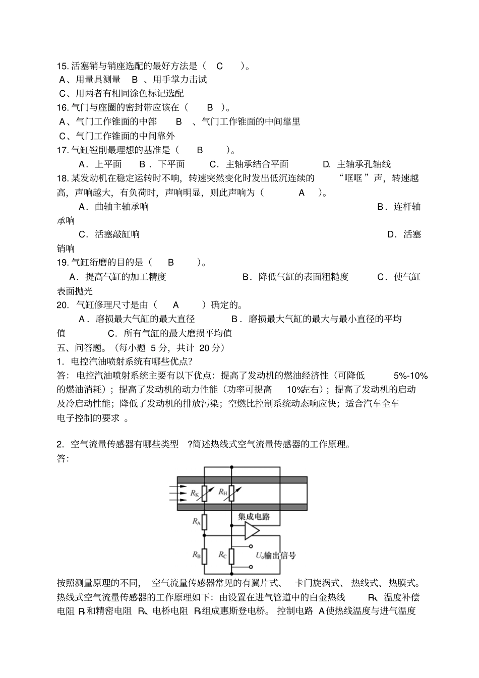
安装后可以在桌面快捷访问

汽车发动机构造与维修试卷A答案VIP免费

汽车发动机构造与维修试卷A答案_第1页
1/4
汽车发动机构造与维修试卷A答案_第2页
2/4
汽车发动机构造与维修试卷A答案_第3页
3/4
《汽车发动机构造与维修》(A)参考答案一、名词解释。(每小题2.5分,共10分)1.空燃比:发动机实际燃烧所需要的空气量与理论燃烧所需要的空气量的比值。2.工作容积:活塞从上止点到下止点所扫过的容积。3.分组喷射:分组喷射是间歇喷射的一种,按分组顺序给各缸喷射。4.曲轴箱通风:为防止曲轴箱内的机油变质,让外面的空气与曲轴箱内的气体进行交换。二、填空题。(每空1分,共计15分)1.汽油发动机两大机构是活塞连杆组、配气机构。2.发动机的磨合有冷磨合(又称冷磨合)、无负荷的热磨合、有负荷的热磨合3种类型。3.油环的结构型式有整体、组合两种。4.电控发动机的电控部分由传感器、ECU、执行器。5.顶置气门式配气机构的凸轮轴布置有三种形式,它们是凸轮轴下置式、凸轮轴中置式和凸轮轴上置式。6.气门叠开角是进气提前角和排气迟后角之和。三、判断题。(每小题1分,计15分)1.机油泵上装的是旁通阀。(×)2.采用全浮式连接的活塞销,在发动机冷态时,活塞销未必能自由转动。(√)3.曲轴上回油螺纹的旋向取决于发动机的转向。(√)4.单点喷射一定喷在节气门前方。(×)5.气缸间隙是指气缸直径与活塞裙部最大直径之差。(√)6.裙部单侧开有“T”或“∩”形隔热膨胀槽的活塞,在装配时膨胀槽应朝右侧(从发动机前方看)。(√)7.在气门完全关闭时,摇臂与气门杆尾端之间的间隙称气门间隙,在使用过程不会发生变化。(×)8.为了提高装配精度,保证合适的气缸间隙,活塞与气缸的配合采用分组选配,在活塞顶上标有分组记号。(√)9.活塞销一般采用全浮式连接,即活塞销在活塞销座孔和连杆小头衬套中均能自由的转动但由于活塞销与活塞的热膨胀系数不一样,在冷状态时活塞销与活塞销座孔之间的配合为过渡配合,在热状态时为间隙配合。(√)10.在汽油机中,汽油首先雾化,继而蒸发与空气形成可燃混合气这一过程是在化油器中开始,并在进气管和气缸中继续进行。(√)11.目前汽车发动机上广泛采用蒸发式水冷却系统。(×)12.为了获得较好的散热性,干式汽缸套的外表面和与其配合的气缸体承孔内表面都有一定的机械加工精度,而且一般都采用过盈配合。(√)13.点火线圈的本质是一个升压器,其升压原理即电磁互感原理。(√)14.调整辛烷值校正器是在改变汽油机初始的点火时刻。(√)15.研磨气缸时加大磨头对缸壁的压力,可以使缸壁表面粗糙度降低。(×)四、选择题。(每小题2分,共计40分)1.间歇喷射系统是按(B)分类定义的。A.喷射位置分类B.喷射方式C.控制方式2.四冲程发动机转速为2000r/min时,则同一汽缸的进气门,在1分钟内开闭的次数应为(C)。A.4000次B.2000次C.1000次3.节温器在大循环时(A)。A.只有主阀门打开B.只有副阀门打开C.主阀门、副阀门全打开4.一般汽油机的压缩比为(A)。A、6—10B、15—20C、20以上5.锥形环与气缸壁是线接触,接触压力大,有利于密封、布油和磨合,但传热性能差,不易作(C)气环使用。A、第二道B、第三道C、第一道6.一般把活塞的头部制成上小下大的阶梯形或截锥形,且头部直径(A)裙部。A、小于B、等于C、大于7.国用汽油机大部分工作时间都处于中等负荷状态。化油器供给可燃混合气的过量空气系数应为(B)。A、0.2—0.6B、1.05—1.1C、0.6—0.88.曲轴在工作中会发生轴向移动,为此曲轴设置有定位装置,把曲轴的轴向移动限制在一定范围。定位装置设置在(C)。A、最后一道主轴颈B、第一道主轴颈C、最后、中间、第一道主轴颈均可9.汽油机飞轮上标注的记号是(C)。A、第一缸上止点B、第四缸上止点C、第一缸上止点和点火正时记号10.镗削气缸的目的(B)。A、消除气缸表面的裂纹B、消除气缸表面形状误差C、改善气缸表面光洁度11.珩磨气缸时,在砂条长度一定的条件下,磨头行程过长会出现(A)。A、喇叭口B、鼓形C、锥形12.活塞销和连杆衬套的配合在常温下应有(B)。A、0.0025mm的微量过盈B、0.005—0.01mm的微量间隙C、0.15—0.20mm的微量间隙13.EQ140型发动机活塞顶有一小缺口,连杆和盖有一小凸点,装配时此三记号应(A)。A、在同侧B、在两侧C、没有选择性14.发动机冷却系统发动机保持的最佳温度为(A)。A、80-90℃B、60...

1、当您付费下载文档后,您只拥有了使用权限,并不意味着购买了版权,文档只能用于自身使用,不得用于其他商业用途(如 [转卖]进行直接盈利或[编辑后售卖]进行间接盈利)。
2、本站所有内容均由合作方或网友上传,本站不对文档的完整性、权威性及其观点立场正确性做任何保证或承诺!文档内容仅供研究参考,付费前请自行鉴别。
3、如文档内容存在违规,或者侵犯商业秘密、侵犯著作权等,请点击“违规举报”。

碎片内容

汽车发动机构造与维修试卷A答案

确认删除?
VIP
微信客服
  • 扫码咨询
会员Q群
  • 会员专属群点击这里加入QQ群
客服邮箱
回到顶部