电脑桌面
添加小米粒文库到电脑桌面
安装后可以在桌面快捷访问

滕州服务业重点项目建设情况调度表VIP免费

滕州服务业重点项目建设情况调度表_第1页
1/6
滕州服务业重点项目建设情况调度表_第2页
2/6
滕州服务业重点项目建设情况调度表_第3页
3/6
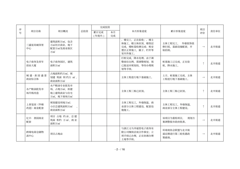
-1-/16滕州市年服务业重点项目建设情况调度表日期:月日序号项目名称项目概况总投资完成投资本月形象进度累计形象进度项目评价责任单位累计完成(年度内)本月完成大同中路区域商业配套(大同国际)建筑面积万㎡,建设主题商业区、商业街、高端居住区、写字楼、酒店等东部区域栋已上房,栋筹备上房。西区栋楼主体封顶,内外墙抹灰完成,基础配套施工。东部区域栋已上房,栋筹备上房。西区栋楼主体封顶,内外墙抹灰完成,基础配套施工。↑北辛街道文庙农贸市场升级改造二期工程建筑面积万㎡,集商住、公寓、商业街区为一体二期工程:各楼都已竣工;内部水、电、气安装装完毕,等待验收。小区内幼儿园主体已封顶,正等待竣工验。一期工程市场已投入使用。二期工程:各楼都已竣工;内部水、电、气安装装完毕,等待验收。小区内幼儿园主体已封顶,正等待竣工验。↑北辛街道亚克西汽贸城建筑面积万㎡,建设个店、综合楼等主体工程施工,综合展厅正在施工建设,配套用房施工。主体工程施工,正在进行综合展厅及配套用房施工。↑北辛街道接官巷历史文化街区二期工程总建筑面积万㎡,规划地上建筑面积万㎡北关街北首原新生居委会区域新建商业部分建筑面积约万平方米,主体建至四层。接官巷东首牌坊已定位,开始施工安装;市社区域已确立初步方案。一期工程已建成并投入使用。二期工程幼儿园南大门区域㎡已投入运营。北关街北首原新生居委会区域新建商业部分主体建至四层。↑北辛街道君瑞银座商城综合体城市综合体,建筑面积万㎡与银座集团合作事宜正顺利推进,已办理亩用地手续,基坑降水第一层抽水完成,继续实施土方开挖。与银座集团合作事宜正顺利推进,已办理亩用地手续,基坑降水第一层抽水完成,继续实施土方开挖。↑北辛街道慈铭体检中心专业体检中心,建筑面积万㎡已开业运营。已开业运营。↑北辛街道-2-/16序号项目名称项目概况总投资完成投资本月形象进度累计形象进度项目评价责任单位累计完成(年度内)本月完成三盛星尚城邻里中心建筑面积万㎡,包含万㎡社区商业、地下配套万㎡及商业街区万㎡、楼完工,正在验收;、楼主体施工,楼主体封顶,楼垫层完成,楼桩基检测完成;栋安置区正常施工,腻子、栏杆等室内外施工。主体工程完工,外墙装饰装修扫尾,基础设施配套,开始招商。→北辛街道电子商务及青年创业大厦电子商务园区,建筑面积万㎡打桩完成,降水处理。由于调整商住比例,需调整规划,现已报送市规划局,等待办理规划等手续。桩基施工已完成,正在验桩,降水施工。↑北辛街道城建·善国盛景商业综合体占地面积约万㎡,规划建筑面积约万㎡,商业面积万㎡主体工程进行地下基础施工。土方、桩基施工完成,主体工程进行地下基础施工。→北辛街道水产粮油批发市场升级改造水产粮油专业批发市场,占地万㎡,拟建地上建筑商业与住宅万㎡,地下商场万㎡主体工程三栋已封顶。主体工程三栋已封顶。↑北辛街道上善玺园(华棉改造)商业配套规划建设用地万㎡;小区总建筑面积万㎡,商业面积万㎡主体工程完工,外墙保温,商业部分主体工程建设,配套设施施工。主体工程完工,外墙保温,商业部分主体工程建设。↑北辛街道亿丰·善园商业配套项目占地约亩,总建筑面积约万㎡,商业面积万㎡该项目为重组项目,规划方案调整报市政府批准。→北辛街道跨境电商仓储物流中心项目占地亩与浙江义乌幸福里电子商务有限公司继续洽谈合作事宜;立项手续已办理,正在协调办理土地等手续。环球商协会联盟与北辛街道近期进行第三轮优惠政策磋商。→北辛街道-3-/16序号项目名称项目概况总投资完成投资本月形象进度累计形象进度项目评价责任单位累计完成(年度内)本月完成机动车安全检测服务中心项目占地亩,建筑面积万㎡市里调整规划,对接项目有关手续。企业完成可研,等待供地指标、优惠政策落地。→北辛街道滕州市游泳馆规划建筑面积万㎡,地下一层,地上两层,看台局部三层二次砌墙及顶棚钢结构施工。主体建设完成,内部看台、游泳池完工。↑北辛街道哥伦比亚汽车电商小镇建筑面积万㎡开业运营。已完工,开业运营。↑北辛街道真爱三期城市综合体,建筑面积万㎡与部分大型超市、影院等完成洽谈,并达成合作意...

1、当您付费下载文档后,您只拥有了使用权限,并不意味着购买了版权,文档只能用于自身使用,不得用于其他商业用途(如 [转卖]进行直接盈利或[编辑后售卖]进行间接盈利)。
2、本站所有内容均由合作方或网友上传,本站不对文档的完整性、权威性及其观点立场正确性做任何保证或承诺!文档内容仅供研究参考,付费前请自行鉴别。
3、如文档内容存在违规,或者侵犯商业秘密、侵犯著作权等,请点击“违规举报”。

碎片内容

滕州服务业重点项目建设情况调度表

您可能关注的文档

确认删除?
VIP
微信客服
  • 扫码咨询
会员Q群
  • 会员专属群点击这里加入QQ群
客服邮箱
回到顶部