电脑桌面
添加小米粒文库到电脑桌面
安装后可以在桌面快捷访问

煤焦油MSDSVIP免费

煤焦油MSDS_第1页
1/3
煤焦油MSDS_第2页
2/3
煤焦油MSDS_第3页
3/3
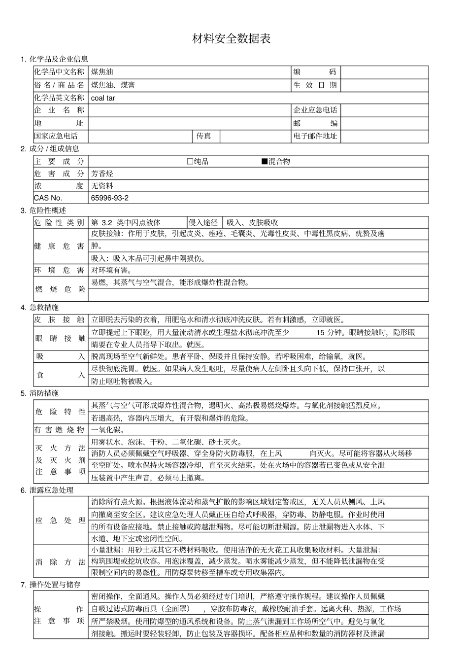
材料安全数据表1.化学品及企业信息化学品中文名称煤焦油编码俗名/商品名煤焦油、煤膏生效日期化学品英文名称coaltar企业名称企业应急电话地址邮编国家应急电话传真电子邮件地址2.成分/组成信息主要成分□纯品■混合物危害成分芳香烃浓度无资料CASNo.65996-93-23.危险性概述危险性类别第3.2类中闪点液体侵入途径吸入、皮肤吸收健康危害皮肤接触:作用于皮肤,引起皮炎、痤疮、毛囊炎、光毒性皮炎、中毒性黑皮病、疣赘及癌肿。吸入:吸入本品可引起鼻中隔损伤。环境危害对环境有害。燃烧危险易燃,其蒸气与空气混合,能形成爆炸性混合物。4.急救措施皮肤接触立即脱去污染的衣着,用肥皂水和清水彻底冲洗皮肤。若有刺激感,立即就医。眼睛接触立即提起上下眼睑,用大量流动清水或生理盐水彻底冲洗至少15分钟。眼睛接触时,隐形眼睛要在专业人员指导下取出。就医。吸入脱离现场至空气新鲜处。患者平卧、保暖并且保持安静。若呼吸困难,给输氧,就医。食入尽快彻底洗胃。就医。如果病人发生呕吐,尽量使病人左侧卧且头向下低,保持口张开,以防止呕吐物被吸入。5.消防措施危险特性其蒸气与空气可形成爆炸性混合物,遇明火、高热极易燃烧爆炸。与氧化剂接触猛烈反应。若遇高热,容器内压增大,有开裂和爆炸的危险。有害燃烧物一氧化碳。灭火方法及灭火剂注意事项用雾状水、泡沫、干粉、二氧化碳、砂土灭火。消防人员必须佩戴空气呼吸器、穿全身防火防毒服,在上风向灭火。尽可能将容器从火场移至空旷处。喷水保持火场容器冷却,直至灭火结束。处在火场中的容器若已变色或从安全泄压装置中产生声音,必须马上撤离。6.泄露应急处理应急处理消除所有点火源。根据液体流动和蒸气扩散的影响区域划定警戒区,无关人员从侧风、上风向撤离至安全区。建议应急处理人员戴正压自给式呼吸器,穿防毒、防静电服。作业时使用的所有设备应接地。禁止接触或跨越泄漏物。尽可能切断泄漏源。防止泄漏物进入水体、下水道、地下室或密闭性空间。消除方法小量泄漏:用砂土或其它不燃材料吸收。使用洁净的无火花工具收集吸收材料。大量泄漏:构筑围堤或挖坑收容。用泡沫覆盖,减少蒸发。喷水雾能减少蒸发,但不能降低泄漏物在受限制空间内的易燃性。用防爆泵转移至槽车或专用收集器内。7.操作处置与储存操作注意事项密闭操作,全面通风。操作人员必须经过专门培训,严格遵守操作规程。建议操作人员佩戴自吸过滤式防毒面具(全面罩),穿胶布防毒衣,戴橡胶耐油手套。远离火种、热源,工作场所严禁吸烟。使用防爆型的通风系统和设备。防止蒸气泄漏到工作场所空气中。避免与氧化剂接触。搬运时要轻装轻卸,防止包装及容器损坏。配备相应品种和数量的消防器材及泄漏应急处理设备。倒空的容器可能残留有害物。储存注意事项储存于阴凉、通风的库房。库温不宜超过37℃,远离火种、热源。应与氧化剂分开存放,切忌混储。采用防爆型照明、通风设施。禁止使用易产生火花的机械设备和工具。储区应备有泄漏应急处理设备和合适的收容材料。8.接触控制/个体防护最高容许浓度——监测方法无资料工程控制生产过程密闭,全面通风。提供安全淋浴和洗眼设备。呼吸系统防护空气中浓度超标时,必须佩戴过滤式防毒面具(全面罩)。紧急事态抢救或撤离时,应该佩戴空气呼吸器。眼睛防护呼吸系统防护中已作防护。身体防护穿密闭型防毒服。手防护戴橡胶耐油手套。其他防护工作现场严禁吸烟。工作完毕,淋浴更衣。注意个人清洁卫生。9.理化特性临界温度(℃)无资料临界压力(Mpa)无资料燃烧热(KJ/mol)无意义沸点(℃)无资料相对密度(水=1)1.18-1.23爆炸上限(%,v/v)无资料闪点(℃)<23饱和蒸汽压(Kpa)无资料爆炸下限(%,v/v)无资料PH值无资料相对蒸汽密度无资料熔点(℃)无资料外观与性状黑色粘稠液体,具有特殊臭味。辛醇/水分配系数的对数值无资料溶解性微溶于水,溶于苯、乙醇、乙醚、氯仿、丙酮、等多数有机溶剂。其他理化性质主要用途可分馏出各种芳香烃、烷烃、酚类等,也可制取油毡、燃料和炭黑。10.稳定性和反应性稳定性稳定禁配物强氧化剂、酸类、碱类、卤素等分解产物一氧化碳聚合危害不能发生避免接触的条件11....

1、当您付费下载文档后,您只拥有了使用权限,并不意味着购买了版权,文档只能用于自身使用,不得用于其他商业用途(如 [转卖]进行直接盈利或[编辑后售卖]进行间接盈利)。
2、本站所有内容均由合作方或网友上传,本站不对文档的完整性、权威性及其观点立场正确性做任何保证或承诺!文档内容仅供研究参考,付费前请自行鉴别。
3、如文档内容存在违规,或者侵犯商业秘密、侵犯著作权等,请点击“违规举报”。

碎片内容

您可能关注的文档

确认删除?
VIP
微信客服
  • 扫码咨询
会员Q群
  • 会员专属群点击这里加入QQ群
客服邮箱
回到顶部