电脑桌面
添加小米粒文库到电脑桌面
安装后可以在桌面快捷访问

生产过程控制环保措施汇编VIP免费

生产过程控制环保措施汇编_第1页
1/24
生产过程控制环保措施汇编_第2页
2/24
生产过程控制环保措施汇编_第3页
3/24
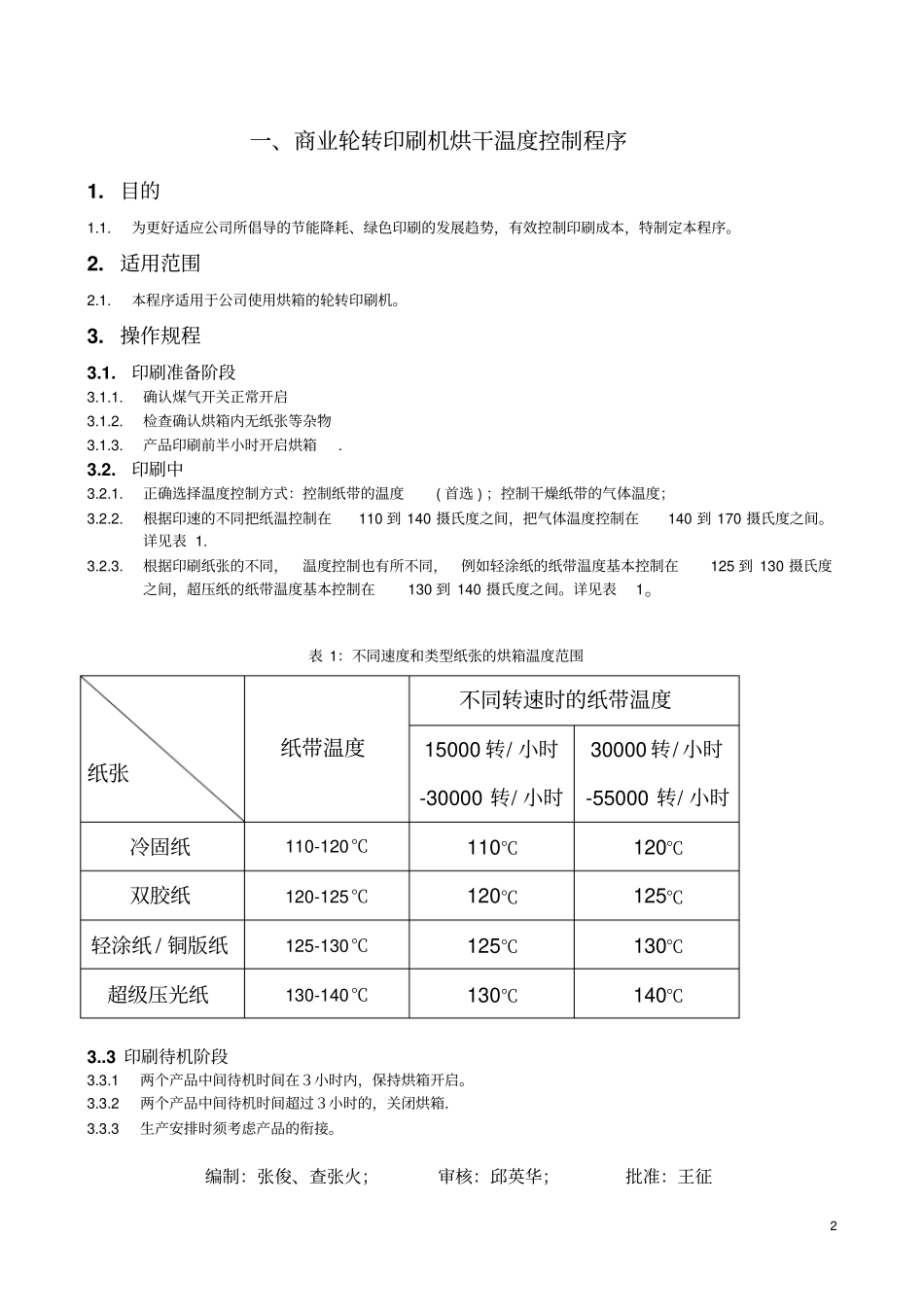
1印刷过程控制环保措施汇编目录一、商业轮转印刷机烘干温度控制程序----------------------02二、商业轮转折页机转换及装纸穿纸准备时间控制制度---------03三、商业轮转印刷机装卸印版及套准时间控制制度--------------05四、印刷机台全面生产设备管理制度-----------------------06五、商业轮转印刷机橡皮布使用、保养程序--------------------07六、商业轮转印刷机能耗考核制度----------------------------08七、印刷机印版、橡皮布消耗定额控制程序--------------------09八、单张纸印刷机能耗考核制度------------------------------10九、减少印刷机空转制度------------------------------------11十、单张纸印刷机纸张加放量控制制度------------------------12十一、单张纸印刷机橡皮布使用、保养程序-------------------14十二、单张纸印刷机装卸印版及套准时间控制制---------------15十三、印刷机油墨集中配置定量发放控制程序-----------------16十四、剩余油墨综合利用控制程序---------------------------17十五、印刷品生产工艺流程-----------------------------18十六、平版印刷品质量标准与检验方法-----------------------19十七、杭报集团盛元印务合格供方名录-----------------------21十八、生产部印刷品防护制度-------------------------------22十九、印前节能降耗控制措施-------------------------------23附录作业指导书2一、商业轮转印刷机烘干温度控制程序1.目的1.1.为更好适应公司所倡导的节能降耗、绿色印刷的发展趋势,有效控制印刷成本,特制定本程序。2.适用范围2.1.本程序适用于公司使用烘箱的轮转印刷机。3.操作规程3.1.印刷准备阶段3.1.1.确认煤气开关正常开启3.1.2.检查确认烘箱内无纸张等杂物3.1.3.产品印刷前半小时开启烘箱.3.2.印刷中3.2.1.正确选择温度控制方式:控制纸带的温度(首选);控制干燥纸带的气体温度;3.2.2.根据印速的不同把纸温控制在110到140摄氏度之间,把气体温度控制在140到170摄氏度之间。详见表1.3.2.3.根据印刷纸张的不同,温度控制也有所不同,例如轻涂纸的纸带温度基本控制在125到130摄氏度之间,超压纸的纸带温度基本控制在130到140摄氏度之间。详见表1。表1:不同速度和类型纸张的烘箱温度范围纸张纸带温度不同转速时的纸带温度15000转/小时-30000转/小时30000转/小时-55000转/小时冷固纸110-120℃110℃120℃双胶纸120-125℃120℃125℃轻涂纸/铜版纸125-130℃125℃130℃超级压光纸130-140℃130℃140℃3..3印刷待机阶段3.3.1两个产品中间待机时间在3小时内,保持烘箱开启。3.3.2两个产品中间待机时间超过3小时的,关闭烘箱.3.3.3生产安排时须考虑产品的衔接。编制:张俊、查张火;审核:邱英华;批准:王征3二、商业轮转折页机转换及装纸穿纸等准备时间控制制度1.目的1.1.为更好适应公司所倡导的节能降耗、绿色印刷的发展趋势,有效控制印刷成本,特制定本制度。2.适用范围2.1.本制度适用于公司轮转印刷机型。3.操作规程3.1.装纸时间控制3.1.1装纸过程包括纸张请求、输纸、剥除包装、上纸、剥除白破、粘贴胶带及信号条、纸卷对边等步骤。3.1.2依据自动和手动输纸的不同方式,装纸过程时间控制在5-8分钟;3.1.3为最大程度确保装纸张过程顺利,应注重以下操作要点:自动输纸模式时,在纸架空档时,及时发请求送纸命令;手动输纸模式时,按照工单,尽早在纸架现场备足用纸;纸卷上纸架后,确保纸卷两边正常锁紧;剥除白破前,应仔细检查纸卷表面和边缘质量完好情况,既要避免破损剥除不净导致印刷中断纸,又要避免剥除过多白纸导致浪费;严格按照作业指导书要求粘贴胶带、信号条,对齐纸边,确保成功接纸张和排接头报;3.2穿纸时间控制3.2.1穿纸过程包括引带准备、纸路由纸架经印刷单元、烘箱进入折页机、走正纸路等步骤;3.2.2整个穿纸过程时间控制在10-15分钟;3.2.3为最大程度确保穿纸张过程顺利,应注重以下操作要点:引带片基破损的,应及时更新;对穿纸链条及走链条的齿轮进行检查,保证链条没有跑出。穿纸时纸架应有人辅助松纸。要避免纸带被拉得过紧,但同时注意不要松太多,松纸太多很容易让纸带反卷...

1、当您付费下载文档后,您只拥有了使用权限,并不意味着购买了版权,文档只能用于自身使用,不得用于其他商业用途(如 [转卖]进行直接盈利或[编辑后售卖]进行间接盈利)。
2、本站所有内容均由合作方或网友上传,本站不对文档的完整性、权威性及其观点立场正确性做任何保证或承诺!文档内容仅供研究参考,付费前请自行鉴别。
3、如文档内容存在违规,或者侵犯商业秘密、侵犯著作权等,请点击“违规举报”。

碎片内容

生产过程控制环保措施汇编

您可能关注的文档

确认删除?
VIP
微信客服
  • 扫码咨询
会员Q群
  • 会员专属群点击这里加入QQ群
客服邮箱
回到顶部